HMC541

Obsolete

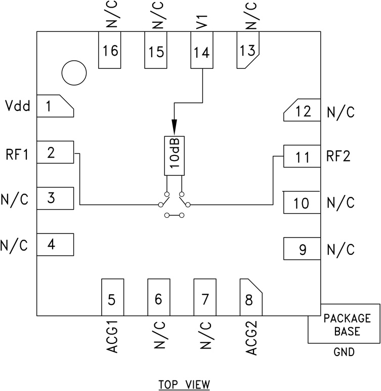
10dB LSB 1-Bit Digital Attenuator SMT, DC - 5 GHz

Viewing:

Overview

  • ±0.2 dB Typical Step Error
  • Low Insertion Loss: 1 dB
  • High IP3: +50 dBm
  • Single Control Line
  • TTL/CMOS Compatible Control
  • Single +5V Supply
  • 3x3 mm SMT Package

The HMC541LP3(E) is a broadband 1-bit GaAs IC digital attenuator in low cost leadsurface mount package. This single positive control line digital attenuator utilizes off chip AC ground capacitors for near DC operation, making it suitable for a wide variety of RF and IF applications. Covering DC to 5 GHz, the insertion loss is less than 1 dB typical. Attenuation accuracy is excellent at ± 0.2 dB typical step error. The attenuator also features a high IIP3 of +50 dBm. One TTL/CMOS control input is used to select the attenuation state. A single Vdd bias of +5V is required.

Applications

  • Cellular Infrastructure 
  • ISM, MMDS, WLAN, WiMAX, WiBro 
  • Microwave Radio & VSAT 
  • Test Equipment & Sensors

Suggested Replacement Parts

HMC624A RECOMMENDED FOR NEW DESIGNS

0.1 GHz to 6.0 GHz, 0.5 dB LSB, 6-Bit, GaAs Digital Attenuator

HMC541
10dB LSB 1-Bit Digital Attenuator SMT, DC - 5 GHz
hmc541lp3_fbl
Add to myAnalog

Add product to the Products section of myAnalog (to receive notifications), to an existing project or to a new project.

Create New Project
Ask a Question

Documentation

Obsolete Data Sheet 1

Data Sheet

This is the most up-to-date revision of the Data Sheet.

Learn More
Add to myAnalog

Add media to the Resources section of myAnalog, to an existing project or to a new project.

Create New Project

Software Resources

Can't find the software or driver you need?

Request a Driver/Software

Hardware Ecosystem

Parts Product Life Cycle Description
HMC624A RECOMMENDED FOR NEW DESIGNS

0.1 GHz to 6.0 GHz, 0.5 dB LSB, 6-Bit, GaAs Digital Attenuator

Modal heading
Add to myAnalog

Add product to the Products section of myAnalog (to receive notifications), to an existing project or to a new project.

Create New Project

Tools & Simulations

S-Parameter 1


Evaluation Kits

EVAL-HMC541LP3
HMC541LP3 Evaluation Board

Latest Discussions

Recently Viewed