Quantic X-Microwave

Analog Devices RF and microwave components are available as drop-in X-MWblocks®
from Quantic X-Microwave.

Get the X-MWblock® drop-in module for this part.

HMC492

RECOMMENDED FOR NEW DESIGNS

InGaP HBT Divide-by-2 SMT, DC - 18 GHz

Viewing:

Overview

  • Ultra Low SSB Phase Noise: -150 dBc/Hz
  • Very Wide Bandwidth
  • Output Power: -4 dBm
  • Single DC Supply: +5V
  • 3x3 mm QFN SMT Package

The HMC492LP3(E) is a low noise Divide-by-2 Static Divider utilizing InGaP GaAs HBT technology packaged in leadless 3x3 mm QFN surface mount plastic package. This device operates from DC (with a square wave input) to 18 GHz input frequency from a single +5V DC supply. The low additive SSB phase noise of -150 dBc/Hz at 100 kHz offset helps the user maintain excellent system noise performance.

APPLICATIONS

  • Point-to-Point/Multi-Point Radios
  • VSAT Radios
  • Fiber Optic
  • Test Equipment
  • Military

HMC492
InGaP HBT Divide-by-2 SMT, DC - 18 GHz
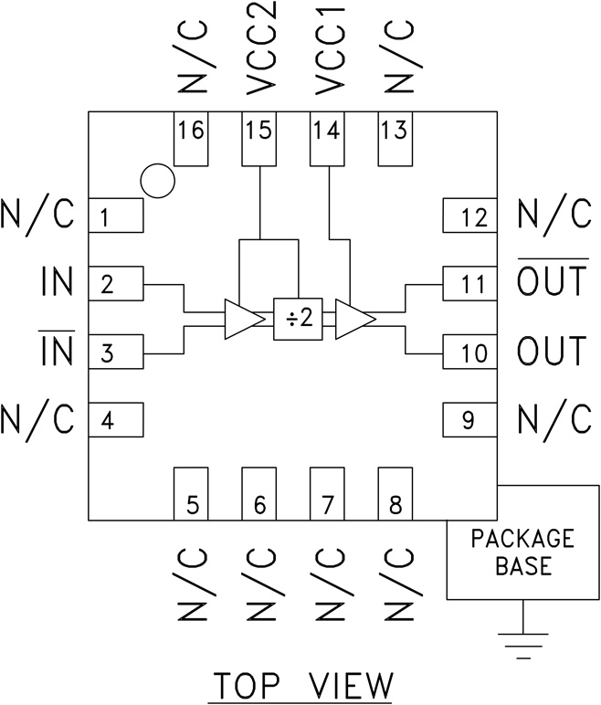
HMC492 Functional Block Diagram
Add to myAnalog

Add product to the Products section of myAnalog (to receive notifications), to an existing project or to a new project.

Create New Project
Ask a Question

Documentation

Data Sheet 1

Data Sheet

This is the most up-to-date revision of the Data Sheet.

Learn More
Add to myAnalog

Add media to the Resources section of myAnalog, to an existing project or to a new project.

Create New Project

Software Resources

Can't find the software or driver you need?

Request a Driver/Software

Tools & Simulations

ADIsimPLL™

ADIsimPLL enables the rapid and reliable evaluation of new high performance PLL products from ADI. It is the most comprehensive PLL Synthesizer design and simulation tool available today. Simulations performed include all key non-linear effects that are significant in affecting PLL performance. ADIsimPLL removes at least one iteration from the design process, thereby speeding the design- to-market.

Open Tool

Evaluation Kits

eval board
EVAL-HMC492LP3

HMC492LP3 Evaluation Board

Product Details

This page contains ordering information for evaluating the HMC492LP3.

The design files link includes the BOM, schematics, and Gerber files for the evaluation board.

EVAL-HMC492LP3
HMC492LP3 Evaluation Board
HMC492 Evaluation Board

Latest Discussions

Recently Viewed