Quantic X-Microwave

Analog Devices RF and microwave components are available as drop-in X-MWblocks®
from Quantic X-Microwave.

Get the X-MWblock® drop-in module for this part.

HMC438

RECOMMENDED FOR NEW DESIGNS

SMT GaAs HBT MMIC
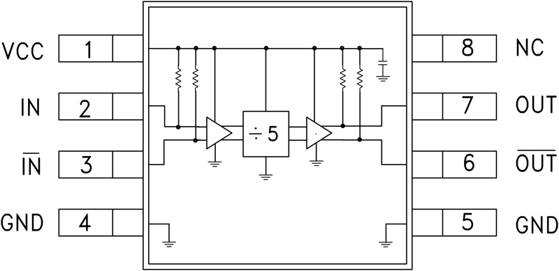
Divide-by-5, DC - 7 GHz

Viewing:

Overview

  • SSB Phase Noise: -153 dBc/Hz @100KHz
  • Wide Bandwidth
  • Output Power: -1 dBm
  • Single DC Supply: +5V @ 80 mA
  • MS8G SMT Package

The HMC438MS8G & HMC438MS8GE are low noise Divide-by-5 Static Dividers utilizing InGaP GaAs HBT technology in low cost 8 lead surface mount plastic packages. This device operates from DC (with a square wave input) to 7 GHz input frequency from a single +5V DC supply. The low additive SSB phase noise of -153 dBc/Hz at 100 kHz offset helps the user maintain good system noise performance.

Applications

  • UNII, Point-to-Point & VSAT Radios 
  • 802.11a & HiperLAN WLAN 
  • Fiber Optic 
  • Cellular / 3G Infrastructure

HMC438
SMT GaAs HBT MMIC
Divide-by-5, DC - 7 GHz
hmc438ms8g_fbl
Add to myAnalog

Add product to the Products section of myAnalog (to receive notifications), to an existing project or to a new project.

Create New Project
Ask a Question

Documentation

Data Sheet

This is the most up-to-date revision of the Data Sheet.

Learn More
Add to myAnalog

Add media to the Resources section of myAnalog, to an existing project or to a new project.

Create New Project

Software Resources

Can't find the software or driver you need?

Request a Driver/Software

Tools & Simulations

ADIsimPLL™

ADIsimPLL enables the rapid and reliable evaluation of new high performance PLL products from ADI. It is the most comprehensive PLL Synthesizer design and simulation tool available today. Simulations performed include all key non-linear effects that are significant in affecting PLL performance. ADIsimPLL removes at least one iteration from the design process, thereby speeding the design- to-market.

Open Tool

Evaluation Kits

eval board
EVAL-HMC438MS8G

HMC438MS8G Evaluation Board

Product Details

This page contains ordering information for evaluating the HMC438MS8G.

The design files link includes the BOM, schematics, and Gerber files for the evaluation board.

EVAL-HMC438MS8G
HMC438MS8G Evaluation Board
HMC438 Evaluation Board HMC438 Evaluation Board HMC438 Evaluation Board HMC438 Evaluation Board

Latest Discussions

Recently Viewed