HMC415

NOT RECOMMENDED FOR NEW DESIGNS

InGaP HBT Power Amplifier SMT, 4.9 - 5.9 GHz

Viewing:

Overview

  • Gain: 20 dB
  • 34% PAE @ Psat = +26 dBm
  • 3.7% EVM @ Pout = +15 dBm
  • with 54 Mbps OFDM Signal
  • Supply Voltage: +3 V
  • Power Down Capability
  • Low External Part Count

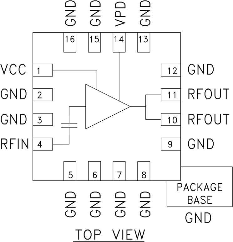
The HMC415LP3(E) is a high efficiency GaAs InGaP Heterojunction Bipolar Transistor (HBT) MMIC Power amplifier which operates between 4.9 and 5.9 GHz. The amplifier is packaged in a low cost, leadless surface mount package with an exposed base for improved RF and thermal performance. With a minimum of external components, the amplifier provides 20 dB of gain, +26 dBm of saturated power, and 34% PAE from a +3V supply voltage. Vpd can be used for full power down or RF output power/current control. For +15 dBm OFDM output power (64 QAM, 54 Mbps), the HMC415LP3(E) achieves an error vector magnitude (EVM) of 3.7% meeting 802.11a linearity requirements.

Applications

  • 802.11a WLAN
  • HiperLAN WLAN
  • Access Points
  • UNII & ISM Radios

HMC415
InGaP HBT Power Amplifier SMT, 4.9 - 5.9 GHz
hmc415lp3_fbl
Add to myAnalog

Add product to the Products section of myAnalog (to receive notifications), to an existing project or to a new project.

Create New Project
Ask a Question

Documentation

Data Sheet

This is the most up-to-date revision of the Data Sheet.

Learn More
Add to myAnalog

Add media to the Resources section of myAnalog, to an existing project or to a new project.

Create New Project

Software Resources

Can't find the software or driver you need?

Request a Driver/Software

Tools & Simulations

ADIsimRF

ADIsimRF is an easy-to-use RF signal chain calculator. Cascaded gain, noise, distortion and power consumption can be calculated, plotted and exported for signal chains with up to 50 stages. ADIsimRF also includes an extensive data base of device models for ADI’s RF and mixed signal components.

Open Tool

S-Parameter 1

Sys-Parameter Models for Keysight Genesys

Sys-Parameter models contain behavioral parameters, such as P1dB, IP3, gain, noise figure and return loss, which describe nonlinear and linear characteristics of a device.

Open Tool

Evaluation Kits

EVAL-HMC415LP3
HMC415LP3 Evaluation Board

Latest Discussions

Recently Viewed