HMC373

RECOMMENDED FOR NEW DESIGNS

GaAs PHEMT MMIC Low Noise Amplifier w/ Bypass Mode, 700 - 1000 MHz

Viewing:

Overview

  • Noise Figure: 0.9 dB
  • Output IP3: +35 dBm
  • Gain: 14 dB
  • Low Loss LNA Bypass Path
  • Single Supply: +5V @ 90 mA
  • 50 Ohm Matched Output

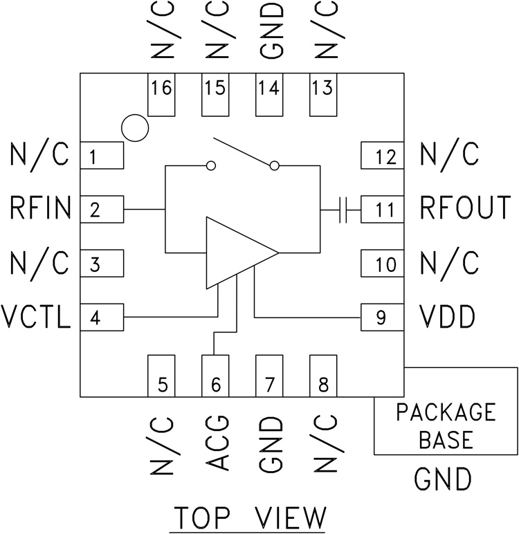
The HMC373LP3 / HMC373LP3E are versatile, high dynamic range GaAs MMIC Low Noise Amplifiers that integrates a low loss LNA bypass mode on the IC. The amplifier is ideal for GSM & CDMA cellular basestation front-end receivers operating between 700 and 1000 MHz and provides 0.9 dB noise figure, 14 dB of gain and +35 dBm IP3 from a single supply of +5V @ 90 mA. Input and output return losses are 28 and 12 dB respectively with the LNA requiring minimal external components to optimize the RF input match, RF ground and DC bias. By presenting an open or short circuit to a single control line, the LNA can be switched into a low 2.0 dB loss bypass mode reducing the current consumption to 10 μA. For applications which require improved noise figure, please see the HMC668LP3(E).

Applications

  • GSM, GPRS & EDGE
  • CDMA & W-CDMA
  • Private Land Mobile Radio

HMC373
GaAs PHEMT MMIC Low Noise Amplifier w/ Bypass Mode, 700 - 1000 MHz
hmc373lp3_fbl
Add to myAnalog

Add product to the Products section of myAnalog (to receive notifications), to an existing project or to a new project.

Create New Project
Ask a Question

Documentation

Data Sheet

This is the most up-to-date revision of the Data Sheet.

Learn More
Add to myAnalog

Add media to the Resources section of myAnalog, to an existing project or to a new project.

Create New Project

Software Resources

Can't find the software or driver you need?

Request a Driver/Software

Tools & Simulations

S-Parameter 1

Sys-Parameter Models for Keysight Genesys

Sys-Parameter models contain behavioral parameters, such as P1dB, IP3, gain, noise figure and return loss, which describe nonlinear and linear characteristics of a device.

Open Tool

ADIsimRF

ADIsimRF is an easy-to-use RF signal chain calculator. Cascaded gain, noise, distortion and power consumption can be calculated, plotted and exported for signal chains with up to 50 stages. ADIsimRF also includes an extensive data base of device models for ADI’s RF and mixed signal components.

Open Tool

Evaluation Kits

EVAL-HMC373LP3
HMC373LP3 Evaluation Board

Latest Discussions

Recently Viewed