HMC344

HMC344 / HMC344LC3 / HMC344LH5 / HMC344LP3

SP4T Nonreflective Switch Chip, SMT, and Hermetic SMT Switch, DC to 12 GHz

Viewing:

Overview

  • Broadband performance: DC to 12 GHz
  • Nonreflective topology
  • Low insertion loss: 1.8 dB to 2 dB @ 6 GHz
  • High isolation: 40 dB to 42 dB @ 6 GHz
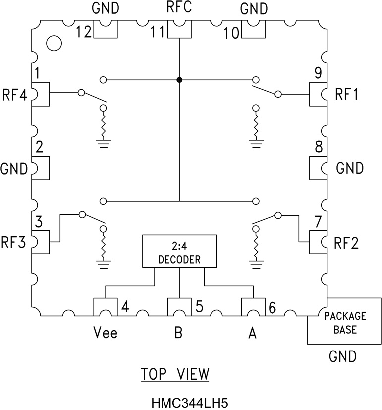
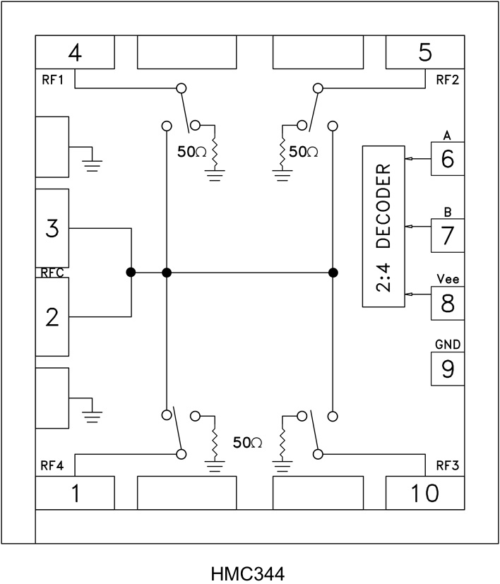
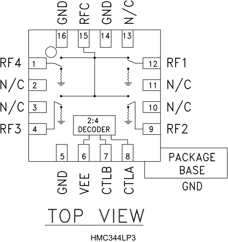
  • Integrated 2:4 TTL decoder
  • Small size: 1.08 mm x 1.05 mm x 0.10 mm
  • Hermetic SMT package: 25 mm²; LP3 SMT package
  • Screening to MIL-PRF-38535 (Class B or Class S) available

The HMC344 is a broadband nonreflective GaAs MESFET SP4T switch/switch chip in a ceramic 3 mm x 3 mm leadless surface-mount package, a hermetic SMT leadless package, or in a low cost leadless surface-mount package. Covering DC to 12 GHz, this switch offers high isolation, low insertion loss, a compact form factor, and extends the frequency coverage of the switch product line. This switch also includes an on-board binary decoder circuit, which reduces the number of required logic control lines to two.

The switch operates using a negative control voltage of 0/−5 V, and requires a fixed bias of −5 V. All data is tested with the chip in a 50 Ω test fixture connected via 0.025 mm (1 mil) diameter wire bonds of minimal length 0.31 mm (12 mils). This SP4T switch is available in SMT packaged form. Simple external level shifting circuitry allows this switch to be controlled with most TTL/CMOS positive logic families.

The HMC344 allows the use of surface-mount manufacturing techniques and is suitable for high reliability military, industrial, and space applications.

Applications

  • Telecom infrastructure
  • Microwave radios and VSAT
  • Test instrumentation
  • Broadband, military radios, radar, and ECM
  • Fiber optics
  • Switched filter banks
  • Wireless below 8 GHz
  • Space systems

HMC344
HMC344 / HMC344LC3 / HMC344LH5 / HMC344LP3

SP4T Nonreflective Switch Chip, SMT, and Hermetic SMT Switch, DC to 12 GHz

HMC344_fbl HMC344LC3_fbl HMC344LH5_fbl HMC344LP3_fbl
Add to myAnalog

Add product to the Products section of myAnalog (to receive notifications), to an existing project or to a new project.

Create New Project
Ask a Question

Documentation

Data Sheet

This is the most up-to-date revision of the Data Sheet.

Learn More
Add to myAnalog

Add media to the Resources section of myAnalog, to an existing project or to a new project.

Create New Project

Software Resources

Can't find the software or driver you need?

Request a Driver/Software

Hardware Ecosystem

Parts Product Life Cycle Description
HMC344A RECOMMENDED FOR NEW DESIGNS

0.1 GHz to 8 GHz, GaAs, Nonreflective, SP4T Switch

Modal heading
Add to myAnalog

Add product to the Products section of myAnalog (to receive notifications), to an existing project or to a new project.

Create New Project

Tools & Simulations


Evaluation Kits

EVAL-HMC344LH5
HMC344LH5 Evaluation Board
EVAL-HMC344LP3
HMC344LP3 Evaluation Board.
EVAL-HMC344LC3
HMC344LC3 Evaluation Board.

Latest Discussions

Recently Viewed