HMC256

Obsolete

I/Q Mixer Chip, 5.9 - 12 GHz

Viewing:

Overview

  • High Image Rejection: >30 dB
  • Input IP3: +18 dB
  • Wideband IF: DC to 1.5 GHz
  • Small Size: 1.6 x 1.3 x 0.1 mm

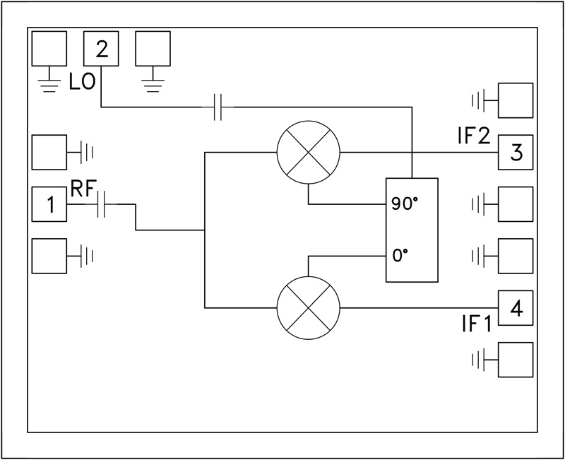
The HMC256 chip is a compact, 2.08 mm², I/Q Mixer MMIC which can be used as an Image Reject Mixer (IRM) or Single Side Band (SSB) upconverter. The chip utilizes two standard Hittite double-balanced mixer cells and a Lange Coupler realized in GaAs MESFET technology.    All data is with the chip in a 50 Ohm test fixture connected via 0.025 mm (1 mil) diameter wire bonds of minimal length <0.51 mm (<20 mils).

A low frequency quadrature hybrid was used to interface the MMIC IF ports to a 120 MHz IF USB output. This provides an example of the I/Q Mixer in an IRM application. The IF may be used from DC to 1.5 GHz. This I/Q Mixer is a more reliable, much smaller replacement to hybrid drop-in style I/Q Mixer assemblies.

Applications

  • Microwave Radio & VSAT
  • Test Instrumentation
  • Military Radios Radar & ECM
  • Space 

Suggested Replacement Parts

HMC8191 RECOMMENDED FOR NEW DESIGNS

6 GHz to 26.5 GHz, Wideband I/Q Mixer

HMC256
I/Q Mixer Chip, 5.9 - 12 GHz
hmc256_fbl
Add to myAnalog

Add product to the Products section of myAnalog (to receive notifications), to an existing project or to a new project.

Create New Project
Ask a Question

Documentation

Obsolete Data Sheet 1

Data Sheet

This is the most up-to-date revision of the Data Sheet.

Learn More
Add to myAnalog

Add media to the Resources section of myAnalog, to an existing project or to a new project.

Create New Project

Software Resources

Can't find the software or driver you need?

Request a Driver/Software

Hardware Ecosystem

Parts Product Life Cycle Description
HMC8191 RECOMMENDED FOR NEW DESIGNS 6 GHz to 26.5 GHz, Wideband I/Q Mixer
Modal heading
Add to myAnalog

Add product to the Products section of myAnalog (to receive notifications), to an existing project or to a new project.

Create New Project

Latest Discussions

Recently Viewed