HMC1060

LAST TIME BUY

Quad Low Noise High PSRR Linear Voltage Regulator

Viewing:

Overview

  • Ultra Low Noise:
    3nV/√Hz at 10 kHz, 7 nV/√Hz at 1 kHz
  • Four Adjustable Voltage Outputs:
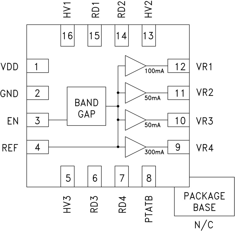
    VR1: 100 mA at 1.8V to 5.2V
    VR2 & VR3: 50 mA at 1.8V to 5.2V
    VR4: 300 mA at 1.8V to 5.2V
  • Thermal Protection
  • High Power Supply Rejection Ratio (PSRR):
    80 dB at 1 kHz, 60 dB at 1 MHz
  • Optional Proportional To Temperature (PTAT)
    Output Voltages: 7 % / 125 °C
  • Low Power-Down Current: <1 μA
  • 16 Lead 3 × 3 mm SMT Package: 9 mm2

The HMC1060LP3E is a BiCMOS ultra low noise quad-output linear voltage regulator targeted at high performance applications requiring superb power supply isolation.

Maximum 500 mA of current, distributed between four independent outputs, enable the HMC1060LP3E to supply all of the power needs of Hittite's Wideband PLL with Integrated VCO products, such as the HMC830LP6GE.

Although targeted at Hittite's Wideband PLLs with Integrated VCO products, the HMC1060LP3E makes an excellent general purpose regulator that supports adjustable output voltages ranging anywhere from 1.8V to 5.2V.

An Integrated PTAT (Proportional To Absolute Temperature) feature enabled via an external pin, allows the HMC1060LP3E to scale the supply voltage with temperature in order to maximize phase noise and output power performance of Hittite's Wideband with Integrated VCO products, as well as other devices powered by the HMC1060LP3E.

Integrated thermal protection disables the outputs of the HMC1060LP3E at extreme temperatures, until the device cools down, making the HMC1060LP3E a robust device capable of dealing with temporary and unforeseen scenarios including momentary short circuits and extreme temperatures.

External Enable input provides a convenient way to power on or off all of the devices supplied by the HMC1060LP3E.

The HMC1060LP3E is housed in a 3 × 3 mm QFN SMT package.

APPLICATIONS

  • Ultra Low Noise Frequency Generation (PLLs, VCOs, PLLs with Integrated VCOs)
  • RF & Mixed-Signal Supply

HMC1060
Quad Low Noise High PSRR Linear Voltage Regulator
HMC1060 Functional Block Diagram
Add to myAnalog

Add product to the Products section of myAnalog (to receive notifications), to an existing project or to a new project.

Create New Project
Ask a Question

Documentation

Data Sheet

This is the most up-to-date revision of the Data Sheet.

Learn More
Add to myAnalog

Add media to the Resources section of myAnalog, to an existing project or to a new project.

Create New Project

Software Resources

Can't find the software or driver you need?

Request a Driver/Software

Hardware Ecosystem

Parts Product Life Cycle Description
LT3045 RECOMMENDED FOR NEW DESIGNS 20V, 500mA, Ultralow Noise, Ultrahigh PSRR Linear Regulator
LT3042 RECOMMENDED FOR NEW DESIGNS 20V, 200mA, Ultralow Noise, Ultrahigh PSRR RF Linear Regulator
Modal heading
Add to myAnalog

Add product to the Products section of myAnalog (to receive notifications), to an existing project or to a new project.

Create New Project

Evaluation Kits

eval board
EVAL-HMC1060LP3E

HMC1060LP3E Evaluation Board

Product Details

This page contains ordering information for evaluating the HMC1060LP3E.

The Design Files link includes the BOM, schematics, and Gerber files for the evaluation board.

EVAL-HMC1060LP3E
HMC1060LP3E Evaluation Board
HMC1060 Evaluation Board HMC1060 Evaluation Board - Top View HMC1060 Evaluation Board - Bottom View

Latest Discussions

Recently Viewed