HMC1056

RECOMMENDED FOR NEW DESIGNS

GaAs MMIC I/Q Mixer, 8 - 12 GHz

Viewing:

Overview

  • Wide IF Bandwidth: DC - 4 GHz
  • Image Rejection: 25 dBc
  • LO to RF isolation: 40 dB
  • High Input IP3: 18 dBm
  • 20 Lead 4x4 mm SMT Package 16 mm2

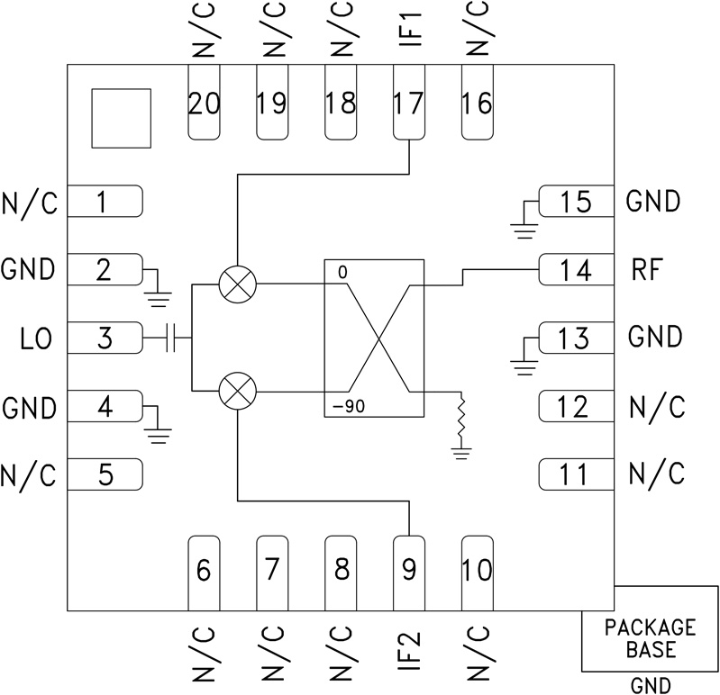
The HMC1056LP4BE is a compact I/Q MMIC mixer in a leadless “Pb free” SMT package, which can be used as either an Image Reject Mixer or a Single Sideband Upconverter. The mixer utilizes two standard Hittite double balanced mixer cells and a 90 degree hybrid fabricated in a GaAs Schottky diode process. A low frequency quadrature hybrid was used to produce a 100MHz LSB IF output. This product is a much smaller alternative to hybrid style Image Reject Mixers and Single Sideband Upconverter assemblies. The HMC1056LP4BE eliminates the need for wire bonding and allows the use of surface mount manufacturing techniques.

APPLICATIONS

  • Point-to-Point and Point-to-Multi-Point Radio
  • Military Radar, EW & ELINT
  • Satellite Communications
  • Sensors

HMC1056
GaAs MMIC I/Q Mixer, 8 - 12 GHz
HMC1056 Functional Block Diagram
Add to myAnalog

Add product to the Products section of myAnalog (to receive notifications), to an existing project or to a new project.

Create New Project
Ask a Question

Documentation

Data Sheet 1

Data Sheet

This is the most up-to-date revision of the Data Sheet.

Learn More
Add to myAnalog

Add media to the Resources section of myAnalog, to an existing project or to a new project.

Create New Project

Software Resources

Can't find the software or driver you need?

Request a Driver/Software

Tools & Simulations

ADIsimRF

ADIsimRF is an easy-to-use RF signal chain calculator. Cascaded gain, noise, distortion and power consumption can be calculated, plotted and exported for signal chains with up to 50 stages. ADIsimRF also includes an extensive data base of device models for ADI’s RF and mixed signal components.

Open Tool

S-Parameter 1


Evaluation Kits

EVAL-HMC1056LP4B
HMC1056LP4B Evaluation Board

Latest Discussions

Recently Viewed