DS2148

NOT RECOMMENDED FOR NEW DESIGNS

5V E1/T1/J1 Line Interface

Viewing:

Overview

  • Complete E1, T1, or J1 line interface unit (LIU)
  • Supports both long- and short-haul trunks
  • Internal software-selectable receive-side termination for 75Ω/100Ω/120Ω
  • 5V power supply
  • 32-bit or 128-bit crystal-less jitter attenuator requires only a 2.048MHz master clock for both E1 and T1 with option to use 1.544MHz for T1
  • Generates the appropriate line build outs, with and without return loss, for E1 and DSX-1 and CSU line build outs for T1
  • AMI, HDB3, and B8ZS, encoding/decoding
  • 16.384MHz, 8.192MHz, 4.096MHz, or 2.048MHz clock output synthesized to recovered clock
  • Programmable monitor mode for receiver
  • Loopbacks and PRBS pattern generation/ detection with output for received errors
  • Generates/detects in-band loop codes, 1 to 16 bits including CSU loop codes
  • 8-bit parallel or serial interface with optional hardware mode
  • Multiplexed and nonmultiplexed parallel bus supports Intel or Motorola
  • Detects/generates blue (AIS) alarms
  • NRZ/bipolar interface for TX/RX data I/O
  • Transmit open-circuit detection
  • Receive Carrier Loss (RCL) indication (G.775)
  • High-Z State for TTIP and TRING
  • 50mA (rms) current limiter

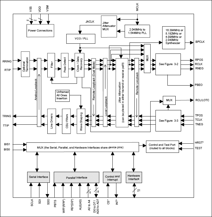
The DS2148 is a complete selectable E1 or T1 Line Interface Unit (LIU) for short- and long-haul applications. Throughout the data sheet, J1 is represented wherever T1 exists. Receive sensitivity adjusts automatically to the incoming signal and can be programmed for 0dB to 12dB or 0dB to 43dB for E1 applications and 0dB to 30dB or 0dB to 36dB for T1 applications. The device can generate the necessary G.703 E1 waveshapes in 75Ω or 120Ω applications and DSX-1 line build outs or CSU line build outs of 0dB, -7.5dB, -15dB, and -22.5dB for T1 applications. The crystal-less onboard jitter attenuator requires only a 2.048MHz MCLK for both E1 and T1 applications (with the option of using a 1.544MHz MCLK in T1 applications). The jitter attenuator FIFO is selectable to either 32 bits or 128 bits in depth and can be placed in either the transmit or receive data paths. An X 2.048MHz output clock synthesized to RCLK is available for use as a backplane system clock (where n = 1, 2, 4, or 8). The DS2148 has diagnostic capabilities such as loopbacks and PRBS pattern generation/detection. 16-bit loop-up and loop-down codes can be generated and detected. The device can be controlled via an 8-bit parallel muxed or nonmuxed port, serial port or used in hardware mode. The device fully meets all of the latest E1 and T1 specifications including ANSI T1.403-1999, ANSI T1.408, AT&T TR 62411, ITU G.703, G.704, G.706, G.736, G.775, G.823, I.431, O.151, O.161, ETSI ETS 300 166, JTG.703, JTI.431, JJ-20.1, TBR12, TBR13, and CTR4.

DS2148
5V E1/T1/J1 Line Interface
DS2148, DS21Q48: Block Diagram
Add to myAnalog

Add product to the Products section of myAnalog (to receive notifications), to an existing project or to a new project.

Create New Project
Ask a Question

Documentation

Learn More
Add to myAnalog

Add media to the Resources section of myAnalog, to an existing project or to a new project.

Create New Project

Tools & Simulations


Evaluation Kits

DK101

Low-Cost Demo Kit Motherboard

Features and Benefits

  • Connects PC-Based Demo Software to the Telecom IC(s) Under Evaluation
  • Provides Point-and-Click Access to All Telecom IC Registers and Features
  • 128kB of Flash Memory, 264kB of SRAM
  • Demo Software User Interface can be Customized with Simple Text Edits
  • Allows Download and Execution of Custom Firmware for Advanced Applications
  • Supports 3.3V and 5V Telecom ICs
  • On-Board Oscillators: 3.088MHz (2 x DS1), 16.384MHz (8 x E1), and 44.736MHz (DS3)
  • Four General-Purpose Switches Available for Use with Custom Firmware
  • Motorola ONCE/BDM Connector for Code Development and Debug

Product Details

The DK101 is a general-purpose demo kit platform for evaluating Dallas Semiconductor Telecom ICs. The ICs are mounted on daughter cards specifically designed to plug into the DK101's connector. The DK101 provides a microprocessor, flash- and SRAM-based program memory, various oscillators and support logic, and an RS-232 interface to a host PC. As shipped from the factory, the processor runs general-purpose firmware that executes reads and writes to the daughter card on behalf of PC-based demo software. Custom firmware can be downloaded and executed by the processor for advanced applications.

DK2000

High-Performance Demo Kit Motherboard

Features and Benefits

  • Interfaces with Up to Four Daughter Cards Simultaneously
  • Connects PC-Based Demo Software to the Telecom ICs Under Evaluation
  • Provides Point-and-Click Access to All Telecom IC Registers and Features
  • Demo Software User Interface can be Customized with Simple Text Edits
  • Supports Development of Telecom Firmware Before Target Board Design is Complete
  • 64MB of DRAM, 4MB of Flash Memory
  • Supports 5V, 3.3V, and 2.5V Telecom ICs
  • Hardware Support for Daughter Card-to-Daughter Card and Daughter Card-to-Processor TDM Data Streams
  • Hardware Support for UTOPIA II Interface
  • Side TIM Connector Provides Access to the PowerPC 60x Bus for High-Performance Applications
  • Provides Several Connectors for In-System Programming of Board Components

Product Details

The DK2000 is a powerful, flexible platform for evaluating Dallas Semiconductor Telecom ICs and developing related firmware. The ICs are mounted on daughter cards specifically designed to plug into the DK2000's four connectors. The DK2000 provides a Motorola MPC8260 PowerQUICC II communications processor, L2 cache, DRAM, flash memory, various clocks and support logic, and an RS-232 interface to a host PC. As shipped from the factory, the processor runs general-purpose firmware that executes reads and writes to the daughter cards on behalf of PC-based demo software.

DK101
Low-Cost Demo Kit Motherboard
DK2000
High-Performance Demo Kit Motherboard

Latest Discussions

No discussions on DS2148 yet. Have something to say?

Start a Discussion on EngineerZone®

Recently Viewed