ADL5363

Obsolete

2300 MHz TO 2900 MHz Balanced Mixer, LO Buffer and RF Balun

Viewing:

Overview

  • RF frequency range of 2300 MHz to 2900 MHz
  • IF frequency range of dc to 450 MHz
  • Power conversion loss: 7.7 dB
  • SSB noise figure of 7.6 dB
  • Input IP3 of 31 dBm
  • Typical LO drive of 0 dBm
  • Single-ended, 50 Ω RF and LO input ports
  • High isolation SPDT LO input switch
  • Single-supply operation: 3.3 V to 5 V
  • Exposed pad, 5 mm × 5 mm 20-lead LFCSP
  • 1500 V HBM/1250 V FICDM ESD performance

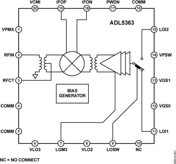
The ADL5363 uses a highly linear, doubly balanced passive mixer core along with integrated RF and local oscillator (LO) balancing circuitry to allow for single-ended operation. The ADL5363 incorporates an RF balun to provide optimal performance over a 2300 MHz to 2900 MHz input frequency range. The balanced passive mixer arrangement provides good LO-to-RF leakage, typically better than −30 dBm, and excellent intermodulation performance. The balanced mixer core also provides extremely high input linearity, allowing the device to be used in demanding cellular applications where in-band blocking signals might otherwise result in the degradation of dynamic performance.

The ADL5363 provides two switched LO paths that can be used in TDD applications where it is desirable to rapidly switch between two local oscillators. LO current can be externally set using a resistor to minimize dc current commensurate with the desired level of performance. For low voltage applications, the ADL5363 is capable of operation at voltages down to 3.3 V with substantially reduced current. For low voltage operation, an additional logic pin is provided to power down (<200 μA) the circuit when desired.

The ADL5363 is fabricated using a BiCMOS high performance IC process. The device is available in a 5 mm × 5 mm, 20-lead LFCSP and operates over a −40°C to +85°C temperature range. An evaluation board is also available.

Applications

  • Cellular base station receivers
  • Transmit observation receivers
  • Radio link downconverters

ADL5363
2300 MHz TO 2900 MHz Balanced Mixer, LO Buffer and RF Balun
ADL5363-FBL ADL5363-PC
Add to myAnalog

Add product to the Products section of myAnalog (to receive notifications), to an existing project or to a new project.

Create New Project
Ask a Question

Documentation

Learn More
Add to myAnalog

Add media to the Resources section of myAnalog, to an existing project or to a new project.

Create New Project

Software Resources

Can't find the software or driver you need?

Request a Driver/Software

Tools & Simulations

ADIsimRF

ADIsimRF is an easy-to-use RF signal chain calculator. Cascaded gain, noise, distortion and power consumption can be calculated, plotted and exported for signal chains with up to 50 stages. ADIsimRF also includes an extensive data base of device models for ADI’s RF and mixed signal components.

Open Tool

ADIsimPLL™

ADIsimPLL enables the rapid and reliable evaluation of new high performance PLL products from ADI. It is the most comprehensive PLL Synthesizer design and simulation tool available today. Simulations performed include all key non-linear effects that are significant in affecting PLL performance. ADIsimPLL removes at least one iteration from the design process, thereby speeding the design- to-market.

Open Tool

Evaluation Kits

EVAL-ADL5363

ADL5363 Evaluation Board

Product Details

ADL5363-EVALZ is a fully populated, 4-layer, Rogers 3003-based evaluation board. It requires a 5 V/100 mA or 3.3 V/60 mA power supply for normal operation. The power supply should be connected to the clip leads labeled VPOS and GND. All signal ports are populated with edge-mounted SMA connectors. RF-IN is the input port for down-converting evaluation, and the output port for up-converting evaluation. LO1_IN and LO2_IN are input ports for local oscillators. LO1_IN is enabled when the LOSEL clip lead is logic low. LO2_IN is enabled when LOSEL is pulled to logic high. IF1-OUT is the output port for up-converting evaluation, and the input port for up-converting evaluation. Power down feature is available for power supply at or under 3.6 V.

EVAL-ADL5363
ADL5363 Evaluation Board

Latest Discussions

Recently Viewed