ADH576S

RECOMMENDED FOR NEW DESIGNS

Aerospace, GaAs, MMIC, x2 Active Multiplier Chip, 18 GHz to 29 GHz Fout

Viewing:

Overview

  • High Output Power: +17 dBm
  • Low Input Power Drive: - 2 dBm to +6 dBm
  • Fo Isolation: > 20 dBc @ Fout = 24 GHz
  • 100 kHz SSB Phase Noise: -132 dBc/Hz
  • Single Supply: +5 V @ 82 mA
  • Die Size: 1.11 mm X 1.16 mm X 0.1 mm
  • Screened in accordance with MIL-PRF-38534, Class K  

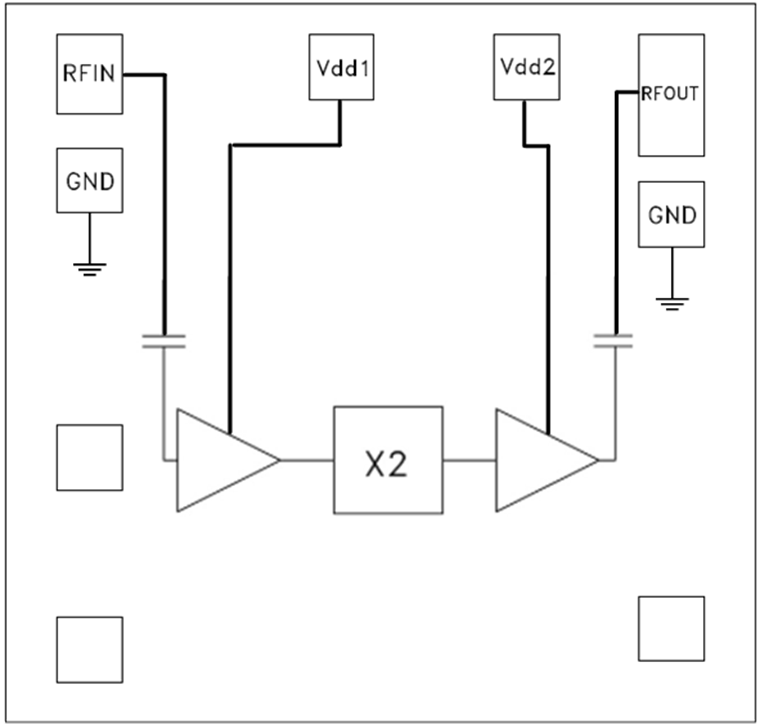
The ADH576S die is a x2 active broadband frequency multiplier utilizing GaAs PHEMT technology. When driven by a +3 dBm signal, the multiplier provides +17 dBm typical output power from 18 GHz to 29 GHz. The Fo and 3Fo isolations are >20 dBc and >30 dBc respectively at 24 GHz. The ADH576S is ideal for use in LO multiplier chains for Pt to Pt & VSAT Radios yielding reduced parts count vs. traditional approaches. The low additive SSB Phase Noise of -132 dBc/Hz at 100 kHz offset helps maintain good system noise performance.

Applications

  • Clock Generation
  • Point-to-point Radios
  • Instrumentation
  • Military & Space

ADH576S
Aerospace, GaAs, MMIC, x2 Active Multiplier Chip, 18 GHz to 29 GHz Fout
HMC8332 SID
Add to myAnalog

Add product to the Products section of myAnalog (to receive notifications), to an existing project or to a new project.

Create New Project
Ask a Question

Documentation

Learn More
Add to myAnalog

Add media to the Resources section of myAnalog, to an existing project or to a new project.

Create New Project

Software Resources

Can't find the software or driver you need?

Request a Driver/Software

Latest Discussions

No discussions on ADH576S yet. Have something to say?

Start a Discussion on EngineerZone®

Recently Viewed