ADG508F

PRODUCTION

8-Channel/4-Channel Fault Protected Analog Multiplexers

Viewing:

Overview

  • All switches off with power supply off
  • Latch-up proof construction
  • Low On Resistance (270 Ω typical)
  • Fast Switching Times
    ton 230 ns maximum
    toff 130 ns maximum
  • Analog output of on channel clamped within power supplies if an overvoltage occurs
  • Low power dissipation (3.3 mW maximum)
  • Fault and overvoltage protection (−40 V to +55 V)
  • Break-before-make construction
  • TTL and CMOS compatible inputs

The ADG508F and ADG509F are CMOS analog multiplexers, with the ADG508F comprising eight single channels and the ADG509F comprising four differential channels. These multiplexer provides fault protection. Using a series n-channel, p-channel, n-channel MOSFET structure, both device and signal source protection is provided in the event of an overvoltage or power loss. The multiplexer can withstand continuous overvoltage inputs from -40 V to +55 V. During fault conditions with power supplies off, the multiplexer input (or output) appears as an open circuit and only a few nanoamperes of leakage current will flow. This protects not only the multiplexer and the circuitry driven by the multiplexer, but also protects the sensors or signal sources that drive the multiplexer.

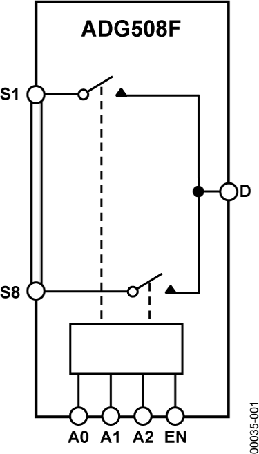
The ADG508F switches one of eight inputs to a common output as determined by the 3-bit binary address lines A0, A1 and A2. The ADG509F switches one of four differential inputs to a common differential output as determined by the 2-bit binary address lines A0 and A1. An EN input on each device is used to enable or disable the device. When disabled, all channels are switched OFF.

PRODUCT HIGHLIGHTS

  1. Fault protection. The ADG508F/ADG509F can withstand continuous voltage inputs from −40 V to +55 V. When a fault occurs due to the power supplies being turned off, all the channels are turned off and only a leakage current of a few nanoamperes flows.
  2. On channel saturates while fault exists.
  3. Low RON.
  4. Fast switching times.
  5. Break-before-make switching. Switches are guaranteed break-before-make so that input signals are protected against momentary shorting.
  6. Trench isolation eliminates latch-up. A dielectric trench separates the p and n-channel MOSFETs thereby preventing latch-up.

APPLICATIONS

  • Existing multiplexer applications (both fault-protected and nonfault-protected)
  • New designs requiring multiplexer functions

ADG508F
8-Channel/4-Channel Fault Protected Analog Multiplexers
ADG508F Functional Block Diagram ADG508F Pin Configuration
Add to myAnalog

Add product to the Products section of myAnalog (to receive notifications), to an existing project or to a new project.

Create New Project
Ask a Question

Documentation

Learn More
Add to myAnalog

Add media to the Resources section of myAnalog, to an existing project or to a new project.

Create New Project

Software Resources

Can't find the software or driver you need?

Request a Driver/Software

Hardware Ecosystem

Parts Product Life Cycle Description
ADG5248F PRODUCTION User Defined Fault Protection and Detection, 0.8 pC QINJ, 8:1 Multiplexer
ADG5208F RECOMMENDED FOR NEW DESIGNS

Fault Protection, −0.4 pC QINJ, 8:1/Dual 4:1 Multiplexers

Modal heading
Add to myAnalog

Add product to the Products section of myAnalog (to receive notifications), to an existing project or to a new project.

Create New Project

Tools & Simulations


Evaluation Kits

eval board
EVAL-16TSSOP

Evaluation Board for 16 lead TSSOP Devices in the Switch/Mux Portfolio

Features and Benefits

  • 16 lead TSSOP evaluation board
  • Clamp to allow the main device to be changed easily
  • Gold pin connectors to allow the addition of passive components
  • SMB connectors for the input/output of signals
  • Additional space on board to allow for prototyping

Product Details

The EVAL-16TSSOPEBZ evaluation board evaluates 16-lead TSSOP devices in the Switches and Multiplexers Portfolio that are purchased separately. A clamp is supplied with the EVAL-16TSSOPEBZ to secure a 16-lead TSSOP device to the evaluation board without the need for soldering, making the board reusable for multiple devices.

A 16-lead TSSOP device can be clamped or soldered to the center of the evaluation board. Each pin of the device has a corresponding link from K1 to K16 that can be set to either VDD or GND. A wire screw terminal supplies VDD and GND. SMB connectors on the board allow additional external signals to be supplied to the device. In addition, there is space available at the top of the board for prototyping.

Full specifications of the device under test (DUT) are available in the corresponding product data sheet, which should be consulted in conjunction with this user guide when using the evaluation board.

EVAL-16TSSOP
Evaluation Board for 16 lead TSSOP Devices in the Switch/Mux Portfolio
EVAL-16TSSOPEBZ Image

Latest Discussions

Recently Viewed