ADCMP607

PRODUCTION

Rail-to-Rail, Very Fast, 2.5 V to 5.5 V, Single-Supply CML Comparator in a 12-lead LSCFP Package

Viewing:

Overview

  • Fully specified rail to rail at VCCI = 2.5 V to 5.5 V
  • Input common-mode voltage from −0.2 V to VCCI + 0.2 V
  • CML-compatible output stage
  • 1.25 ns propagation delay
  • 50 mW at 2.5 V power supply
  • Shutdown pin
  • Single-pin control for programmable hysteresis and latch
  • Power supply rejection > 60 dB
  • −40°C to +125°C operation

The ADCMP606 and ADCMP607 are very fast comparators fabricated on XFCB2, an Analog Devices, Inc., proprietary process. These comparators are exceptionally versatile and easy to use. Features include an input range from VEE − 0.5 V to VCCI + 0.2 V, low noise, CML-compatible output drivers, and TTL-/CMOS-compatible latch inputs with adjustable hysteresis and/or shutdown inputs.

The devices offer 1.25 ns propagation delay with 2.5 ps rms random jitter (RJ). Overdrive and slew rate dispersion are typically less than 50 ps.

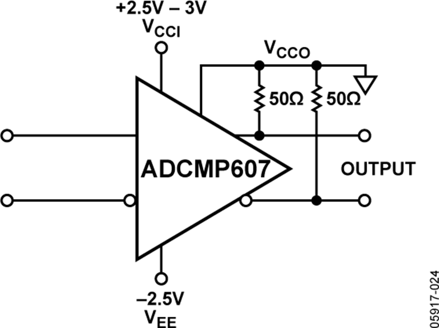
A flexible power supply scheme allows the devices to operate with a single +2.5 V positive supply and a −0.5 V to +2.7 V input signal range up to a +5.5 V positive supply with a −0.5 V to +5.7 V input signal range. The ADCMP607 features split input/output supplies with no sequencing restrictions to support a wide input signal range with independent output swing control and power savings.

The CML-compatible output stage is fully back-matched for superior performance. The comparator input stage offers robust protection against large input overdrive, and the outputs do not phase reverse when the valid input signal range is exceeded. On the ADCMP607, latch and programmable hysteresis features are also provided with a unique single-pin control option.

The ADCMP606 is available in a 6-lead SC70 package and the ADCMP607 is available in a 12-lead LFCSP package.

Applications

  • High speed instrumentation
  • Clock and data signal restoration
  • Logic level shifting or translation
  • Pulse spectroscopy
  • High speed line receivers
  • Threshold detection
  • Peak and zero-crossing detectors
  • High speed trigger circuitry
  • Pulse-width modulators
  • Current-/voltage-controlled oscillators
  • Automatic test equipment (ATE)

ADCMP607
Rail-to-Rail, Very Fast, 2.5 V to 5.5 V, Single-Supply CML Comparator in a 12-lead LSCFP Package
ADCMP606/ADCMP607 Functional Block Diagram ADCMP607 Pin Configuration ADCMP607 Current-Controlled Oscillator ADCMP607: Fake PECL Levels Using a Series Diode ADCMP607: Hysteresis Adjustment with Latch ADCMP607: Ground-Referenced CML with ±3 V Input Range
Add to myAnalog

Add product to the Products section of myAnalog (to receive notifications), to an existing project or to a new project.

Create New Project
Ask a Question

Documentation

Learn More
Add to myAnalog

Add media to the Resources section of myAnalog, to an existing project or to a new project.

Create New Project

Software Resources

Can't find the software or driver you need?

Request a Driver/Software

Evaluation Kits

EVAL-ADCMP607
ADCMP607 Evaluation Board

Latest Discussions

Recently Viewed