Two engineers working in the lab

Save time and deliver your solutions faster with ADI’s new suite of precision technology signal chains. Align your applications ranging from Smart Industry to Instrumentation, Electrification to Digital Health, to exactly the right precision technology combinations.

Tailor your signal chain with confidence

AD8224

PRODUCTION

Precision, Dual-Channel, JFET Input, Rail-to-Rail Instrumentation Amplifier

Viewing:

Overview

  • Two channels in a small 4 mm × 4 mm LFCSP
  • Custom LFCSP package with hidden paddle
    • Permits routing and vias underneath package
    • Allows full bias current performance
  • Low input currents
    • 10 pA maximum input bias current (B grade)
    • 0.6 pA maximum input offset current (B grade)
  • High CMRR
    • 100 dB CMRR (minimum), G = 10 (B grade)
    • 90 dB CMRR (minimum) to 10 kHz, G = 10 (B grade)
  • Excellent ac specifications and low power
    • 1.5 MHz bandwidth (G = 1)
    • 14 nV/√Hz input noise (1 kHz)
    • Slew rate: 2 V/µs
    • 750 µA quiescent current per amplifier
  • Versatility
    See the AD8224 data sheet for details

The AD8224 is the first single-supply, JFET input instrumentation amplifier available in the space-saving 16-lead, 4 mm × 4 mm LFCSP. It requires the same board area as a typical single instrumentation amplifier yet doubles the channel density and offers a lower cost per channel without compromising performance.

Designed to meet the needs of high performance, portable instrumentation, the AD8224 has a minimum common-mode rejection ratio (CMRR) of 86 dB at dc and a minimum CMRR of 80 dB at 10 kHz for G = 1. Maximum input bias current is 10 pA and typically remains below 300 pA over the entire industrial temperature range. Despite the JFET inputs, the AD8224 typically has a noise corner of only 10 Hz.

With the proliferation of mixed-signal processing, the number of power supplies required in each system has grown.

Designed to alleviate this problem, the AD8224 can operate on a ±18 V dual supply, as well as on a single +5 V supply. The device’s rail-to-rail output stage maximizes dynamic range on the low voltage supplies common in portable applications. Its ability to run on a single 5 V supply eliminates the need for higher voltage, dual supplies. The AD8224 draws 750 μA of quiescent current per amplifier, making it ideal for battery powered devices.

In addition, the AD8224 can be configured as a single-channel, differential output, instrumentation amplifier. Differential outputs provide high noise immunity, which can be useful when the output signal must travel through a noisy environment, such as with remote sensors. The configuration can also be used to drive differential input ADCs.

For a single-channel version, use the AD8220.

Applications

  • Medical instrumentation
  • Precision data acquisition
  • Transducer interfaces
  • Differential drives for high resolution input ADCs
  • Remote sensors

AD8224
Precision, Dual-Channel, JFET Input, Rail-to-Rail Instrumentation Amplifier
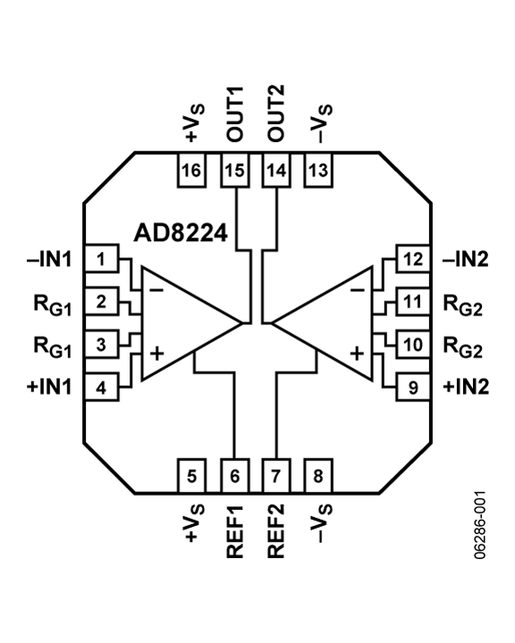
AD8224 Functional Block Diagram AD8224 Pin Configuration
Add to myAnalog

Add product to the Products section of myAnalog (to receive notifications), to an existing project or to a new project.

Create New Project
Ask a Question

Documentation

Learn More
Add to myAnalog

Add media to the Resources section of myAnalog, to an existing project or to a new project.

Create New Project

Software Resources

Can't find the software or driver you need?

Request a Driver/Software

Tools & Simulations

LTspice


Models for the following parts are available in LTspice:

  • AD8224

In-Amp Diamond Plot Tool

The Diamond Plot Tool is a web application that generates a configuration-specific Output Voltage Range vs. Input Common-Mode Voltage graph, also known as the Diamond Plot, for Analog Devices Instrumentation Amplifiers. Based on user inputs such as supply voltage, gain, and input signal range, the tool detects saturation and recommends in-amps for which the input signal is in-range and the configuration is valid. Avoid saturation, find the best in-amp for your design, and save time.

Open Tool

ADI Circuit Explorer™

ADI Circuit Explorer™ uses AI to interpret natural language prompts and search a database of validated analog circuit designs, helping you quickly find the best match for your needs.

Open Tool

Signal Chain Designer

Signal Chain Designer is a web-based tool designed to create and simulate complex precision signal chains. See your circuit’s performance before you commit to your PCB: transfer function, noise, power consumption, input range, and DC error. Quickly experiment with different parts and architectures. Signal chains can be exported to LTspice for further analysis.

Open Tool

SPICE Model 1

LTspice

LTspice® is a powerful, fast and free simulation software, schematic capture and waveform viewer with enhancements and models for improving the simulation of analog circuits.


Evaluation Kits

EVAL-AD8224

AD8224 Evaluation Board

Product Details

The AD8224-EVALZ has two AD8224 instrumentation amplifier circuits: one circuit is configured for dual-channel operation, and the other is configured for single-channel, differential output operation. The inputs, outputs, references, and supplies are routed to screw terminals for easy connectivity. See AD8224-EVALZ data sheet for further details.


EVAL-AD8224
AD8224 Evaluation Board

Latest Discussions

Recently Viewed