Two engineers working in the lab

Save time and deliver your solutions faster with ADI’s new suite of precision technology signal chains. Align your applications ranging from Smart Industry to Instrumentation, Electrification to Digital Health, to exactly the right precision technology combinations.

Tailor your signal chain with confidence

AD624

NOT RECOMMENDED FOR NEW DESIGNS

High Precision, Low Noise Instrumentation Amplifier

Viewing:

Overview

  • Low Noise: 0.2 µV p-p 0.1 Hz to 10 Hz
  • Low Gain TC: 5 ppm max (G = 1)
  • Low Nonlinearity: 0.001% max (G = 1 to 200)
  • High CMRR: 130 dB min (G = 500 to 1000)
  • Pin Programmable Gains of
    1, 100, 200, 500, 1000
  • Low Input Offset Voltage: 25 µV, max
  • Low Input Offset Voltage Drift: 0.25 µV/°C max
  • Gain Bandwidth Product: 25 MHz
  • No External Components Required
  • Internally Compensated

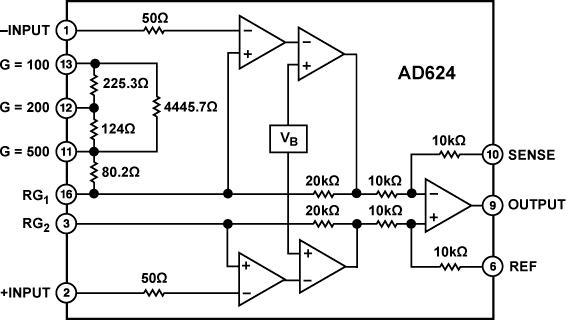
The AD624 is a high precision, low noise, instrumentation amplifier designed primarily for use with low level transducers, including load cells, strain gauges and pressure transducers. An combination of low noise, high gain accuracy, low gain temperature coefficient and high linearity make the AD624 ideal for use in high resolution data acquisition systems.

The AD624C has an input offset voltage drift of less than 0.25 µV/°C, output offset voltage drift of less than 10 µV/°C, CMRR above 80 dB at unity gain (130 dB at G = 500) and a maximum nonlinearity of 0.001% at G = 1. In addition to these outstanding dc specifications, the AD624 exhibits superior ac performance as well. A 25 MHz gain bandwidth product, 5 V/µs slew rate and 15 µs settling time permit the use of the AD624 in high speed data acquisition applications.

The AD624 does not need any external components for trimmed gains of 1, 100, 200, 500 and 1000. Additional gains such as 250 and 333 can be programmed within one percent accuracy with external jumpers. A single external resistor can also be used to set the 624's gain to any value in the range of 1 to 10,000.

AD624
High Precision, Low Noise Instrumentation Amplifier
AD624-fbl
Add to myAnalog

Add product to the Products section of myAnalog (to receive notifications), to an existing project or to a new project.

Create New Project
Ask a Question

Documentation

Learn More
Add to myAnalog

Add media to the Resources section of myAnalog, to an existing project or to a new project.

Create New Project

Software Resources

Can't find the software or driver you need?

Request a Driver/Software

Tools & Simulations

In-Amp Error Calculator

These tools will help estimate error contributions in your instrumentation amplifier circuit. It uses input parameters such as temperature, gain, voltage input, and source impedance to determine the errors that can contribute to your overall design.

Open Tool

AD624 SPICE Macro Models 5

Latest Discussions

Recently Viewed