AD5755
NOT RECOMMENDED FOR NEW DESIGNSQuad Channel, 16-Bit, Serial Input, 4 mA to 20 mA and Voltage Output DAC, Dynamic Power Control
- Part Models
- 4
- 1ku List Price
- Starting From $19.32
Overview
- 16-bit resolution and monotonicity
- Dynamic power control for thermal management
- Current and voltage output pins connectable to a single terminal
- Current output ranges: 0 mA to 20 mA, 4 mA to 20 mA, or 0 mA to 24 mA
- ±0.05% total unadjusted error (TUE) maximum
- Voltage output ranges (with 20% overrange): 0 V to 5 V, 0 V to 10 V, ±5 V, and ±10 V
- ±0.04% total unadjusted error (TUE) maximum
- User programmable offset and gain
- On-chip diagnostics
- On-chip reference (±10 ppm/°C maximum)
- −40°C to +105°C temperature range
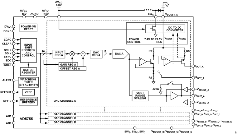
The AD5755 is a quad, voltage and current output DAC that operates with a power supply range from −26.4 V to +33 V.
On-chip dynamic power control minimizes package power dissipation in current mode. This is achieved by regulating the voltage on the output driver from 7.4 V to 29.5 V using a dc-to-dc boost converter optimized for minimum on chip power dissipation.
The part uses a versatile 3-wire serial interface that operates at clock rates of up to 30 MHz and is compatible with standard SPI, QSPI™, MICROWIRE™, DSP, and microcontroller inter-face standards. The interface also features optional CRC-8 packet error checking, as well as a watchdog timer that monitors activity on the interface.
Product Highlights
- Dynamic power control for thermal management.
- 16-bit performance.
- Multichannel.
Applications
- Process control
- Actuator control
- PLCs
Documentation
Data Sheet 1
User Guide 1
Application Note 3
Technical Articles 2
Video 2
Device Drivers 2
Solutions Bulletin & Brochure 2
Analog Dialogue 2
ADI has always placed the highest emphasis on delivering products that meet the maximum levels of quality and reliability. We achieve this by incorporating quality and reliability checks in every scope of product and process design, and in the manufacturing process as well. "Zero defects" for shipped products is always our goal. View our quality and reliability program and certifications for more information.
| Part Model | Pin/Package Drawing | Documentation | CAD Symbols, Footprints, and 3D Models |
|---|---|---|---|
| AD5755ACPZ | 64-Lead LFCSP (9mm x 9mm w/ EP) | ||
| AD5755ACPZ-REEL7 | 64-Lead LFCSP (9mm x 9mm w/ EP) | ||
| AD5755BCPZ | 64-Lead LFCSP (9mm x 9mm w/ EP) | ||
| AD5755BCPZ-REEL7 | 64-Lead LFCSP (9mm x 9mm w/ EP) |
| Part Models | Product Lifecycle | PCN |
|---|---|---|
|
Sep 23, 2014 - 14_0041 AD5755/AD5735, AD5757/AD5737 and AD5755-1: Change to PEC, Readback Operation and Recommended External Diode |
||
| AD5755ACPZ | ||
| AD5755ACPZ-REEL7 | ||
| AD5755BCPZ | ||
| AD5755BCPZ-REEL7 | ||
This is the most up-to-date revision of the Data Sheet.
Software Resources
Device Drivers 2
FPGA/HDL 2
Evaluation Software 0
Can't find the software or driver you need?
Hardware Ecosystem
| Parts | Product Life Cycle | Description |
|---|---|---|
| Data Isolators 3 | ||
| ADUM1410 | PRODUCTION | Quad-Channel Digital Isolators |
| ADUM1411 | PRODUCTION | Quad-Channel Digital Isolator |
| ADUM1400 | PRODUCTION | Quad-Channel Digital Isolator (4/0 Channel Directionality) |
| Switching Regulators & Controllers 2 | ||
| ADP2302 | PRODUCTION | 2A, 700KHz NonSynchronous Step-Down DC-DC Switching Regulator |
| ADP2303 | PRODUCTION | 3A, 700KHz NonSynchronous Step-Down DC-DC Switching Regulator |
| Voltage References 3 | ||
| ADR435 | PRODUCTION | Ultralow Noise XFET® Voltage References with Current Sink and Source Capability |
| ADR445 | PRODUCTION | Ultralow Noise, LDO XFET® 5.0V Voltage Reference w/Current Sink and Source |
| ADR02 | PRODUCTION | Ultracompact, Precision 5.0 V Voltage Reference |
| Parts | Product Life Cycle | Description |
|---|---|---|
| AD5755-1 | PRODUCTION |
Quad Channel, 16-Bit, Serial Input, 4 mA to 20 mA and Voltage Output DAC, Dynamic Power Control, HART Connectivity |