AD5392
PRODUCTION8-Channel 3 V/5 V Serial Input Single-Supply 14-Bit Voltage-Output
- Part Models
- 2
- 1ku List Price
- Starting From $28.22
Overview
- AD5390: 16-channel, 14-bit voltage output DAC
- AD5391: 16-channel, 12-bit voltage output DAC
- AD5392: 8-channel, 14-bit voltage output DAC
- Guaranteed monotonic
- INL
±1 LSB max (AD5391)
±3 LSB max (AD5390-5/AD5392-5)
±4 LSB max (AD5390-3/AD5392-3) - On-chip 1.25 V/2.5 V, 10 ppm/°C reference
- Temperature range: −40°C to +85°C
- Rail-to-rail output amplifier
- Power-down mode
- Package types
- 64-lead LFCSP (9 mm × 9 mm)
- 52-lead LQFP (10 mm × 10 mm)
- User interfaces
- See data sheet for additional features
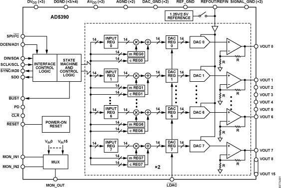
The AD5390 / AD5391 are complete single-supply, 16-channel, 14-bit and 12-bit DACs, respectively. The AD5392 is a complete single-supply, 8-channel, 14-bit DAC. The devices are available in either a 64-lead LFCSP or a 52-lead LQFP. All channels have an on-chip output amplifier with rail-to-rail operation. All devices include an internal 1.25/2.5 V, 10 ppm/°C reference, an on-chip channel monitor function that multiplexes the analog outputs to a common MON_OUT pin for external monitoring, and an output amplifier boost mode that optimizes the output amplifier slew rate.
The AD5390 / AD5391 / AD5392 contain a 3-wire serial interface with interface speeds in excess of 30 MHz that are compatible with SPI®, QSPI™, MICROWIRE™, and DSP interface standards and an I2C-compatible interface supporting a 400 kHz data transfer rate.
An input register followed by a DAC register provides double-buffering, allowing DAC outputs to be updated independently or simultaneously using the LDAC input. Each channel has a programmable gain and offset adjust register, letting the user fully calibrate any DAC channel.
Power consumption is typically 0.25 mA per channel.
APPLICATIONS
- Instrumentation and industrial control
- Power amplifier control
- Level setting (ATE)
- Control systems
- Microelectromechanical systems (MEMS)
- Variable optical attenuators (VOAs)
- Optical transceivers (MSA 300, XFP)
Documentation
Data Sheet 1
User Guide 1
Application Note 3
Technical Articles 1
Product Highlight 1
Solutions Bulletin & Brochure 1
Product Highlight 1
ADI has always placed the highest emphasis on delivering products that meet the maximum levels of quality and reliability. We achieve this by incorporating quality and reliability checks in every scope of product and process design, and in the manufacturing process as well. "Zero defects" for shipped products is always our goal. View our quality and reliability program and certifications for more information.
| Part Model | Pin/Package Drawing | Documentation | CAD Symbols, Footprints, and 3D Models |
|---|---|---|---|
| AD5392BCPZ-5 | 64-Lead LFCSP (9mm x 9mm w/ EP) | ||
| AD5392BSTZ-5 | 52-Lead LQFP (10mm x 10mm) |
| Part Models | Product Lifecycle | PCN |
|---|---|---|
|
Jun 9, 2021 - 20_0126 Conversion of Select Sizes LFCSP Products from Punched to Sawn and Transfer of Assembly Site to ASE Korea |
||
| AD5392BCPZ-5 | PRODUCTION | |
|
Jul 17, 2014 - 14_0168 AD5390/AD5391/AD5392 Data Sheet Timing Corrections and Power Supply Sequencing Information added. |
||
| AD5392BCPZ-5 | PRODUCTION | |
| AD5392BSTZ-5 | PRODUCTION | |
|
May 16, 2012 - 11_0314 AD5390/1/2 Redesign and Fab Process Change |
||
| AD5392BCPZ-5 | PRODUCTION | |
| AD5392BSTZ-5 | PRODUCTION | |
|
Dec 5, 2011 - 11_0247 Addition of STATS ChipPAC Singapore as an Alternate Assembly Source for the 9x9mm LFCSP Package. |
||
| AD5392BCPZ-5 | PRODUCTION | |
|
Jan 5, 2009 - 07_0077 Certification of STATSChipPAC Shanghai, China and AMKOR Philippines as additional sources for Assembly & Test of QFP Packages |
||
| AD5392BSTZ-5 | PRODUCTION | |
This is the most up-to-date revision of the Data Sheet.
Software Resources
Can't find the software or driver you need?
Request a Driver/SoftwareTools & Simulations
Precision DAC Error Budget Tool
The Precision DAC Error Budget Tool is a web application that calculates the DC Accuracy of precision DAC signal chains. It shows how the static errors accumulate throughout your signal chain to quickly evaluate the design tradeoffs. Calculations include the DC errors introduced by Voltage References, Operation Amplifiers and Precision DACs.
Open ToolADIsimDDS (Direct Digital Synthesis)
ADIsimDDS uses mathematical equations to model and illustrate the overall performance of the selected device. ADIsimDDS calculates the required FTW, given the reference clock frequency and desired output frequency. This tool also models an estimate of the overall spectral performance, and allows the user to explore the effects of external reconstruction filters.
Open Tool