AD5380

PRODUCTION

40-Channel 14-Bit 3 V/5 V Single-Supply Voltage-Output DAC

Viewing:

Overview

  • Guaranteed Monotonic
  • INL error: ±4 LSB max
  • On-Chip 1.25 V/2.5 V Reference
  • With 10 ppm/ºC reference
  • Temperature range: –40°C to +85°C
  • Rail-to-rail output amplifier
  • Robust 6.5 kV HBM and 2 kV FICDM ESD rating
  • User interfaces: Parallel Serial
    (SPI®-, QSPI-, MICROWIRE-, DSP-compatible, featuring data readback)
    I2C®-compatible

INTEGRATED FUNCTIONS

  • Channel monitor
  • Simultaneous output update via LDAC
  • Clear function to user programmable code
  • Amplifier boost mode to optimize slew rate
  • User programmable offset and gain adjust
  • Toggle mode enables square wave generation
  • Thermal monitor

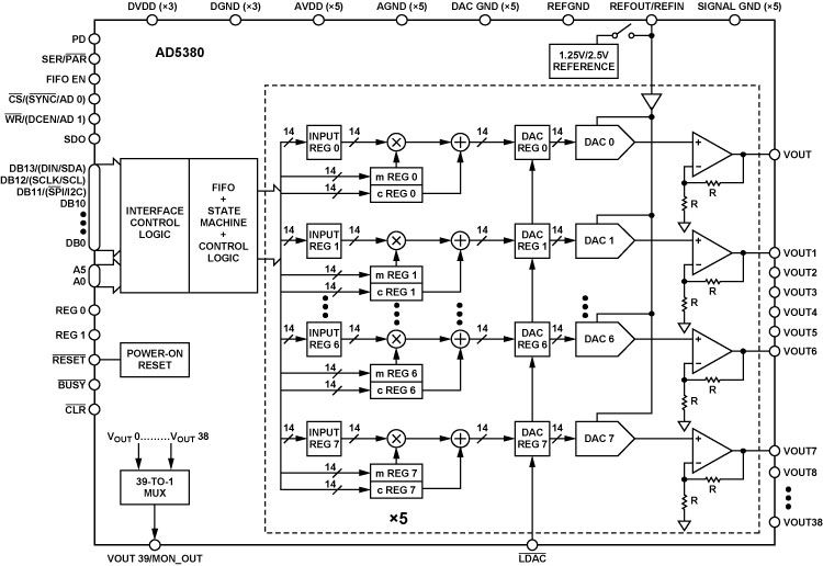
The AD5380 is a complete, single-supply, 40-channel, 14-bit DAC available in a 100-lead LQFP package. All 40 channels have an on-chip output amplifier with rail-to-rail operation. The AD5380 includes a programmable internal 1.25 V/2.5 V, 10 ppm/°C reference, an on-chip channel monitor function that multiplexes the analog outputs to a common MON_OUT pin for external monitoring, and an output amplifier boost mode that allows optimization of the amplifier slew rate. The AD5380 contains a double-buffered parallel interface that features a 20 ns WR pulse width, an SPI-, QSPI-, -MICROWIRE, -DSP compatible serial interface with interface speeds in excess of 30 MHz, and an I2C-compatible interface that supports a 400 kHz data transfer rate.

An input register followed by a DAC register provides double buffering, allowing the DAC outputs to be updated independently or simultaneously using the LDAC input.

Each channel has a programmable gain and offset adjust register that allows the user to fully calibrate any DAC channel. Power consumption is typically 0.25 mA/channel with boost off.

APPLICATIONS

  • Variable optical attenuators (VOA)
  • Level setting (ATE)
  • Optical micro-electro-mechanical systems (MEMS)
  • Control systems
  • Instrumentation

AD5380
40-Channel 14-Bit 3 V/5 V Single-Supply Voltage-Output DAC
AD5380 Functional Block Diagram AD5380 Pin Configuration
Add to myAnalog

Add product to the Products section of myAnalog (to receive notifications), to an existing project or to a new project.

Create New Project
Ask a Question

Documentation

Learn More
Add to myAnalog

Add media to the Resources section of myAnalog, to an existing project or to a new project.

Create New Project

Software Resources


Tools & Simulations

Precision DAC Error Budget Tool

The Precision DAC Error Budget Tool is a web application that calculates the DC Accuracy of precision DAC signal chains. It shows how the static errors accumulate throughout your signal chain to quickly evaluate the design tradeoffs. Calculations include the DC errors introduced by Voltage References, Operation Amplifiers and Precision DACs.

Open Tool

Evaluation Kits

eval board
EVAL-AD5380

AD5380 Evaluation Board

Product Details

The evaluation board allows the functionality and performance of the AD5380 to be easily evaluated. The evaluation board can be used as a stand alone board with control coming from an external DSP or micro-controller or it can be connected to a PC. Software is provided which can be used to program the registers of the AD5380. Control of the AD5380 is achieved via a USB interface.

This device is pin-to-pin compatible with the AD5381

EVAL-AD5380
AD5380 Evaluation Board
EVAL-AD5380SDZANGLE-web EVAL-AD5380SDZBOTTOM-web EVAL-AD5380SDZTOP-web

Latest Discussions

Recently Viewed