HMC824

LAST TIME BUY

Fractional-N PLL with Integrated VCO SMT, 780 - 870 MHz

Viewing:

Overview

  • RF Bandwidth: 780 to 870 MHz
  • Ultra Low Phase Noise -110 dBc/Hz in Band Typ.
  • Figure of Merit (FOM) -227 dBc
  • < 180 fs RMS Jitter
  • 24-bit Step Size, Resolution 3 Hz typ
  • Exact Frequency Mode
  • Built-in Digital Self Test
  • 40 Lead 6×6mm SMT Package: 36mm2

The HMC824LP6CE is a fully functioned Fractional-N Phase-Locked-Loop (PLL) Frequency Synthesizer with an Integrated Voltage Controlled Oscillator (VCO). The synthesizer consists of an integrated low noise VCO with divide-by-2 output, an autocalibration subsystem for low voltage VCO tuning, a very low noise digital Phase Detector (PD), a precision controlled charge pump, a low noise reference path divider and a fractional divider.

The fractional synthesizer features an advanced delta-sigma modulator design that allows both ultra-fine step sizes and low spurious products. The phase detector (PD) features cycle slip prevention (CSP) technology to allow faster frequency hopping times. Ultra low in-close phase noise and low spurious also allows wider loop bandwidths for faster frequency hopping and low micro-phonics.

For theory of operation and register map refer to the “PLLs with Integrated VCOs - RF VCOs Operating Guide”. To view the Operating Guide, please visit www.hittite.com and choose HMC824LP6CE from the “Search by Part Number” pull down menu.

APPLICATIONS

  • Cellular/4G Infrastructure
  • Repeaters and Femtocells
  • Communications Test Equipment
  • CATV Equipment
  • Phased Array Applications
  • DDS Replacement 
  • Very High Data Rate Radios

HMC824
Fractional-N PLL with Integrated VCO SMT, 780 - 870 MHz
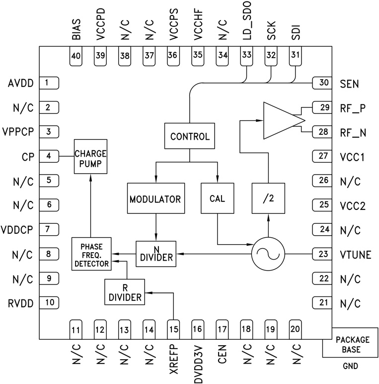
HMC824LP6C Functional Block Diagram
Add to myAnalog

Add product to the Products section of myAnalog (to receive notifications), to an existing project or to a new project.

Create New Project
Ask a Question

Documentation

Learn More
Add to myAnalog

Add media to the Resources section of myAnalog, to an existing project or to a new project.

Create New Project

Software Resources

Can't find the software or driver you need?

Request a Driver/Software

Hardware Ecosystem

Parts Product Life Cycle Description
Comparators 1
LTC6957 Low Phase Noise, Dual Output Buffer/Driver/Logic Converter
Phase-Locked Loop (PLL) Synthesizers 1
HMC1031 LAST TIME BUY 0.1 MHz to 500 MHz Clock Generator with Integer N PLL
Modal heading
Add to myAnalog

Add product to the Products section of myAnalog (to receive notifications), to an existing project or to a new project.

Create New Project

Evaluation Kits

EVAL-HMC824LP6CE
HMC824LP6CE Evaluation Board
HMC821 Evaluation Board HMC821 Evaluation Board - Top View HMC821 Evaluation Board - Bottom View

Latest Discussions

Recently Viewed