Quantic X-Microwave

Analog Devices RF and microwave components are available as drop-in X-MWblocks®
from Quantic X-Microwave.

Get the X-MWblock® drop-in module for this part.

HMC652LP2E

PRODUCTION

Fixed Passive SMT Attenuator, DC - 25 GHz

Viewing:

Overview

  • 4 Attenuator Products:
  • 2, 3, 4 & 6 dB Fixed Attenuation Levels
  • Wide Bandwidth: DC - 25 GHz
  • Excellent Attenuation Accuracy
  • Power Handling: +25 dBm
  • 6 Lead 2×2mm SMT Package: 4mm2

The HMC652LP2E / 653LP2E / 654LP2E / 655LP2E are a line of wideband fixed value SMT 50 Ohm matched attenuators which offer attenuation levels of 2, 3, 4 and 6 dB respectively. These passive attenuators are ideal for military, test equipment, and other wideband applications where extremely flat attenuation, and excellent VSWR vs. frequency are required.

These wideband attenuators handle up to +25 dBm of input power, and are compatible with high volume surface mount manufacturing techniques.

APPLICATIONS

  • Fiber Optics
  • Microwave Radio
  • Military & Space
  • Test & Measurement
  • Scientific Instruments
  • RF/Microwave Circuit Prototyping

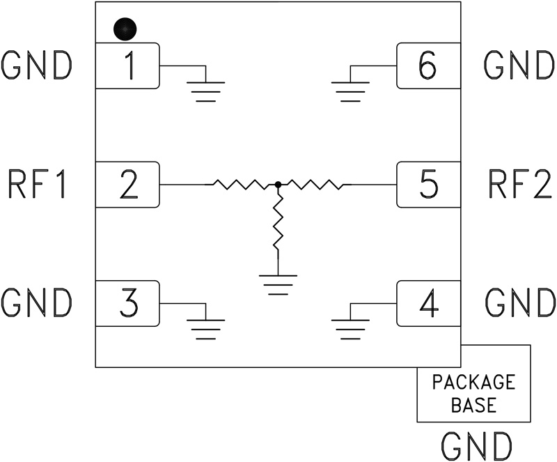
HMC652LP2E
Fixed Passive SMT Attenuator, DC - 25 GHz
HMC652LP2 Functional Block Diagram
Add to myAnalog

Add product to the Products section of myAnalog (to receive notifications), to an existing project or to a new project.

Create New Project
Ask a Question

Documentation

Data Sheet 1

Data Sheet

This is the most up-to-date revision of the Data Sheet.

Learn More
Add to myAnalog

Add media to the Resources section of myAnalog, to an existing project or to a new project.

Create New Project

Software Resources

Can't find the software or driver you need?

Request a Driver/Software

Tools & Simulations

ADIsimRF

ADIsimRF is an easy-to-use RF signal chain calculator. Cascaded gain, noise, distortion and power consumption can be calculated, plotted and exported for signal chains with up to 50 stages. ADIsimRF also includes an extensive data base of device models for ADI’s RF and mixed signal components.

Open Tool

S-Parameter 1


Evaluation Kits

eval board
X-Band Phased Array Platform

Scalable 32 Element Hybrid Beamforming Phased-Array RADAR Development Platform

Features and Benefits

Stingray X/Ku Phased Array Proto-typing Board
  • 32 Channel Analog Phased Array Prototyping Platform
  • 8x ADAR1000 Analog Phased Array Beamforming ICs
  • 32x ADTR Transmit/Receive ICs
  • RF In, RF Out Design
  • Individual RFIO for each BFIC
  • 10 GHz Lattice Spacing
  • Stand-Alone RF Detector/ADC Combo for Calibration
  • PMOD and SDP Connectors for Programming
  • On-Board Power Regulation from Single 12V Power Adapter (Included)

XUD1A X/C Band Up/Down Converter
  • X Band (RF) to C Band (IF) up/down converter
  • 4 TX/RX RF Input/Output via SMA
  • 4 TX IF Inputs via SMPM
  • 4 RX IF Output via SMPM
  • External LO or Internal PLL Options
  • PMOD Connector for Programming
  • Interposer Board via PMOD to allow SDP and FMC Connectors for Programming
  • On-Board Power Regulation from Single 12V Power Adapter (Included)

MxFE Evaluation Board
  • Mates with Xilinx ZCU102 Evaluation Board (Not Included)
  • 4x RF Receive (Rx) Channels (8x Digital Rx Channels)
    • Total 4x 12-bit 4GSPS ADC
    • 8x Digital Down Converters (DDCs), Each Including Complex Numerically-Controlled Oscillators (NCOs)
    • 8x Programmable Finite Impulse Response Filters (pFIRs)
  • 4x RF Transmit (Tx) Channels (8x Digital Tx Channels)
    • Total 4x 16-bit 12GSPS DAC
    • 8x Digital Up Converters (DUCs), Each Including Complex Numerically-Controlled Oscillators (NCOs)
  • Flexible Clock Distribution
    • On-Board Clock Distribution from Single External 500MHz Reference
    • Support for External Converter Clock
  • On-Board Power Regulation Powered by ZCU102 Evaluation Board via FMC Connector

Software Features and Benefits
Easy Control Tools and Platform Interfaces to Simplify Software Framework Developments:
  • MATLAB System Applications GUI
  • Example HDL Builds including JESD204b/JESD204c Bring-Up
  • Embedded Software Solutions for Linux and Device Drivers

Software Reference Design Examples for ADEF Applications to Reduce Prototyping Time:
  • Hybrid Beamsteering Capability
  • System Phase Calibration

Product Details

The X-Band Development Platform contains one MxFE® software defined, direct RF sampling transceivers, X-Band to C-Band Up/Down Converter, and a X/Ku Band analog phased array proto-typing platform. The target application is phased array radars, electronic warfare, and ground-based SATCOM, specifically a X Band 32 transmit/32 receive channel hybrid beamforming phased array radar.

The X-Band Development Platform highlights a complete system solution. It is intended as a testbed for demonstrating hybrid beamforming phased array radar as well as the implementation of system level calibrations, beamforming algorithms, and other signal processing algorithms. The system is designed to mate with a ZCU102 Evaluation Board from Xilinx®, which features the Zynq® UltraScale+ MPSoC FPGA, with provided reference software, HDL code, and MATLAB system-level interfacing software.

The system can be used to enable quick time-to-market development programs for applications like:

  • ADEF (Phased-Array, RADAR, EW, SATCOM)
  • Hybrid Beamforming
  • Electronic Test and Measurement

EVAL-HMC652LP2E
HMC652LP2E Evaluation Board
X-Band Phased Array Platform
Scalable 32 Element Hybrid Beamforming Phased-Array RADAR Development Platform
X-Band Development Platform Block Diagram AD9081 Evaluation Board ADAR1000EVAL1Z KIT  - Bottom View ADAR1000EVAL1Z Evaluation Board - Top View ADAR1000EVAL1Z Evaluation Board - Bottom View EVAL-ADXUD1AEBZ Evaluation Board

Latest Discussions

No discussions on HMC652LP2E yet. Have something to say?

Start a Discussion on EngineerZone®

Recently Viewed