ADPD188GG

RECOMMENDED FOR NEW DESIGNS

Integrated Optical Module with Ambient Light Rejection and Two LEDs

Viewing:

Overview

  • 3.8 mm × 5.0 mm × 0.9 mm module with integrated optical components
  • 2 green LEDs, 2 PDs with IR cut filter
  • 2 external sensor inputs
  • 3, 370 mA LED drivers
  • 20-bit burst accumulator enabling 20 bits per sample period
  • On-board sample to sample accumulator enabling up to 27 bits per data read
  • Custom optical package made to work under a glass window
  • Optimized SNR for signal limited cases
  • I2C or SPI communications

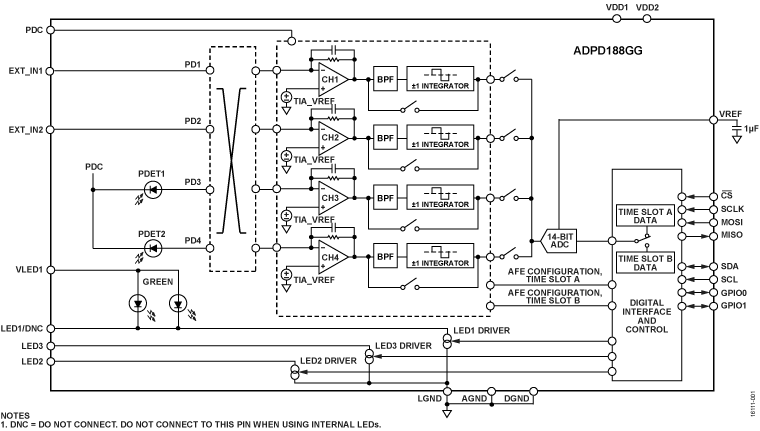
The ADPD188GG is a complete photometric system designed to measure optical signals from ambient light and from synchronous reflected light emitting diode (LED) pulses. Synchronous measurement offers best-in-class rejection of ambient light interference, both dc and ac. The module integrates a highly efficient photometric front end, two LEDs, and two photodiode (PD). All of these items are housed in a custom package that prevents light from going directly from the LED to the photodiode without first entering the subject.

The front end of the application specific integrated circuit (ASIC) consists of a control block, a 14-bit analog-to-digital converter (ADC) with a 20-bit burst accumulator, and three flexible, independently configurable LED drivers. The control circuitry includes flexible LED signaling and synchronous detection. The analog front end (AFE) features best-in-class rejection of signal offset and corruption due to modulated interference commonly caused by ambient light. The data output and functional configuration occur over a 1.8 V I2C interface or a serial peripheral interface (SPI) port.

Applications

  • Optical heart rate monitoring
  • Reflective PPG measurement
  • CNIBP measurement 

ADPD188GG
Integrated Optical Module with Ambient Light Rejection and Two LEDs
ADPD188GG Functional Block Diagram ADPD188GG Pin Configuration
Add to myAnalog

Add product to the Products section of myAnalog (to receive notifications), to an existing project or to a new project.

Create New Project
Ask a Question

Documentation

Learn More
Add to myAnalog

Add media to the Resources section of myAnalog, to an existing project or to a new project.

Create New Project

Software Resources

Can't find the software or driver you need?

Request a Driver/Software

Evaluation Kits

eval board
EVAL-ADPD188

ADPD188GG Evaluation Board

Features and Benefits

  • Supports the detection of UART, BT
  • UDP transfer capability
  • ADPD188GG full configuration
    • Register level
    • High level
  • Graph view
    • Time graph
    • Frequency graph
 

Product Details

The EVAL-ADPD188GGZ evaluation board provides users with a simple means of evaluating the ADPD188 photometric front end. The evaluation system includes the Applications WaveTool graphical user interface (GUI) that provides users with low level and high level configurability, real-time frequency and time domain analysis, and user datagram protocol (UDP) transfer capability so the evaluation board can easily interface to the user development system.


The EVAL-ADPD188GGZ is powered through the ribbon cabled from the EVAL-ADPDUCZ microcontroller board, (obtained separately). The evaluation board provides an ADPD188GG optical module, AD8233 ECG amplifier, and an ADXL362 accelerometer. The form factor of the evaluation board is optimized for wrist based photoplethysmography (PPG) measurements.


For additional information on the functionality of the ADPD188GG, refer to the ADPD188GG data sheet.

EVAL-ADPD188
ADPD188GG Evaluation Board
eval-image-unavailable

Latest Discussions

Recently Viewed