Low Voltage, High Current Step-Down µModule Regulators Put a (Nearly) Complete Power Supply in a 15mm × 9mm × 2.8mm Package
Low Voltage, High Current Step-Down µModule Regulators Put a (Nearly) Complete Power Supply in a 15mm × 9mm × 2.8mm Package
2008-09-01
Introduction
Endlessly increasing power density requirements are a major driving force behind the continuous need to find new power supply solutions. Switching regulators are the top choice for high current applications because of their high efficiency and high performance, but high power density doesn’t come for free with a switcher. Components must be carefully chosen and laid out to maximize efficiency, transient response and thermal performance. Making a high density switching power supply requires significant design and test time, or does it?
The LTM4604 and LTM4608 LTC µModule switching regulators make it possible to create high density designs with minimal effort. Both are high density power supplies for ≤5.5V input voltage, high output current, step-down applications. Each µModule regulator comes in a 15mm × 9mm LGA surface mount package and is nearly self-contained—only a few passive components are required to complete a power supply design. The switching controller, MOSFETs, inductor and all support components are already carefully chosen and laid out in the package. Low profile packages (2.3mm and 2.8mm, respectively) allow them to be easily mounted in unused space on the bottom of PC boards and simplify thermal management.
The LTM4604 features a 2.375V to 5.5V input range and a 0.8V to 5V output range, while the LTM4608 takes a 2.7V to 5.5V input to a 0.6V to 5V output. The LTM4604 can deliver up to 4A continuous current with up to 95% efficiency. The slightly higher profile of the LTM4608 allows it to deliver up to 8A continuous current thanks to its high efficiency design and low thermal impedance package.
Easy Design with Few Components
Figure 1 shows a typical 2.5V/4A design with LTM4604 and Figure 2 shows the resulting efficiency. Ceramic input capacitors are integrated into the µModule package—additional input capacitors are only required if a load step is expected up to the full 4A level. Additional required output capacitance is typically in the range of 22µF to 100µF. A single resistor on the FB pin sets the output voltage.

Figure 1. Only a few components are required for a 2.5V/4A design with LTM4604.

Figure 2. High efficiency is achieved with the LTM4604 in the application of Figure 1.
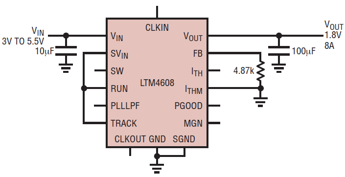
For applications needing more output current, the LTM4608 fits the bill. Figure 3 shows a 1.8V/8A design with LTM4608 and Figure 4 shows its efficiency. As with the LTM4604, the number of necessary external components has been reduced to a minimum, significantly simplifying the design effort. Nevertheless, a very fast transient response to the line and load changes is guaranteed by the optimized design of the µModule’s high switching frequency and current mode control architecture. Furthermore, a number of features can be enabled on the LTM4604 and LTM460408 to suit the needs of various applications.

Figure 3. Only a few components are required for a 1.8V/8A design with the LTM4608.

Figure 4. High efficiency is achieved with the LTM4608 in the application of Figure 3.
Wealth of Features
Both LTM4604 and LTM4608 feature RUN pin control, output voltage tracking selections and power good indicators. For systems requiring voltage sequencing between different power supplies, the sequencing function can be implemented by controlling the RUN pins and the PGOOD signals with a few additional components. Fault protection features include overvoltage protection, over current protection and thermal shutdown.
The LTM4608 offers some additional features. Burst Mode® operation, pulse-skipping mode or continuous current mode can be selected to improve light load efficiency. Burst Mode operation provides the highest efficiency at very light load, while forced continuous current mode leads to the lowest output ripple. Pulse-skipping mode offers a compromise between Burst Mode operation and continuous mode, offering good light load efficiency while keeping output voltage ripple down. Programmable output voltage margining is supported for ±5%, ±10% and ±15% levels. The LTM4608 also allows frequency synchronization and spread spectrum operation to further reduce switching noise harmonics.
Parallel for More Power
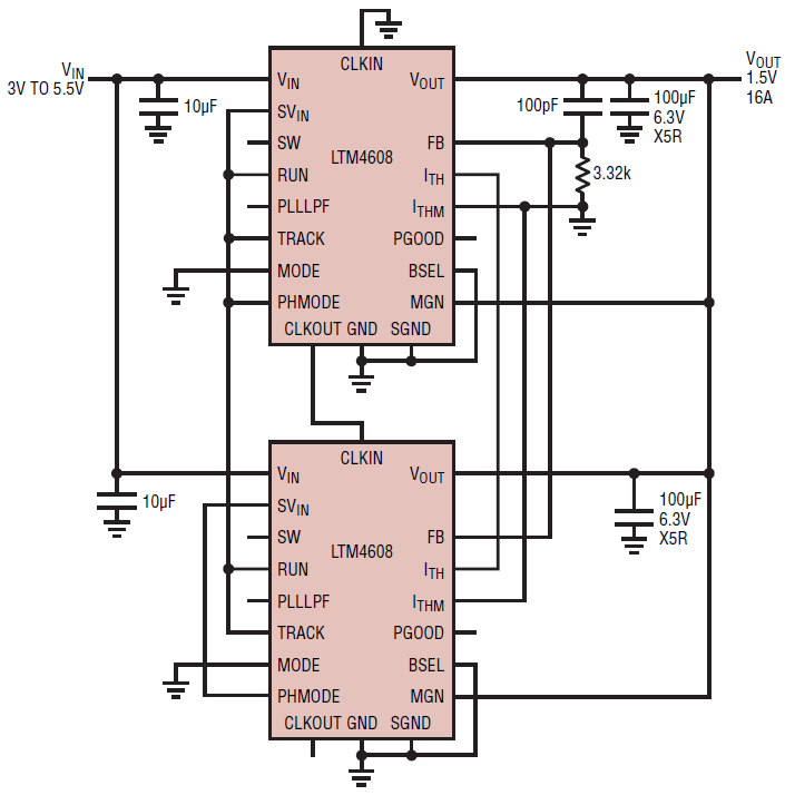
With cycle-by-cycle current mode control, the LTM4604 and LTM4608 can be easily paralleled to provide more output power with excellent current sharing. The LTM4608 includes CLKIN and CLKOUT pins to make it possible to operate paralleled devices out of phase of one another to reduce input and output ripple. A total of 12 phases can be cascaded to run simultaneously with respect to each other by programming the PHMODE pin of each LTM4608 to different levels.
Figure 5 shows an example of two LTM4608s in parallel to provide 16A output current. Figure 6 shows the measured current sharing performance of the circuit, illustrating that the DC current sharing error is less than 5% at full load. Excellent current sharing results in well balanced thermal stresses on the paralleled LTM4608s, which in turn makes for a more reliable system. Figure 7 demonstrates the small temperature difference between these two paralleled LTM4608 boards supplying 16A output current.

Figure 5. Two LTM4608s are easily paralleled to provide 1.5V/16A output with interleaved switching operation.

Figure 6. Bench test shows excellent current sharing between two paralleled LTM4608s over the entire load range.

Figure 7. Good thermal balance is maintained between two paralleled LTM4608 boards supplying 16A output current.
Conclusion
The LTM4604 and LTM4608 15mm × 9mm µModule regulators are complete power supply solutions for low input voltage and high output current applications. They significantly simplify circuit and layout designs by effortlessly fitting into the tightest spaces, including the bottom of the PCB. Despite their compact form, these µModules are rich in features, and they can be easily paralleled when more output current is needed.