概览
优势和特点
- Intel Agilex 7 F-Series devices target a wide range of applications across many markets. This series offers transceiver rates up to 58 Gbps, advanced DSP blocks supporting multiple precisions of fixed-point and floating-point operations, and high-performance crypto blocks.
- Analog Devices has worked closely with FPGA and processor manufacturers to develop verified power solutions that optimize cost, size and efficiency in high performance applications.
- Our reference designs are supported by an intuitive design tool set and IP.
- ADI provides supporting documentation including LTpowerPlanner and applicable LTpowerPlay configuration files to enable you to validate the power solution for your application seamlessly. Our team can provide samples and/or evaluation boards for quick validation that can speed time to market in the most complex applications.
- For a complete list power designs and use cases, please contact your local FAE.
参考资料
-
Design, Analyze, and Validate Your ADI Power Solutions2026/3/10 -
设计、分析并验证ADI电源解决方案2026/2/25 -
设计、分析并验证您的ADI电源解决方案2024/12/12
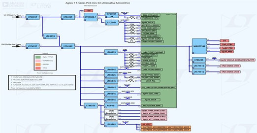
电路描述
| Rail Function | Part Number(s) | Description |
| FM6_VCC/VCCP, VCCPLLDIG_HPS, 0p9V_VCCH, VCCRTPLL_GXER1, VCC_HSSI_GXPL1, VCCFUSE_GXP, VCCH_SDM, VCC_HSSI_GXER1, 0p9V_VCCRT_GXPL1, 0p9V_VCCRT_GXER1 | LTC3888-1 | Dual Loop 8-Phase Step-Down DC/DC Controller with Digital Power System Management |
| LTC7051 | SilentMOS Smart Power Stage in 5mm × 8mm LQFN | |
| 1p8V/VCCPT/VCCBAT, VCCCLK_GXPL1, VCCADC, VCCH_GXPL1, VCCPLL_HPS, VCCPLL_SDM | LT8625S | 18V/8A Step-Down Silent Switcher 3 with Ultralow Noise Reference |
| 1p1V_VCCH_GXER1, VCCA_PLL, IO_1p8V/VCCIO_SDM/VCCIO_HPS, 0p9V_VCCL_HPS, 1p2V_VCCR, 2p5V_VCCCLK_GXE1/VDDSPD/VPP | LT8624S |
18V, 4A Step-Down Silent Switcher 3 with Ultralow Noise Reference |
| 0p8V_VCCL_SDM | LT8622S | 18V, 2A Step-Down Silent Switcher 3 with Ultralow Noise Reference |
| VCCFUSEWR_SDM | ADP121 | 150 mA, Low Quiescent Current, CMOS Linear Regulator in 5-Lead TSOT or 4-Ball WLCSP |
| IO_3p3V, QSFPDD1_VCC/QSFPDD1_VCCT/QSFPDD1_VCCR, QSFPDD0_VCC/QSFPDD0_VCCT/QSFPDD0_VCCR | LTC4365 | Overvoltage, Undervoltage and Reverse Supply Protection Controller |
| 5V, 3V3_STBY, 1p8V_PRE, 1p2V_PRE | MAX77542 | 16VIN/16A, Quad-Phase High-Efficiency Buck Converter |
| 1p2V_DDR4_CH01, 1p2V_DDR4_CH23 | LTC7151S | 20V, 15A Synchronous Step-Down Silent Switcher 2 Regulator |
