概览
产品详情
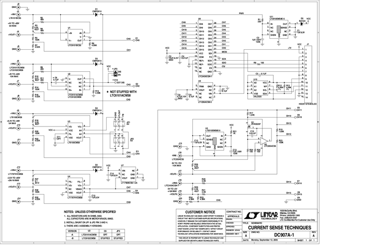
DC907A-B Demo Board for:
LTC2054 Single Micropower Zero-Drift Operational Amplifiers
LTC6102 Precision Zero Drift Current Sense Amplifier
LT1787 Precision, High Side Current Sense Amplifiers
LT6100 Precision, Gain Selectable High Side Current Sense Amplifier
LTC2439-1 8-/16-Channel 16-Bit No Latency Delta Sigma ADC
文档
-
DC907A-B - Schematic2009/10/22PDF54K
-
DC907A - Demo Manual2009/10/22PDF2M
-
DC907A-A - Design Files2009/10/22ZIP1M
