文档
-
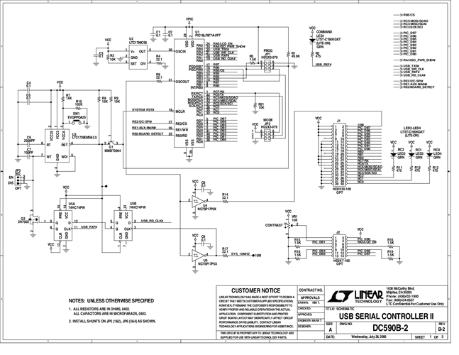
DC590B - Schematic2009/9/24PDF102K
-
DC590B - Demo Manual2012/9/18PDF391K
-
DC590B - Design File2009/9/24ZIP1M
