概览
产品详情
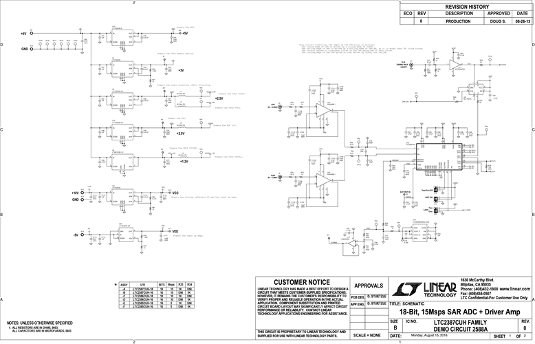
Demonstration circuit 2588A features the LTC2387 family driven by a pair of ADA4899-1 driver amplifiers. With up to 15Msps, these differential input, single channel, 18-/16- Bit, serial, high speed successive approximation register (SAR) ADCs are available in a 32-Pin QFN package. The LTC2387 family has an internal 20ppm/°C reference and a serial LVDS interface. The demo manual refers to the LTC2387 but applies to all members of the family, the only difference being the sample rate and the number of bits.
文档
-
DC2588A - Schematic2017/3/8PDF195K
-
DC2588A - Demo Manual2017/3/8PDF490K
-
DC2588A - Design Files2017/3/8ZIP2M
