概览
产品详情
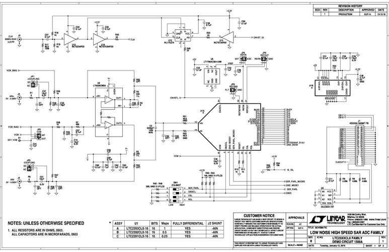
DC1500A-A: Demo Board for the LTC2393-16 16-Bit, 1Msps SAR ADC with 94dB SNR.
相关产品
文档
-
DC1500A - Schematic2010/4/15PDF96K
-
DC1500A - Demo Manual2010/4/15PDF687K
-
DC1500A - Design Files2010/4/15ZIP1M
