Z86L85

过期

28引脚、低电压红外微控制器

4KB和8KB ROM存储器,提供成本最低的红外遥控方案

产品技术资料帮助

ADI公司所提供的资料均视为准确、可靠。但本公司不为用户在应用过程中侵犯任何专利权或第三方权利承担任何责任。技术指标的修改不再另行通知。本公司既没有含蓄的允许,也不允许借用ADI公司的专利或专利权的名义。本文出现的商标和注册商标所有权分别属于相应的公司。

Viewing:

概述

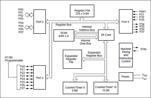
Z86L82/85是基于Z8单芯片MCU系列的红外(IR)微控制器,具有237字节通用RAM和 4KB/8KB ROM。Maxim的CMOS微控制器能够支持高速指令、高效利用存储器、复杂中 断、输入/输出位操作能力、自动脉冲发生器/接收器和内部按键扫描上拉晶体管。

Z86L85
28引脚、低电压红外微控制器
Z86L82、Z86L85:功能原理框图
添加至 myAnalog

将产品添加到myAnalog 的现有项目或新项目中(接收通知)。

创建新项目
提问

参考资料

了解更多
添加至 myAnalog

Add media to the Resources section of myAnalog, to an existing project or to a new project.

创建新项目

软件资源

找不到您所需的软件或驱动?

申请驱动/软件

硬件生态系统

部分模型 产品周期 描述
微控制器 5
MAXQ61H 过期 具有红外模块的16位微控制器
MAXQ610 量产 具有红外模块的16位微控制器
Z86L98 过期 28引脚、低电压红外微控制器
Z86L86 过期 28引脚、低电压红外微控制器
Z86L81 过期 28引脚、低电压红外微控制器
Modal heading
添加至 myAnalog

将产品添加到myAnalog 的现有项目或新项目中(接收通知)。

创建新项目

最新评论

需要发起讨论吗? 没有关于 Z86L85的相关讨论?是否需要发起讨论?

在EngineerZone®上发起讨论

近期浏览