Two engineers working in the lab

利用ADI一套新的精密技术信号链,可节省时间并加快交付解决方案。从智能工业到仪器仪表、电气化到数字健康,您的应用都能找到匹配的精密技术组合产品。

放心定制您的信号链

MAX9675

预发布

110MHz、16 × 16可编程增益视频交叉点开关

业内成本最低的高性能16 x 16视频交叉开关,工作在±5V

产品技术资料帮助

ADI公司所提供的资料均视为准确、可靠。但本公司不为用户在应用过程中侵犯任何专利权或第三方权利承担任何责任。技术指标的修改不再另行通知。本公司既没有含蓄的允许,也不允许借用ADI公司的专利或专利权的名义。本文出现的商标和注册商标所有权分别属于相应的公司。

Viewing:

概述

  • 带缓冲输入和输出的16 x 16无阻塞阵列
  • 采用±5V电源供电
  • 独立可编程的输出缓冲增益(AV = +1V/V或+2V/V)
  • 高阻输出禁止模式可用于线或连接
  • 14MHz范围内,增益平坦度为0.1dB
  • 110MHz的-3dB带宽
  • 6MHz时,串扰为-62dB,隔离度为-110dB

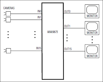
MAX9675是一款带缓冲输入和输出的无阻塞16 x 16视频交叉点开关。器件采用±5V模拟电源供电。数字逻辑部分使用独立的+2.7V至+5V电源供电。MAX9675的输入和输出都经过缓冲,所有输出均能驱动标准的75Ω反向端接视频负载。

开关阵列和可编程增益通过一个SPI™/QSPI™兼容的3线串行接口进行控制。 串行接口可工作于两种模式,从而实现了开关状态的快速更新和初始化。上电时,所有输出保持关闭状态,以避免在大开关阵列中出现信号冲突。

MAX9675的可编程能力以及高集成度特性使其成为安全、监视以及视频点播系统中无阻塞视频开关阵列的理想选择。

MAX9675采用100引脚TQFP封装,工作在-40°C至+85°C扩展级温度范围。

应用

  • 安全系统
  • 视频路由
  • 视频点播系统

MAX9675
110MHz、16 × 16可编程增益视频交叉点开关
MAX9675:典型工作电路
添加至 myAnalog

将产品添加到myAnalog 的现有项目或新项目中(接收通知)。

创建新项目
提问

参考资料

了解更多
添加至 myAnalog

Add media to the Resources section of myAnalog, to an existing project or to a new project.

创建新项目

软件资源

找不到您所需的软件或驱动?

申请驱动/软件

硬件生态系统

部分模型 产品周期 描述
交叉点开关 4
MAX4355 预发布 16x16、无阻塞视频交叉点开关,带有输入/输出缓冲器
MAX4357 预发布 32 x 16、无阻塞视频交叉点开关,带有输入/输出缓冲器
MAX4356 预发布 16 x 16、无阻塞视频交叉点开关,带有屏幕显示插入及输入/输出缓冲器
MAX4358 预发布 32 x 16、无阻塞视频交叉点开关,带有屏幕显示及I/O缓冲器
Modal heading
添加至 myAnalog

将产品添加到myAnalog 的现有项目或新项目中(接收通知)。

创建新项目

最新评论

需要发起讨论吗? 没有关于 MAX9675的相关讨论?是否需要发起讨论?

在EngineerZone®上发起讨论

近期浏览