MAX9541

过期

四通道2:1复用放大器,用于标清和VGA信号

支持VGA和标清视频信号切换与滤波

产品技术资料帮助

ADI公司所提供的资料均视为准确、可靠。但本公司不为用户在应用过程中侵犯任何专利权或第三方权利承担任何责任。技术指标的修改不再另行通知。本公司既没有含蓄的允许,也不允许借用ADI公司的专利或专利权的名义。本文出现的商标和注册商标所有权分别属于相应的公司。

Viewing:

概述

  • 四通道2:1视频复用放大器
  • 重建滤波器具有9.5MHz带宽,27MHz时具有47dB衰减(MAX9541)
  • 2V/V固定增益
  • 输入同步头箝位
  • 关断
  • 2.7V至3.6V单电源供电

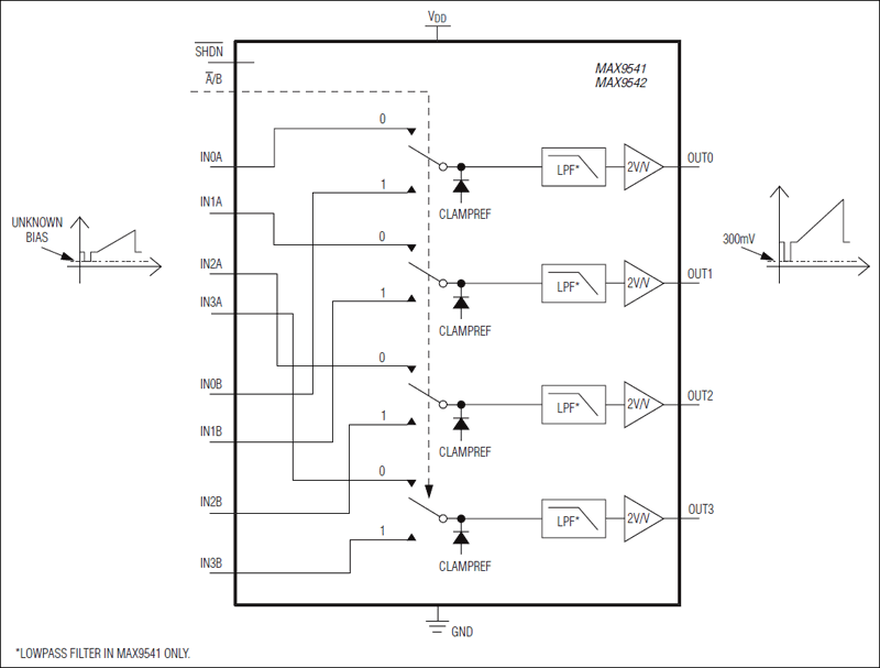
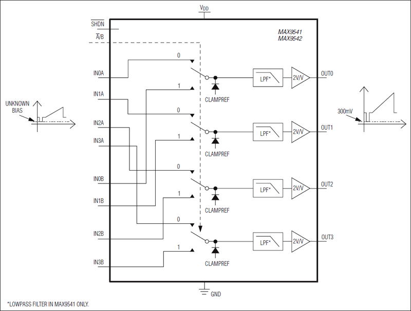
MAX9541/MAX9542是四通道2 :1视频复用放大器,具有输入同步头箝位。这些器件可以在两路视频源之间进行选择,每个信号源最多支持四个通道。MAX9541具有集成的低通滤波器,经过优化用于标清视频信号,例如复合视频和红、绿、蓝(RGB)信号。滤波器在9.5MHz通带内具有典型±1dB的平坦度,27MHz时具有47dB衰减。MAX9542因为没有集成低通滤波器,具有15MHz较带频宽,不仅适合标清视频信号,也适合视频图形阵列(VGA)信号,在最高85Hz的刷新速率下能够支持640 x 480的分辨率。

视频信号交流耦合至MAX9541/MAX9542输入,输入同步头箝位设置内部直流电平。

放大器具有2V/V的增益,输出可以直流耦合至75Ω负载,等效于两路视频负载,或交流耦合至150Ω负载。

MAX9541/MAX9542都具有低功耗关断模式,可将电源电流降低至35µA。

应用

  • 工业

MAX9541
四通道2:1复用放大器,用于标清和VGA信号
MAX9541、MAX9542:功能框图
添加至 myAnalog

将产品添加到myAnalog 的现有项目或新项目中(接收通知)。

创建新项目
提问

参考资料

了解更多
添加至 myAnalog

Add media to the Resources section of myAnalog, to an existing project or to a new project.

创建新项目

软件资源

找不到您所需的软件或驱动?

申请驱动/软件

最新评论

需要发起讨论吗? 没有关于 MAX9541的相关讨论?是否需要发起讨论?

在EngineerZone®上发起讨论

近期浏览