MAX9396

预发布

2:1复用器和1:2解复用器,带有环回

复用器/解复用器,450mV差分输出

产品技术资料帮助

ADI公司所提供的资料均视为准确、可靠。但本公司不为用户在应用过程中侵犯任何专利权或第三方权利承担任何责任。技术指标的修改不再另行通知。本公司既没有含蓄的允许,也不允许借用ADI公司的专利或专利权的名义。本文出现的商标和注册商标所有权分别属于相应的公司。

Viewing:

概述

  • 1.25GHz工作时保证450mV (最小值)差分输出摆幅
  • 差分输入端集成100Ω电阻
  • 同步环回控制
  • 2ps(RMS) (最大值)随机抖动
  • 交流规范:保证150mV差分输入
  • 信号输入可接受任何VCM = +0.6V至(VCC - 0.05V)的差分信号
  • 时钟或高速数据采用LVDS输出
  • 低电平输入失效保护检测
  • +3.0V至+3.6V电源电压范围
  • LVCMOS/LVTTL逻辑输入

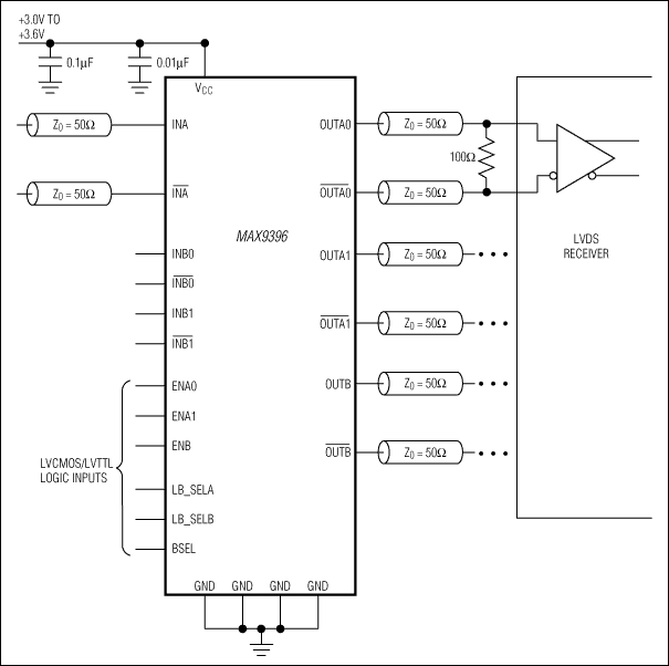
MAX9396由一个2:1复用器和一个1:2解复用器以及环回电路组成。复用器部分(通道B)可接受两路差分信号输入,产生单路差分输出。解复用器部分(通道A)可接受单路差分输入,产生两路并联的差分输出。MAX9396的环回模式可将通道A的输入连接至通道B的输出,并将选定通道B的输入连接至通道A的输出。

MAX9396的差分输入接受且CML/LVPECL电平,还可接受共模电压在+0.6V至(VCC - 0.05V)范围内的LVDS输入。差分输出为LVDS兼容,可驱动100Ω负载。

三个LVCMOS/LVTTL逻辑输入控制输入和输出之间的内部连接,其中一个用于通道B的复用器部分(BSEL),其余两个用于通道A和B的环回控制(LB_SELA和LB_SELB)。每个差分输出对具有独立的使能输入可以为设计增加额外的灵活性。

对于未加驱动的输入或者当共模电压低于+0.6V时,失效保护电路强制输出处于差分低电平状态。

极低的57psP-P (典型值)伪随机码序列(PRBS)抖动保证了高速链路的可靠通信,这些链路对定时误差十分敏感,特别是那些结合了时钟和数据恢复或者串行器和解串器的链路。高速切换性能可保证1.25Gbps的工作速度和低于87ps (最大值)的通道间偏差。

MAX9396提供32引脚TQFP封装,可工作于-40°C至+85°C扩展级温度范围。

应用

  • 局端背板时钟分配
  • DSLAM
  • 故障容错系统
  • 高速电信/数据通信设备
  • 保护开关

MAX9396
2:1复用器和1:2解复用器,带有环回
MAX9396:典型工作电路
添加至 myAnalog

将产品添加到myAnalog 的现有项目或新项目中(接收通知)。

创建新项目
提问

参考资料

了解更多
添加至 myAnalog

Add media to the Resources section of myAnalog, to an existing project or to a new project.

创建新项目

软件资源

找不到您所需的软件或驱动?

申请驱动/软件

硬件生态系统

部分模型 产品周期 描述
模拟开关与多路复用器 2
MAX9395 预发布 2:1复用器和1:2解复用器,带有环回
MAX9394 最后购买期限 2:1复用器和1:2解复用器,带有环回
Modal heading
添加至 myAnalog

将产品添加到myAnalog 的现有项目或新项目中(接收通知)。

创建新项目

最新评论

需要发起讨论吗? 没有关于 MAX9396的相关讨论?是否需要发起讨论?

在EngineerZone®上发起讨论

近期浏览