MAX5548

量产

双路、8位、可编程、可提供30mA高输出电流的DAC

产品技术资料帮助

ADI公司所提供的资料均视为准确、可靠。但本公司不为用户在应用过程中侵犯任何专利权或第三方权利承担任何责任。技术指标的修改不再另行通知。本公司既没有含蓄的允许,也不允许借用ADI公司的专利或专利权的名义。本文出现的商标和注册商标所有权分别属于相应的公司。

Viewing:

概述

  • 可通过引脚选择I²C或SPI兼容接口
  • 关断模式下保证低输出漏电流(±1µA最大)
  • 在整个宽温范围内保证单调性
  • 双路输出用于平衡系统
  • 每路DAC高达30mA的电流输出
  • 两路输出可并联用于60mA应用
  • 输出可稳定工作于射频滤波器
  • 可选内部或者外部基准
  • SPI模式下的数字输出(DOUT)便于实现“菊花链”应用
  • +2.7V至+5.25V的单电源供电
  • 16引脚(3mm x 3mm)薄型QFN封装
  • 可编程输出电流范围,通过软件和可变电阻设置

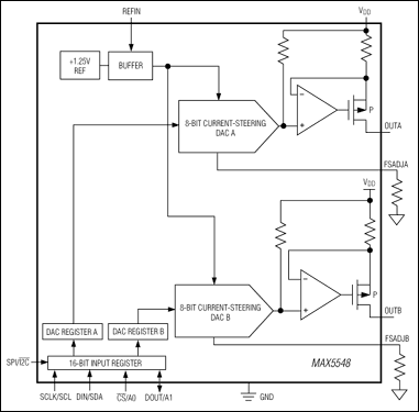
MAX5548双8位数模转换器(DAC)具有输出大电流的能力。MAX5548中的每路DAC可以输出高达30mA的电流,适合用于PIN二极管的偏置应用。两路输出可以并联,用于更高电流的应用(典型值高达60mA)。MAX5548工作于+2.7V至+5.25V的单电源,正常工作时每个DAC典型消耗1.5mA的电流,而在关断模式下,消耗的电流低于1µA。MAX5548在关断模式下具有很低的输出漏电流(最大±1µA),这对于确保外部PIN二极管处于关断状态至关重要。

其他特性还包括,集成的+1.25V带隙基准和控制放大器,可保证高精度和低噪声性能。另外还提供独立的基准输入(REFIN),以便于使用外接基准,例如MAX6126,以获得更高的增益精度。可通过引脚选择的I²C/SPI™兼容串行接口使MAX5548具有极高的灵活性。可编程输出电流的最大值可通过软件和一个可变电阻进行设置。MAX5548采用3mm x 3mm,16引脚,薄型QFN封装,在很宽的温度范围内(-40°C至+85°C)保证工作性能。

应用

  • PIN二极管偏置
  • 射频衰减控制
  • VCO调谐

MAX5548
双路、8位、可编程、可提供30mA高输出电流的DAC
MAX5548:典型工作电路
添加至 myAnalog

将产品添加到myAnalog 的现有项目或新项目中(接收通知)。

创建新项目
提问

参考资料

了解更多
添加至 myAnalog

Add media to the Resources section of myAnalog, to an existing project or to a new project.

创建新项目

软件资源

找不到您所需的软件或驱动?

申请驱动/软件

工具及仿真模型


评估套件

MAX5550EVKIT

MAX5550和MAX5548评估板

特性和优点

  • Windows 2000/XP/Vista (32位)兼容的软件
  • 支持SPI™或I²C接口
  • USB至PC连接(包含电缆)
  • USB供电
  • 4引脚DAC输出信号插头
  • 接受过孔直插的电流设置电阻
  • 可选的1.25V板上基准(MAX6161)
  • 经过验证的PCB布局
  • 无铅并符合RoHS标准
  • 完全安装并经过测试

产品详情

MAX5550评估板(EV kit)提供一个经过验证的设计,用于评估MAX5550双路、10位、可编程、可提供30mA高输出电流的DAC。评估板中还包括Windows 2000/XP/Vista®兼容的软件,为演示MAX5550的性能提供简便的图形用户接口(GUI)。

MAX5550评估套件的印刷电路板(PCB)上预装有MAX5550ETE+。欲评估引脚兼容的MAX5548ETE+,可向工厂申请免费样品。

应用

  • PIN二极管偏置
  • 射频衰减控制
  • VCO调谐

MAX5550EVKIT
MAX5550和MAX5548评估板

最新评论

需要发起讨论吗? 没有关于 MAX5548的相关讨论?是否需要发起讨论?

在EngineerZone®上发起讨论

近期浏览