MAX19712

过期

10位、22Msps、全双工模拟前端

超低功耗AFE,集成了Tx DAC、Rx ADC和辅助控制数据转换器

产品技术资料帮助

ADI公司所提供的资料均视为准确、可靠。但本公司不为用户在应用过程中侵犯任何专利权或第三方权利承担任何责任。技术指标的修改不再另行通知。本公司既没有含蓄的允许,也不允许借用ADI公司的专利或专利权的名义。本文出现的商标和注册商标所有权分别属于相应的公司。

Viewing:

概述

  • 双路10位、22Msps Rx ADC和双路10位、22Msps Tx DAC
  • 超低功耗
    • fCLK = 22MHz时,FD模式下消耗50.4mW
    • fCLK = 22MHz时,低速接收(Rx)模式下消耗39.9mW
    • fCLK = 22MHz时,低速发送(Tx)模式下消耗33.9mW
    • 低电流待机模式和关断模式
  • 可编程Tx DAC共模直流电压,调节I/Q失调
  • 优异的动态性能
    • fIN = 5.5MHz时,SNR = 54.8dB (Rx ADC)
    • fOUT = 2.2MHz时,SFDR = 72.9dBc (Tx DAC)
  • 三路12位、1µs辅助DAC
  • 10位、333ksps辅助ADC,带有4:1多路复用器输入和数据平均电路
  • 卓越的增益/相位匹配度
    • fIN = 5.5MHz时,匹配度为:±0.01°相位匹配、±0.01dB增益匹配(Rx ADC)
  • 复用并行数字I/O
  • 串口控制
  • 多种功率管理模式
    • 关断、待机、空闲、Tx/Rx禁用
  • 小尺寸、56引脚、薄型QFN封装(7mm x 7mm x 0.8mm)

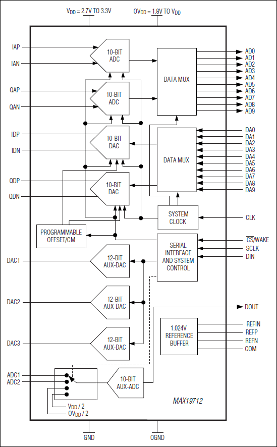
MAX19712是超低功耗、高集成度混合信号模拟前端(AFE),工作在全双工(FD)模式,可理想用于宽带通信系统。该器件经过优化,能够以极低功耗获得较高的动态性能,集成了双路10位、22Msps接收(Rx) ADC,双路10位、22Msps发送(Tx) DAC,用于辅助RF前端控制的3路快速建立、12位DAC和1路10位、333ksps辅助ADC。在22MHz时钟频率下,FD工作模式的典型功耗为50.4mW。

Rx ADC在5.5MHz输入频率、22MHz时钟频率下具有54.7dB的SINAD和75.6dBc的SFDR。模拟I/Q输入放大器为全差分结构,可接受1.024VP-P满量程信号。I/Q通道匹配度典型值为:±0.01°相位匹配、±0.01dB增益匹配。

Tx DAC在fCLK = 22MHz、fOUT = 2.2MHz时,具有72.9dBc的SFDR。I-Q满量程模拟输出电压范围为差分±400mV。输出直流共模电压从0.89V至1.36V。可调节I/Q通道失调,优化边带抑制/载波抑制。I-Q通道匹配度典型值为:&plusmx;0.01dB增益匹配和±0.1°相位匹配。

Rx ADC和Tx DAC使用两个独立的10位高速数字总线,能够工作在频分复用全双工模式。Rx ADC和Tx DAC可以单独关闭,优化电源管理。3线串行接口控制电源管理模式、辅助DAC通道和辅助ADC通道。

MAX19712采用2.7V至3.3V模拟电源和1.8V至3.3V数字I/O电源供电。MAX19712工作在扩展工业级温度范围(-40°C至+85°C),提供56引脚、薄型QFN封装。数据资料最后部分的选型指南列出了AFE系列的引脚兼容产品。对于时分复用(TDD)系统,请参考MAX19705–MAX19708 AFE系列产品。

应用

  • 802.11a/b/g WLAN
  • 便携式通信设备
  • RFID读卡器
  • VoIP终端
  • WCDMA手机

MAX19712
10位、22Msps、全双工模拟前端
MAX19712:功能框图
添加至 myAnalog

将产品添加到myAnalog 的现有项目或新项目中(接收通知)。

创建新项目
提问

参考资料

了解更多
添加至 myAnalog

Add media to the Resources section of myAnalog, to an existing project or to a new project.

创建新项目

硬件生态系统

部分模型 产品周期 描述
ADC/DAC组合转换器 6
MAX19708 过期 10位、11Msps、超低功耗模拟前端
MAX19705 过期 10位、7.5Msps、超低功耗模拟前端
MAX19706 过期 10位、22Msps、超低功耗模拟前端
MAX19707 量产 10位、45Msps、超低功耗模拟前端
MAX19711 过期 10位、11Msps、全双工模拟前端
MAX19713 量产 10位、45Msps、全双工模拟前端
Modal heading
添加至 myAnalog

将产品添加到myAnalog 的现有项目或新项目中(接收通知)。

创建新项目

评估套件

MAX19713EVCMODU

MAX19710、MAX19712和MAX19713评估板/评估系统

特性和优点

  • ADC/DAC采样速率范围从7.5Msps至45Msps
  • 低电压低功耗工作
  • 增益可调的低速DAC缓冲器
  • 板载时钟整形电路
  • 板载电平转换I/O驱动
  • 经过完全安装与测试
  • 可下载Windows 98SE/2000/XP兼容软件

产品详情

MAX19710–MAX19713评估系统(EV system)由MAX19710–MAX19713评估板(EV kit)、Maxim命令模块(CMODUSB)接口板和软件组成。欲使用个人计算机对MAX19710–MAX19713进行全面评估,请订购完整的EV系统(参考完整数据资料中的定购信息)。若之前在购买Maxim的评估系统时已经购买了命令模块,或在其它微控制器(µC)系统中进行评估,请订购评估板。

MAX19710–MAX19713评估板是经过完全安装与测试的PCB,包含有评估MAX19710–MAX19713模拟前端(AFE)性能所需的全部元件。这四款AFE集成有双路接收模数转换器(Rx ADC)、双路发送数模转换器(Tx DAC)、1.024V内部电压基准、三个低速串行DAC和一个低速串行ADC。评估板Rx ADC可接收交流或直流耦合的差分或单端模拟输入,包括有能将Tx DAC差分输出信号转换成单端模拟输出的电路。评估板还包括有从交流正弦输入信号产生时钟信号的电路。评估板采用+3.0V模拟电源、+1.8V数字电源、+3.0V时钟电源和±5V双极性电源供电。

Maxim命令模块接口板(CMODUSB)允许PC通过其USB端口仿真3线SPI™接口。Windows® 98SE/2000/XP兼容软件提供友好的用户界面,用于演示MAX19710–MAX19713的功能。该软件可从china.maximintegrated.com/evkitsoftware下载。该程序采用菜单驱动,提供带控制按钮与状态显示的图形化用户界面(GUI)。

应用

  • 无线宽带接入装置
  • 便携式通信设备
  • 个人移动无线装置

MAX19712EVKIT

MAX19710、MAX19712和MAX19713评估板/评估系统

特性和优点

  • ADC/DAC采样速率范围从7.5Msps至45Msps
  • 低电压低功耗工作
  • 增益可调的低速DAC缓冲器
  • 板载时钟整形电路
  • 板载电平转换I/O驱动
  • 经过完全安装与测试
  • 可下载Windows 98SE/2000/XP兼容软件

产品详情

MAX19710–MAX19713评估系统(EV system)由MAX19710–MAX19713评估板(EV kit)、Maxim命令模块(CMODUSB)接口板和软件组成。欲使用个人计算机对MAX19710–MAX19713进行全面评估,请订购完整的EV系统(参考完整数据资料中的定购信息)。若之前在购买Maxim的评估系统时已经购买了命令模块,或在其它微控制器(µC)系统中进行评估,请订购评估板。

MAX19710–MAX19713评估板是经过完全安装与测试的PCB,包含有评估MAX19710–MAX19713模拟前端(AFE)性能所需的全部元件。这四款AFE集成有双路接收模数转换器(Rx ADC)、双路发送数模转换器(Tx DAC)、1.024V内部电压基准、三个低速串行DAC和一个低速串行ADC。评估板Rx ADC可接收交流或直流耦合的差分或单端模拟输入,包括有能将Tx DAC差分输出信号转换成单端模拟输出的电路。评估板还包括有从交流正弦输入信号产生时钟信号的电路。评估板采用+3.0V模拟电源、+1.8V数字电源、+3.0V时钟电源和±5V双极性电源供电。

Maxim命令模块接口板(CMODUSB)允许PC通过其USB端口仿真3线SPI™接口。Windows® 98SE/2000/XP兼容软件提供友好的用户界面,用于演示MAX19710–MAX19713的功能。该软件可从china.maximintegrated.com/evkitsoftware下载。该程序采用菜单驱动,提供带控制按钮与状态显示的图形化用户界面(GUI)。

应用

  • 无线宽带接入装置
  • 便携式通信设备
  • 个人移动无线装置

MAX19710EVCMODU

MAX19710、MAX19712和MAX19713评估板/评估系统

特性和优点

  • ADC/DAC采样速率范围从7.5Msps至45Msps
  • 低电压低功耗工作
  • 增益可调的低速DAC缓冲器
  • 板载时钟整形电路
  • 板载电平转换I/O驱动
  • 经过完全安装与测试
  • 可下载Windows 98SE/2000/XP兼容软件

产品详情

MAX19710–MAX19713评估系统(EV system)由MAX19710–MAX19713评估板(EV kit)、Maxim命令模块(CMODUSB)接口板和软件组成。欲使用个人计算机对MAX19710–MAX19713进行全面评估,请订购完整的EV系统(参考完整数据资料中的定购信息)。若之前在购买Maxim的评估系统时已经购买了命令模块,或在其它微控制器(µC)系统中进行评估,请订购评估板。

MAX19710–MAX19713评估板是经过完全安装与测试的PCB,包含有评估MAX19710–MAX19713模拟前端(AFE)性能所需的全部元件。这四款AFE集成有双路接收模数转换器(Rx ADC)、双路发送数模转换器(Tx DAC)、1.024V内部电压基准、三个低速串行DAC和一个低速串行ADC。评估板Rx ADC可接收交流或直流耦合的差分或单端模拟输入,包括有能将Tx DAC差分输出信号转换成单端模拟输出的电路。评估板还包括有从交流正弦输入信号产生时钟信号的电路。评估板采用+3.0V模拟电源、+1.8V数字电源、+3.0V时钟电源和±5V双极性电源供电。

Maxim命令模块接口板(CMODUSB)允许PC通过其USB端口仿真3线SPI™接口。Windows® 98SE/2000/XP兼容软件提供友好的用户界面,用于演示MAX19710–MAX19713的功能。该软件可从china.maximintegrated.com/evkitsoftware下载。该程序采用菜单驱动,提供带控制按钮与状态显示的图形化用户界面(GUI)。

应用

  • 无线宽带接入装置
  • 便携式通信设备
  • 个人移动无线装置

MAX19713EVKIT

MAX19710、MAX19712和MAX19713评估板/评估系统

特性和优点

  • ADC/DAC采样速率范围从7.5Msps至45Msps
  • 低电压低功耗工作
  • 增益可调的低速DAC缓冲器
  • 板载时钟整形电路
  • 板载电平转换I/O驱动
  • 经过完全安装与测试
  • 可下载Windows 98SE/2000/XP兼容软件

产品详情

MAX19710–MAX19713评估系统(EV system)由MAX19710–MAX19713评估板(EV kit)、Maxim命令模块(CMODUSB)接口板和软件组成。欲使用个人计算机对MAX19710–MAX19713进行全面评估,请订购完整的EV系统(参考完整数据资料中的定购信息)。若之前在购买Maxim的评估系统时已经购买了命令模块,或在其它微控制器(µC)系统中进行评估,请订购评估板。

MAX19710–MAX19713评估板是经过完全安装与测试的PCB,包含有评估MAX19710–MAX19713模拟前端(AFE)性能所需的全部元件。这四款AFE集成有双路接收模数转换器(Rx ADC)、双路发送数模转换器(Tx DAC)、1.024V内部电压基准、三个低速串行DAC和一个低速串行ADC。评估板Rx ADC可接收交流或直流耦合的差分或单端模拟输入,包括有能将Tx DAC差分输出信号转换成单端模拟输出的电路。评估板还包括有从交流正弦输入信号产生时钟信号的电路。评估板采用+3.0V模拟电源、+1.8V数字电源、+3.0V时钟电源和±5V双极性电源供电。

Maxim命令模块接口板(CMODUSB)允许PC通过其USB端口仿真3线SPI™接口。Windows® 98SE/2000/XP兼容软件提供友好的用户界面,用于演示MAX19710–MAX19713的功能。该软件可从china.maximintegrated.com/evkitsoftware下载。该程序采用菜单驱动,提供带控制按钮与状态显示的图形化用户界面(GUI)。

应用

  • 无线宽带接入装置
  • 便携式通信设备
  • 个人移动无线装置

MAX19710EVKIT

MAX19710、MAX19712和MAX19713评估板/评估系统

特性和优点

  • ADC/DAC采样速率范围从7.5Msps至45Msps
  • 低电压低功耗工作
  • 增益可调的低速DAC缓冲器
  • 板载时钟整形电路
  • 板载电平转换I/O驱动
  • 经过完全安装与测试
  • 可下载Windows 98SE/2000/XP兼容软件

产品详情

MAX19710–MAX19713评估系统(EV system)由MAX19710–MAX19713评估板(EV kit)、Maxim命令模块(CMODUSB)接口板和软件组成。欲使用个人计算机对MAX19710–MAX19713进行全面评估,请订购完整的EV系统(参考完整数据资料中的定购信息)。若之前在购买Maxim的评估系统时已经购买了命令模块,或在其它微控制器(µC)系统中进行评估,请订购评估板。

MAX19710–MAX19713评估板是经过完全安装与测试的PCB,包含有评估MAX19710–MAX19713模拟前端(AFE)性能所需的全部元件。这四款AFE集成有双路接收模数转换器(Rx ADC)、双路发送数模转换器(Tx DAC)、1.024V内部电压基准、三个低速串行DAC和一个低速串行ADC。评估板Rx ADC可接收交流或直流耦合的差分或单端模拟输入,包括有能将Tx DAC差分输出信号转换成单端模拟输出的电路。评估板还包括有从交流正弦输入信号产生时钟信号的电路。评估板采用+3.0V模拟电源、+1.8V数字电源、+3.0V时钟电源和±5V双极性电源供电。

Maxim命令模块接口板(CMODUSB)允许PC通过其USB端口仿真3线SPI™接口。Windows® 98SE/2000/XP兼容软件提供友好的用户界面,用于演示MAX19710–MAX19713的功能。该软件可从china.maximintegrated.com/evkitsoftware下载。该程序采用菜单驱动,提供带控制按钮与状态显示的图形化用户界面(GUI)。

应用

  • 无线宽带接入装置
  • 便携式通信设备
  • 个人移动无线装置

MAX19711EVKIT

MAX19710、MAX19712和MAX19713评估板/评估系统

特性和优点

  • ADC/DAC采样速率范围从7.5Msps至45Msps
  • 低电压低功耗工作
  • 增益可调的低速DAC缓冲器
  • 板载时钟整形电路
  • 板载电平转换I/O驱动
  • 经过完全安装与测试
  • 可下载Windows 98SE/2000/XP兼容软件

产品详情

MAX19710–MAX19713评估系统(EV system)由MAX19710–MAX19713评估板(EV kit)、Maxim命令模块(CMODUSB)接口板和软件组成。欲使用个人计算机对MAX19710–MAX19713进行全面评估,请订购完整的EV系统(参考完整数据资料中的定购信息)。若之前在购买Maxim的评估系统时已经购买了命令模块,或在其它微控制器(µC)系统中进行评估,请订购评估板。

MAX19710–MAX19713评估板是经过完全安装与测试的PCB,包含有评估MAX19710–MAX19713模拟前端(AFE)性能所需的全部元件。这四款AFE集成有双路接收模数转换器(Rx ADC)、双路发送数模转换器(Tx DAC)、1.024V内部电压基准、三个低速串行DAC和一个低速串行ADC。评估板Rx ADC可接收交流或直流耦合的差分或单端模拟输入,包括有能将Tx DAC差分输出信号转换成单端模拟输出的电路。评估板还包括有从交流正弦输入信号产生时钟信号的电路。评估板采用+3.0V模拟电源、+1.8V数字电源、+3.0V时钟电源和±5V双极性电源供电。

Maxim命令模块接口板(CMODUSB)允许PC通过其USB端口仿真3线SPI™接口。Windows® 98SE/2000/XP兼容软件提供友好的用户界面,用于演示MAX19710–MAX19713的功能。该软件可从china.maximintegrated.com/evkitsoftware下载。该程序采用菜单驱动,提供带控制按钮与状态显示的图形化用户界面(GUI)。

应用

  • 无线宽带接入装置
  • 便携式通信设备
  • 个人移动无线装置

MAX19712EVCMODU

MAX19710、MAX19712和MAX19713评估板/评估系统

特性和优点

  • ADC/DAC采样速率范围从7.5Msps至45Msps
  • 低电压低功耗工作
  • 增益可调的低速DAC缓冲器
  • 板载时钟整形电路
  • 板载电平转换I/O驱动
  • 经过完全安装与测试
  • 可下载Windows 98SE/2000/XP兼容软件

产品详情

MAX19710–MAX19713评估系统(EV system)由MAX19710–MAX19713评估板(EV kit)、Maxim命令模块(CMODUSB)接口板和软件组成。欲使用个人计算机对MAX19710–MAX19713进行全面评估,请订购完整的EV系统(参考完整数据资料中的定购信息)。若之前在购买Maxim的评估系统时已经购买了命令模块,或在其它微控制器(µC)系统中进行评估,请订购评估板。

MAX19710–MAX19713评估板是经过完全安装与测试的PCB,包含有评估MAX19710–MAX19713模拟前端(AFE)性能所需的全部元件。这四款AFE集成有双路接收模数转换器(Rx ADC)、双路发送数模转换器(Tx DAC)、1.024V内部电压基准、三个低速串行DAC和一个低速串行ADC。评估板Rx ADC可接收交流或直流耦合的差分或单端模拟输入,包括有能将Tx DAC差分输出信号转换成单端模拟输出的电路。评估板还包括有从交流正弦输入信号产生时钟信号的电路。评估板采用+3.0V模拟电源、+1.8V数字电源、+3.0V时钟电源和±5V双极性电源供电。

Maxim命令模块接口板(CMODUSB)允许PC通过其USB端口仿真3线SPI™接口。Windows® 98SE/2000/XP兼容软件提供友好的用户界面,用于演示MAX19710–MAX19713的功能。该软件可从china.maximintegrated.com/evkitsoftware下载。该程序采用菜单驱动,提供带控制按钮与状态显示的图形化用户界面(GUI)。

应用

  • 无线宽带接入装置
  • 便携式通信设备
  • 个人移动无线装置

MAX19711EVCMODU

MAX19710、MAX19712和MAX19713评估板/评估系统

特性和优点

  • ADC/DAC采样速率范围从7.5Msps至45Msps
  • 低电压低功耗工作
  • 增益可调的低速DAC缓冲器
  • 板载时钟整形电路
  • 板载电平转换I/O驱动
  • 经过完全安装与测试
  • 可下载Windows 98SE/2000/XP兼容软件

产品详情

MAX19710–MAX19713评估系统(EV system)由MAX19710–MAX19713评估板(EV kit)、Maxim命令模块(CMODUSB)接口板和软件组成。欲使用个人计算机对MAX19710–MAX19713进行全面评估,请订购完整的EV系统(参考完整数据资料中的定购信息)。若之前在购买Maxim的评估系统时已经购买了命令模块,或在其它微控制器(µC)系统中进行评估,请订购评估板。

MAX19710–MAX19713评估板是经过完全安装与测试的PCB,包含有评估MAX19710–MAX19713模拟前端(AFE)性能所需的全部元件。这四款AFE集成有双路接收模数转换器(Rx ADC)、双路发送数模转换器(Tx DAC)、1.024V内部电压基准、三个低速串行DAC和一个低速串行ADC。评估板Rx ADC可接收交流或直流耦合的差分或单端模拟输入,包括有能将Tx DAC差分输出信号转换成单端模拟输出的电路。评估板还包括有从交流正弦输入信号产生时钟信号的电路。评估板采用+3.0V模拟电源、+1.8V数字电源、+3.0V时钟电源和±5V双极性电源供电。

Maxim命令模块接口板(CMODUSB)允许PC通过其USB端口仿真3线SPI™接口。Windows® 98SE/2000/XP兼容软件提供友好的用户界面,用于演示MAX19710–MAX19713的功能。该软件可从china.maximintegrated.com/evkitsoftware下载。该程序采用菜单驱动,提供带控制按钮与状态显示的图形化用户界面(GUI)。

应用

  • 无线宽带接入装置
  • 便携式通信设备
  • 个人移动无线装置

MAX19713EVCMODU
MAX19710、MAX19712和MAX19713评估板/评估系统
MAX19712EVKIT
MAX19710、MAX19712和MAX19713评估板/评估系统
MAX19710EVCMODU
MAX19710、MAX19712和MAX19713评估板/评估系统
MAX19713EVKIT
MAX19710、MAX19712和MAX19713评估板/评估系统
MAX19710EVKIT
MAX19710、MAX19712和MAX19713评估板/评估系统
MAX19711EVKIT
MAX19710、MAX19712和MAX19713评估板/评估系统
MAX19712EVCMODU
MAX19710、MAX19712和MAX19713评估板/评估系统
MAX19711EVCMODU
MAX19710、MAX19712和MAX19713评估板/评估系统

最新评论

需要发起讨论吗? 没有关于 MAX19712的相关讨论?是否需要发起讨论?

在EngineerZone®上发起讨论

近期浏览