MAX1343

量产

12位、多通道ADC/DAC,带有FIFO、温度传感器和GPIO端口

产品技术资料帮助

ADI公司所提供的资料均视为准确、可靠。但本公司不为用户在应用过程中侵犯任何专利权或第三方权利承担任何责任。技术指标的修改不再另行通知。本公司既没有含蓄的允许,也不允许借用ADI公司的专利或专利权的名义。本文出现的商标和注册商标所有权分别属于相应的公司。

Viewing:

概述

  • 12位、225ksps ADC
    • 内置真差分采样/保持(T/H)的模拟多路复用器
    • 12个单端通道或6个差分通道(单极型或双极型) (MAX1223)
    • 8个单端通道或4个差分通道(单极型或双极型) (MAX1221/MAX1343)
    • 高精度:±0.5 LSB INL,±0.5 LSB DNL
  • 12位、八路、2µs稳定的DAC (MAX1221/MAX1223)
    • 超低脉冲干扰能量(4nV•s)
    • 上电时可选择零值或满量程
    • 高精度:±0.5 LSB INL
  • 内部基准或外部单端/差分基准
    • 内部基准电压2.5V
  • 内部±1°C的精密温度传感器
  • 片上FIFO,可以存储16个ADC转换结果和一个温度结果
  • 片上通道扫描模式和内部数据平均功能
  • 模拟单电源工作
    • +2.7V至+5.25V
  • +1.8V至AVDD数字电源
  • 25MHz,SPI/QSPI/MICROWIRE串行接口
  • 转换之间的AutoShutdown功能
  • 低功耗ADC
    • 225ksps下2.5mA
    • 1ksps下22µA
    • 关断时0.2µA
  • 低功耗DAC:1.5mA
  • 可提供评估板(请定购MAX1258EVKIT)

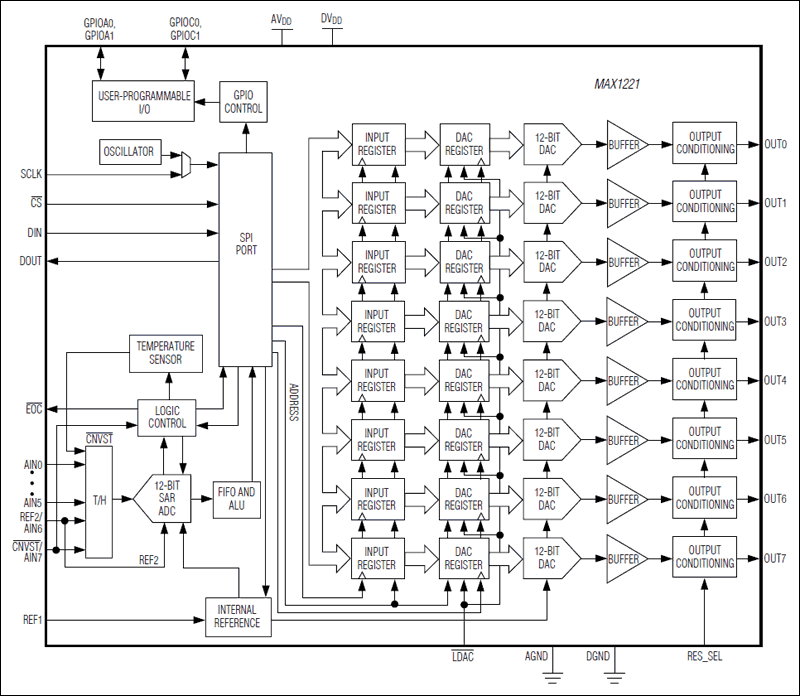
MAX1221/MAX1223/MAX1343将一个12位、多路模数转换器(ADC)和一个12位数模转换器(DAC)集成在单片IC上。这些器件还包含了温度传感器、可配置的通用I/O端口(GPIO)和一个25MHz的SPI™/QSPI™/MICROWIRE™兼容串行接口。该系列ADC具有8/12输入通道的产品。DAC输出在2.0µs内稳定,ADC转换速率为225ksps。

所有器件中都包括一个内部基准(2.5V),为ADC和DAC提供经过良好稳压、低噪声的基准电压。可编程的基准模式允许选择内部基准、外部基准 或两者的组合。内部包括:±1°C的精密温度传感器、FIFO、扫描模式、可编程内部或外部时钟模式、数据平均与AutoShutdown™等功能,可以使用户对功耗以及处理器的要求降到最低。集成的DAC具有低脉冲干扰能量(4nV•s)与低数字馈通(0.5nV•s)特性,使这些器件非常适合快速响应闭环系统的数字控制。

这些器件保证工作在+2.7V至+5.25V。在225ksps吞吐率下消耗2.5mA电流,在1ksps吞吐率下仅消耗22µA电流,关断模式下耗电低于0.2µA。MAX1221/MAX1343提供4个GPIO,可以配置为输入或输出。

MAX1221/MAX1223/MAX1343采用36引脚薄型QFN封装。所有器件工作温度范围均为-40°C至+85°C。

应用

  • 光通信设备与基站的闭环控制
  • 数据采集系统
  • 系统监控和控制

MAX1343
12位、多通道ADC/DAC,带有FIFO、温度传感器和GPIO端口
MAX1221、MAX1223、MAX1343:功能框图title=
添加至 myAnalog

将产品添加到myAnalog 的现有项目或新项目中(接收通知)。

创建新项目
提问

参考资料

了解更多
添加至 myAnalog

Add media to the Resources section of myAnalog, to an existing project or to a new project.

创建新项目

硬件生态系统

部分模型 产品周期 描述
模数转换器(ADC) 5
MAX1230 量产 12位、300ksps ADC,带有FIFO、温度传感器及内部电压基准
MAX1231 量产 12位、300ksps ADC,带有FIFO、温度传感器及内置电压基准
MAX11637 量产 12位、300ksps ADC,带有差分采样/保持和内部基准
MAX146 量产 +2.7V、低功耗、8通道、串行12位ADC
MAX11628 量产 12位、300ksps ADC,带有FIFO和内部电压基准
Modal heading
添加至 myAnalog

将产品添加到myAnalog 的现有项目或新项目中(接收通知)。

创建新项目

最新评论

需要发起讨论吗? 没有关于 MAX1343的相关讨论?是否需要发起讨论?

在EngineerZone®上发起讨论

近期浏览