MAX1204
量产5V、8通道、串行、10位ADC,3V数字接口
可理想用于10位+5V或±5V模拟、+3V数字供电系统
- 产品模型
- 8
概述
- 8通道单端或4通道差分输入
- 采用+5V单电源或±5V双电源供电
- 用户可调输出逻辑电平(2.7V至5.25V)
- 低功耗
- 1.5mA(工作模式)
- 2µA(关断模式)
- 内部采样/保持,133kHz采样速率
- 4.096V内部基准电压源
- SPI/MICROWIRE/TMS320兼容型4线串行接口
- 软件可配置的单极性/双极性输入
- 20引脚PDIP/SSOP封装
- 引脚兼容的12位升级产品:MAX1202
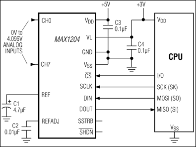
MAX1204是一款10位数据采集系统,专门用于具有+5V(模拟)和+3V(数字)混合电源电压的应用。它采用+5V单模拟电源或±5V双模拟电源供电,并集成了8通道多路复用器、内部采样/保持功能和串行接口,提供高转换速度和低功耗。
4线串行接口直接连接到SPI/MICROWIRE®器件,无需外部逻辑,串行选通输出支持直接连接到TMS320系列数字信号处理器。MAX1204使用内部时钟或外部串行接口时钟进行逐次逼近模数转换。串行接口的工作频率高达2MHz。
MAX1204具有一个4.096V内部基准电压源和一个可简化增益调整的基准电压缓冲放大器。它还具有一个为数字输出供电的VL引脚。输出逻辑电平(3V、3.3V或5V)由施加到该引脚的电压值决定。
提供一个硬连线的低电平有效SHDN引脚和两种软件可选关断模式。访问串行接口即可自动使器件上电。MAX1204具有快速开启时间,因此可以在两次转换之间关断,便于用户优化电源电流。通过自定义两次转换之间的关断,电源电流可以在采样速率降低的情况下降至10µA以下。
MAX1204采用20引脚SSOP和PDIP封装,在商用和扩展级温度范围内符合规格。
应用
- 5V/3V混合电源系统
- 电池供电应用
- 数据采集
- 医疗仪器
- 过程控制
参考资料
数据手册 2
可靠性数据 1
ADI 始终高度重视提供符合最高质量和可靠性水平的产品。我们通过将质量和可靠性检查纳入产品和工艺设计的各个范围以及制造过程来实现这一目标。出货产品的“零缺陷”始终是我们的目标。查看我们的质量和可靠性计划和认证以了解更多信息。
| 产品型号 | 引脚/封装图-中文版 | 文档 | CAD 符号,脚注和 3D模型 |
|---|---|---|---|
| MAX1204ACAP+ | 20-SSOP-5.3_MM | ||
| MAX1204AEAP+ | 20-SSOP-5.3_MM | ||
| MAX1204AEAP+T | 20-SSOP-5.3_MM | ||
| MAX1204BCAP+ | 20-SSOP-5.3_MM | ||
| MAX1204BCAP+T | 20-SSOP-5.3_MM | ||
| MAX1204BCPP+ | Plastic Dual-In-Line, Narrow (0.3in) | ||
| MAX1204BEAP+ | 20-SSOP-5.3_MM | ||
| MAX1204BEAP+T | 20-SSOP-5.3_MM |
| 产品型号 | 产品生命周期 | PCN |
|---|---|---|
|
7月 28, 2023 - 2361H WAFER FAB |
||
| MAX1204AEAP+ | 量产 | |
| MAX1204AEAP+T | 量产 | |
| MAX1204BCAP+ | 量产 | |
| MAX1204BCAP+T | 量产 | |
| MAX1204BCPP+ | 量产 | |
| MAX1204BEAP+ | 量产 | |
| MAX1204BEAP+T | 量产 | |
这是最新版本的数据手册
软件资源
找不到您所需的软件或驱动?
申请驱动/软件硬件生态系统
最新评论
需要发起讨论吗? 没有关于 MAX1204的相关讨论?是否需要发起讨论?
在EngineerZone®上发起讨论