LTC2664

量产

具10ppm/ºC 最大值基准的 4 通道、16 位 / 12 位、±10V VOUT SoftSpan DAC

产品技术资料帮助

ADI公司所提供的资料均视为准确、可靠。但本公司不为用户在应用过程中侵犯任何专利权或第三方权利承担任何责任。技术指标的修改不再另行通知。本公司既没有含蓄的允许,也不允许借用ADI公司的专利或专利权的名义。本文出现的商标和注册商标所有权分别属于相应的公司。

Viewing:

概述

  • 高精度基准:10ppm/ºC (最大值)
  • 可独立编程的输出范围:0V 至 5V、0V 至 10V、±2.5V、±5V、±10V
  • 可在所有范围提供完整的 16 位 / 12 位分辨率
  • 最大 INL 误差:±4LSB (在 16 位)
  • 可通过软件或专用引脚实现 A/B 切换
  • 具辅助输入的模拟多路复用器
  • 在整个温度范围内保证单调
  • 内部或外部基准
  • 输出驱动 ±10mA 得到保证
  • 1.8V 至 5V SPI 串行接口
  • 32 引脚 (5mm x 5mm) QFN 封装

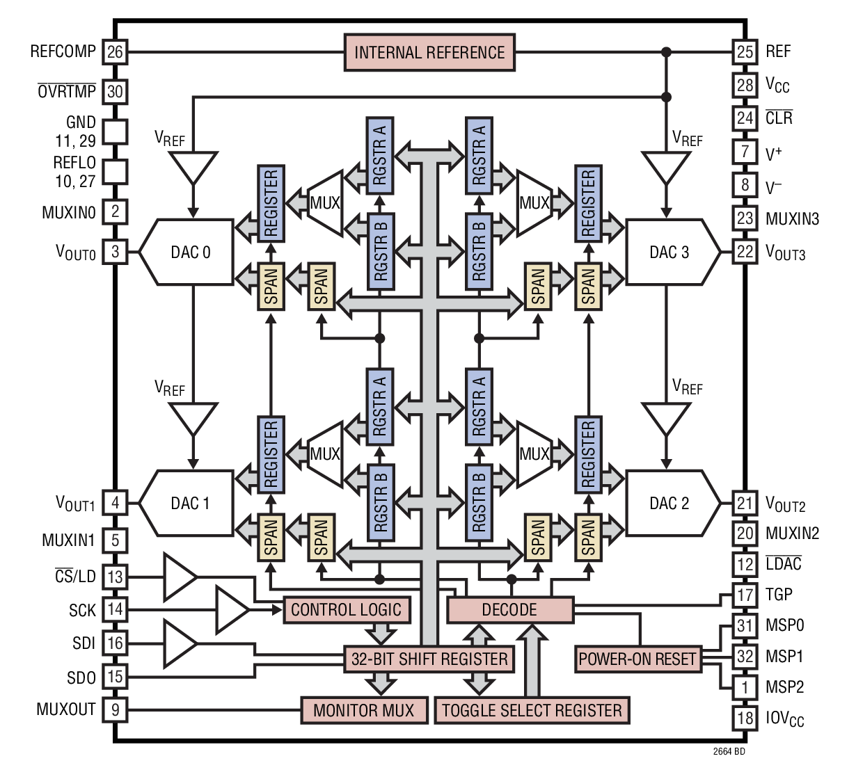
LTC®2664 是一个 4 通道、16 位 / 12 位、±10V 数模转换器系列,其具有集成型高精度基准。这些器件保证具备单调特性,并具有内置的轨至轨输出缓冲器。这些 SoftSpan DAC 提供了 5 种输出范围,最高达 ±10V。每个通道的范围可单独设置,或者,也可以针对某种固定范围内的运作对器件进行硬件配置。

集成型 2.5V 基准单独缓冲至每个通道;一个外部基准可用于提供附加的范围选项。另外,LTC2664 还具备通过一个专用引脚或软件切换命令实现的 A/B 切换能力。

可兼容 SPI / Microwire 的三线式串行接口可依靠低至 1.71V 的逻辑电平在高达 50MHz 的时钟速率下操作。



Applications

  • 光网络
  • 仪表
  • 数据采集
  • 自动测试设备
  • 过程控制和工业自动化

LTC2664
具10ppm/ºC 最大值基准的 4 通道、16 位 / 12 位、±10V VOUT SoftSpan DAC
Integral Nonlinearity (LTC2664-16) Product Package 1
添加至 myAnalog

将产品添加到myAnalog 的现有项目或新项目中(接收通知)。

创建新项目
提问

参考资料

了解更多
添加至 myAnalog

Add media to the Resources section of myAnalog, to an existing project or to a new project.

创建新项目

软件资源


工具及仿真模型


评估套件

eval board
DC2376A-B

LTC2664-12 Demo Board | Quad 12-Bit ±10V VOUT SoftSpan DAC with 10ppm/°C Max Reference (Requires DC2026 or DC590)

产品详情

Demonstration circuit 2376A features the LTC2664, 4-channel 16-Bit/12-Bit ±10V VOUT SoftSpan DACs with 10ppm/°C max reference in a 5mm × 5mm QFN package. This device features per-channel SoftSpan configuration with five output ranges: 0V to 5V, 0V to 10V, ±2.5V, ±5V, and ±10V. A toggle feature allows any or all DACs to switch between two programmed codes via a single SPI command or by the TGP input pin. The versatile SPI interface can operate on any logic level between 1.71V and 5.5V, for easy interface to lower voltage microcontrollers or FPGAs.

eval board
DC2376A-A

LTC2664-16 Demo Board | Quad 16-Bit ±10V VOUT SoftSpan DAC with 10ppm/°C Max Reference (Requires DC2026 or DC590)

产品详情

Demonstration circuit 2376A features the LTC2664, 4-channel 16-Bit/12-Bit ±10V VOUT SoftSpan DACs with 10ppm/°C max reference in a 5mm × 5mm QFN package. This device features per-channel SoftSpan configuration with five output ranges: 0V to 5V, 0V to 10V, ±2.5V, ±5V, and ±10V. A toggle feature allows any or all DACs to switch between two programmed codes via a single SPI command or by the TGP input pin. The versatile SPI interface can operate on any logic level between 1.71V and 5.5V, for easy interface to lower voltage microcontrollers or FPGAs.

DC2376A-B
LTC2664-12 Demo Board | Quad 12-Bit ±10V VOUT SoftSpan DAC with 10ppm/°C Max Reference (Requires DC2026 or DC590)
DC2376A - Schematic
DC2376A-A
LTC2664-16 Demo Board | Quad 16-Bit ±10V VOUT SoftSpan DAC with 10ppm/°C Max Reference (Requires DC2026 or DC590)
DC2376A-A Demo Board DC2376A-A Demo Board DC2376A-A Demo Board DC2376A-A Demo Board DC2376A-A Demo Board DC2376A - Schematic

最新评论

近期浏览