LTC2269

量产

16位、20Msps、低噪声ADC

产品技术资料帮助

ADI公司所提供的资料均视为准确、可靠。但本公司不为用户在应用过程中侵犯任何专利权或第三方权利承担任何责任。技术指标的修改不再另行通知。本公司既没有含蓄的允许,也不允许借用ADI公司的专利或专利权的名义。本文出现的商标和注册商标所有权分别属于相应的公司。

Viewing:

概述

  • 84.1dB SNR (46μVRMS 输入参考噪声)
  • 99dB SFDR
  • ±2.3LSB INL (最大值)
  • 低功率:88mW
  • 单 1.8V 电源
  • CMOS、DDR CMOS 或 DDR LVDS 输出
  • 可选的输入范围:1VP-P 至 2.1VP-P
  • 200MHz 满功率带宽 S/H (采样及保持)
  • 停机和打盹模式
  • 用于配置的串行 SPI 端口
  • 引脚可兼容 LTC2160:16 位、25Msps、45mW
  • 48 引脚 (7mm x 7mm) QFN 封装

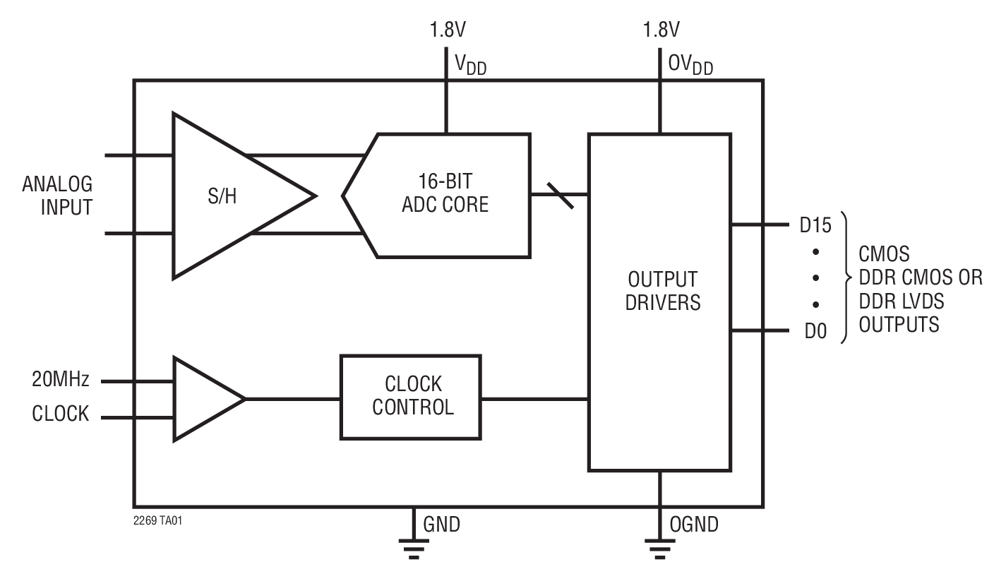
LTC®2269是一款采样16位模数转换器,专为对高频、宽动态范围信号进行数字化处理而设计。它非常适合要求苛刻的通信应用,具有84.1dB SNR和99dB无杂散动态范围(SFDR)等AC性能。

直流特性包括±1LSB INL(典型值)、±0.2LSB DNL(典型值),并在工作温度范围内无失码。转换噪声为1.44LSBRMS

数字输出可以是全速率CMOS、双倍数据速率CMOS或双倍数据速率LVDS。单独的输出电源可提供1.2V至1.8V的CMOS输出摆幅。

ENC+和ENC输入可采用正弦波、PECL、LVDS、TTL或CMOS输入以差分或单端方式驱动。可选的时钟占空比稳定器可在较宽的时钟占空比范围内提供高性能和高速度。


应用

  • 低功耗仪器仪表
  • 软件定义无线电
  • 便携式医疗成像
  • 多通道数据采集

LTC2269
16位、20Msps、低噪声ADC
Integral Non-Linearity (INL) Product Package 1 Product Package 2
添加至 myAnalog

将产品添加到myAnalog 的现有项目或新项目中(接收通知)。

创建新项目
提问

参考资料

数据手册 1

可靠性数据 1

用户手册 1

了解更多
添加至 myAnalog

Add media to the Resources section of myAnalog, to an existing project or to a new project.

创建新项目

软件资源

Evaluation Software 1

LinearLab Tools

A collection of Matlab and Python programs that provide direct access to Linear Technology’s data converter evaluation boards.


工具及仿真模型

IBIS 模型 1


评估套件

eval board
DC1762A-H

LTC2269: 16-bit 20Msps Low Noise ADC, LVDS Outputs, 5-140MHz, Requires DC890, LVDS_XFMR and DC1075

产品详情

DC1762A-H: Demo Board for the LTC2269 16-Bit, 20Msps Low Noise ADC.


 


DC1762A-H
LTC2269: 16-bit 20Msps Low Noise ADC, LVDS Outputs, 5-140MHz, Requires DC890, LVDS_XFMR and DC1075
DC1762A-A - Schematic

最新评论

需要发起讨论吗? 没有关于 LTC2269的相关讨论?是否需要发起讨论?

在EngineerZone®上发起讨论

近期浏览