LTC1657
量产并行 16 位轨至轨微功率 DAC
- 产品模型
 - 8
 
概述
- 在整个温度范围内保持 16 位单调
 - 去毛刺干扰轨至轨电压输出:8nV · s
 - ICC:650μA (典型值)
 - 最大 DNL 误差:±1LSB
 - 稳定时间:20μs (至 ±1LSB)
 - 内置基准:
    
- 2.048V (LTC1657)
 - 1.25V (LTC1657L)
 
 - 内部上电复位至 0V
 - 异步 CLR 引脚
 - 输出缓冲器可针对增益 = 1 或 2 进行配置
 - 并行 16 位或 2 字节双缓冲接口
 - 乘法能力
 - 窄体 28 引脚 SSOP 封装
 
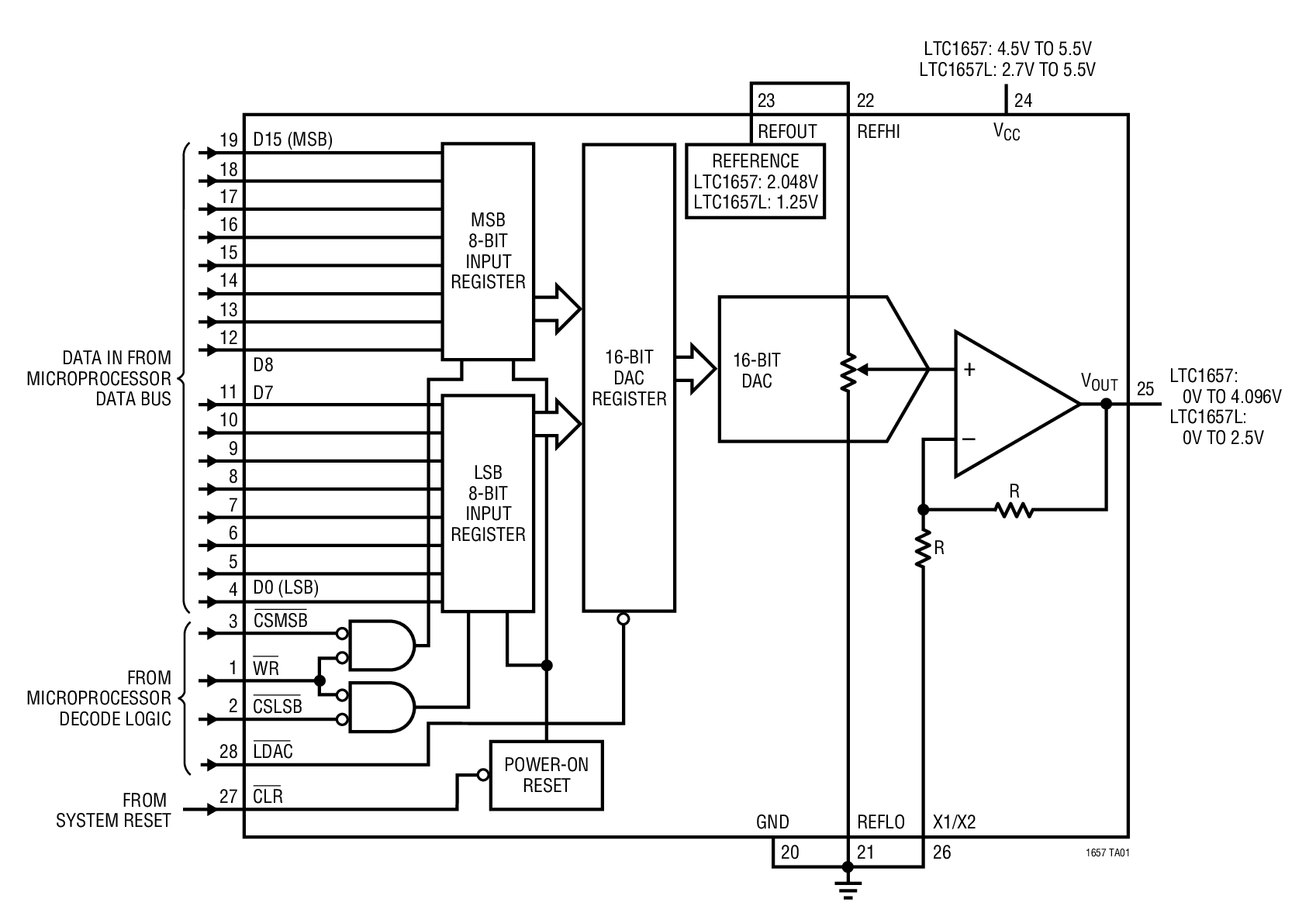
LTC®1657 / LTC1657L 是采用 28 引脚 SSOP 封装的完整单电源、轨至轨电压输出、16 位数模转换器 (DAC)。这些器件内置了一个轨至轨输出缓冲放大器、一个内部基准和一个双平衡并行数字接口。
LTC1657 / LTC1657L 具有分离的基准输入引脚,可利用一个外部基准来驱动。全标度输出可以是基准电压的 1 倍或 2 倍,这取决于 X1/X2 引脚的连接方式。LTC1657 采用一个 4.5V 至 5.5V 的工作电源,并具有一个 2.048V 片内基准。LTC1657L 依靠一个 2.7V 至 5.5V 电源供电运作,且具有一个 1.25V 片内基准。
LTC1657 / LTC1657L 类似于凌力尔特公司的 LTC1450 / LTC1450L 12 位VOUT DAC 系列,从而提供了一条升级途径。它们是仅有采用 28 引脚 SSOP 封装的缓冲 16 位并行 DAC,并包括一个用于独立执行的片内基准。
Applications
- 仪表
 - 数字校准
 - 工业过程控制
 - 自动测试设备
 - 通信测试设备
 
参考资料
数据手册 1
可靠性数据 1
ADI 始终高度重视提供符合最高质量和可靠性水平的产品。我们通过将质量和可靠性检查纳入产品和工艺设计的各个范围以及制造过程来实现这一目标。出货产品的“零缺陷”始终是我们的目标。查看我们的质量和可靠性计划和认证以了解更多信息。
| 产品型号 | 引脚/封装图-中文版 | 文档 | CAD 符号,脚注和 3D模型 | 
|---|---|---|---|
| LTC1657CGN#PBF | 28-Lead SSOP (Narrow 0.15 Inch) | ||
| LTC1657CGN#TRPBF | 28-Lead SSOP (Narrow 0.15 Inch) | ||
| LTC1657IGN#PBF | 28-Lead SSOP (Narrow 0.15 Inch) | ||
| LTC1657IGN#TRPBF | 28-Lead SSOP (Narrow 0.15 Inch) | ||
| LTC1657LCGN#PBF | 28-Lead SSOP (Narrow 0.15 Inch) | ||
| LTC1657LCGN#TRPBF | 28-Lead SSOP (Narrow 0.15 Inch) | ||
| LTC1657LIGN#PBF | 28-Lead SSOP (Narrow 0.15 Inch) | ||
| LTC1657LIGN#TRPBF | 28-Lead SSOP (Narrow 0.15 Inch) | 
| 产品型号 | 产品生命周期 | PCN | 
|---|---|---|
| 
                                                            8月 10, 2022 - 22_0177 Laser Top Mark Conversion for QSOP20_24_28 Assembled in ADPG [PNG] and UTL  | 
                                                    ||
| LTC1657CGN#PBF | 量产 | |
| LTC1657CGN#TRPBF | 量产 | |
| LTC1657IGN#PBF | 量产 | |
| LTC1657IGN#TRPBF | 量产 | |
| LTC1657LCGN#PBF | 量产 | |
| LTC1657LCGN#TRPBF | 量产 | |
| LTC1657LIGN#PBF | 量产 | |
| LTC1657LIGN#TRPBF | 量产 | |
这是最新版本的数据手册
软件资源
找不到您所需的软件或驱动?
申请驱动/软件最新评论
需要发起讨论吗? 没有关于 LTC1657的相关讨论?是否需要发起讨论?
在EngineerZone®上发起讨论