LTC1411
量产单电源、14 位、2.5Msps ADC
- 产品模型
- 4
概述
- 采样速率:2.5Msps
- 80dB S/(N + D) 和 90dB THD (在 100kHz fIN)
- 单 5V 电源操作
- 无流水线延迟
- 可编程输入范围
- 低功耗:195mW (典型值)
- 真正的差分输入可抑制共模噪声
- 超范围指示器
- 内部或外部基准
- 睡眠 (1μA) 和打盹 (2mA) 停机模式
- 36 引脚 SSOP 封装
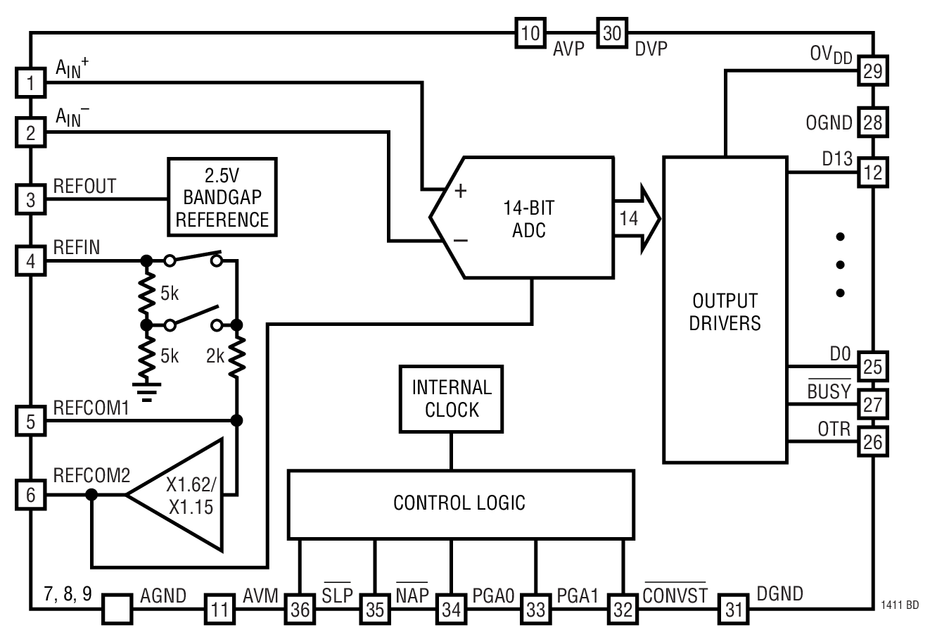
LTC®1411 是一款采用 36 引脚 SSOP 封装的 2.5Msps 采样 14 位 A/D 转换器,其通常仅从单 5V 电源吸取 195mW 功率。这款易用型器件配有一个高动态范围采样及保持电路、一个精准型基准、可编程输入范围和一个在内部修整的时钟。该 ADC 可利用打盹和睡眠模式断电,以适合低功率应用的需要。
LTC1411 可转换差分或单端输入,并以二进制补码格式显示数据。最大 DC 规格包括 ±2LSB INL 和 14 位无漏失码 (在整个温度范围内)。出色的动态性能包括 80dB S/(N + D) 和 90dB THD (在 100kHz 奈奎斯特输入频率)。
LTC1411 具有 4 种通过两个数字输入引脚 PGA0 和 PGA1 进行选择的可编程输入范围。这提供了 ±1.8V、±1.27V、±0.9V 和 ±0.64V 的输入范围。一个超范围信号连同 D13 (MSB) 将指示某个信号是超过还是低于 ADC 的输入范围。一个简单的转换起动输入和一个数据就绪信号简化了至 FIFO、DSP 和微处理器的连接。
应用
- 电信
- 高速数据采集
- 数字信号处理
- 多路复用数据采集系统
- 频谱分析
- 成像系统
参考资料
数据手册 1
可靠性数据 1
设计笔记 1
ADI 始终高度重视提供符合最高质量和可靠性水平的产品。我们通过将质量和可靠性检查纳入产品和工艺设计的各个范围以及制造过程来实现这一目标。出货产品的“零缺陷”始终是我们的目标。查看我们的质量和可靠性计划和认证以了解更多信息。
| 产品型号 | 引脚/封装图-中文版 | 文档 | CAD 符号,脚注和 3D模型 |
|---|---|---|---|
| LTC1411CG#PBF | 36-Lead SSOP | ||
| LTC1411CG#TRPBF | 36-Lead SSOP | ||
| LTC1411IG#PBF | 36-Lead SSOP | ||
| LTC1411IG#TRPBF | 36-Lead SSOP |
| 产品型号 | 产品生命周期 | PCN |
|---|---|---|
|
11月 18, 2019 - 19_0266 Laser Top Mark for SSOP36/44/48 Packages assembled in ADPG and UTAC |
||
| LTC1411CG#PBF | 量产 | |
| LTC1411CG#TRPBF | 量产 | |
| LTC1411IG#PBF | 量产 | |
| LTC1411IG#TRPBF | 量产 | |
这是最新版本的数据手册
软件资源
找不到您所需的软件或驱动?
申请驱动/软件最新评论
需要发起讨论吗? 没有关于 LTC1411的相关讨论?是否需要发起讨论?
在EngineerZone®上发起讨论