ADSP-21160M

量产

80 MHz、600 MFLOPS、3.3v I/O、2.5v内核浮点SHARC

产品技术资料帮助

ADI公司所提供的资料均视为准确、可靠。但本公司不为用户在应用过程中侵犯任何专利权或第三方权利承担任何责任。技术指标的修改不再另行通知。本公司既没有含蓄的允许,也不允许借用ADI公司的专利或专利权的名义。本文出现的商标和注册商标所有权分别属于相应的公司。

Viewing:

概述

  • 无缝群集最多支持6个SHARC
  • 2维和3维阵列链路端口
  • 分布式总线仲裁
  • 统一的存储器空间
  • 每个链路端口提供最高80MB/s I/O速率
  • 320 MB/s外部端口
  • 硬件支持令牌

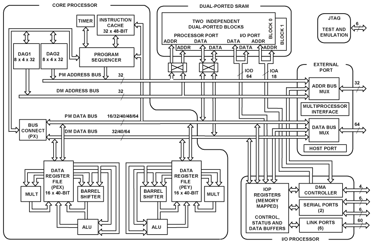
ADSP-21160M DSP是一款SHARC处理器,专门针对电话、医疗成像、雷达/声纳电子、通信、3D图形和成像等应用而进行了优化。ADSP-21160M采用一种单指令多数据(SIMD)架构。

利用2个计算单元(ALU,柱式移位器,MAC,寄存器文件),ADSP-21160M在一系列DSP算法的性能表现比ADSP-2106x高出5倍。该器件与广受欢迎的ADI第一代ADSP-2106x SHARC DSP代码兼容。与其他SHARC一样,ADSP-21160M是一款针对高性能DSP应用而优化过的32位处理器。ADSP-21160M包括一个可以处理32位定点和(32位、40位)浮点数据类型的80 MHz内核、一个双端口4 Mb片内SRAM、一个支持多处理的集成I/O处理器以及旨在消除I/O瓶颈的多个内部总线。

ADSP-21160M专门针对多处理拓扑结构而优化;SHARC通过链路端口或外部端口可以支持多处理。以下示意图显示了群集和链路端口多处理。通过外部端口,最多可以将6个21160M连接在一起,无需添加任何支持逻辑。该共享总线的仲裁集成于芯片上。群集中的每个SHARC都可以访问每个SHARC的内部存储器。通过外部端口连接,还可以共享可选的外部存储器。

6个链路端口则为无缝连接多处理系统提供了另一种方式。链路和群集可以同时使用,借助两种外设,可以开发出拥有数百个SHARC DSP的系统。

提高速度、减小尺寸
ADSP-21160M采用27mm x 27mm 400引脚PBGA(塑封球栅阵列)封装,比同性能处理器小40%。

提高单位功率的处理效率
21160M不但尺寸小、性能强,而且功耗低,使每瓦特MFLOPS达到新的水平。ADSP-21160M的典型功耗为2 w,使每瓦特性能达240 MFLOPS。使设计师可以在不超过PCI 25 w功耗上限的情况下,在PCI卡上使用多个处理器。利用8个21160M DSP,每个提供480 MFLOPS性能,标准PCI卡设计可以获得3.84 GFLOPS的性能,并为其他电路留出9 w的功率。

ADSP-21160M支持数百种现成的第三方软硬件产品和功能强大的ADI VisualDSP++开发系统,全面支持快速、简单的开发、调试和部署。

ADSP-21160M
80 MHz、600 MFLOPS、3.3v I/O、2.5v内核浮点SHARC
ADSP-21160M Functional Block Diagram
添加至 myAnalog

将产品添加到myAnalog 的现有项目或新项目中(接收通知)。

创建新项目
提问

参考资料

数据手册 1

用户手册 2

应用笔记 35

处理器手册 4

产品亮点 1

集成电路异常 1

旧模拟器手册 2

了解更多
添加至 myAnalog

Add media to the Resources section of myAnalog, to an existing project or to a new project.

创建新项目

软件资源


工具及仿真模型

SHARC Processors Software and Tools

打开工具

BSDL 模型文件 1

Designing with BGA

Surface Mount Assembly Recommendations for Plastic Ball Grid Array (PBGA) Packages

打开工具

评估套件

eval board
EMULATOR-USB & HP USB ICE

基于USB的仿真器和基于USB的高性能仿真器

特性和优点

  • 全速USB 1.1接口支持高达150 KB/S的下载速度(ADZS-USB-ICE),高速USB 2.0接口支持高达1.5 MB/s的下载速度(ADZS-HPUSB-ICE)
  • 后台遥测通道(BTC)支持以高达2.0 MB/S的速度实现非介入式数据交换(仅限ADZS-HPUSB-ICE)
  • 兼容并可耐受1.8 V、2.5 V和3.3 V电压
  • 支持所有ADI JTAG处理器和DSP
  • 耐受5 V电压,兼容3.3 V电压,支持5 V处理器和DSP
  • 支持多处理器
  • 14引脚JTAG连接器
  • 3米USB电缆用于连接难以触及的目标
  • CE认证

产品详情

针对ADI公司JTAG处理器和DSP,ADI公司的高性价比、基于通用串行总线(USB)的仿真器和高性能(HP)、基于USB的仿真器提供简单易用、便携式、非介入、有针对性的调试解决方案。 这些基于USB的仿真器功能齐全、功效强,包括可预定义断点的单步和全速执行,以及查看和/或修改寄存器和存储器内容。 USB和HP USB仿真器能够自动检测和支持多种I/O电压,使得用户可以利用主机PC上的全速USB 1.1或高速USB 2.0端口,与ADI公司的所有JTAG处理器和DSP通信。 可以轻松快捷地测试应用程序和数据,并在仿真器与VisualDSP++开发与调试环境(另售)之间进行传输。

USB结构具有即插即用特性,因而主机操作系统可以自动检测和配置仿真器。 同样,无需开关机,便可将仿真器与主机相连或断开连接。 附送3米电缆用于连接仿真器和主机PC,以便轻松访问难以触及的目标。

基于USB的高性能仿真器还支持后台遥测通道(BTC),这是一种用于在主机与目标应用程序之间交换数据的非介入式方法,不影响目标系统的实时特性。

产品型号:
基于USB的仿真器
产品型号:ADZS-USB-ICE
基于USB的高性能仿真器
产品型号: ADZS-HPUSB-ICE

工具支持:
电话: 1-800-ANALOGD (262-5643)
联系支持中心

欲了解其它信息,请联系当地的ADI公司 办事处或代理商

EMULATOR-USB & HP USB ICE
基于USB的仿真器和基于USB的高性能仿真器

最新评论

需要发起讨论吗? 没有关于 ADSP-21160M的相关讨论?是否需要发起讨论?

在EngineerZone®上发起讨论

近期浏览