ADAU1978
量产四通道ADC(2 V输入)
- 产品模型
- 2
概述
- 四路2V rms差分输入
- 利用片内锁相环(PLL)获得主时钟
- 低电磁干扰(EMI)设计
- 模数转换器(ADC)动态范围:106 dB
- 总谐波失真加噪声(THD + N): -95 dB
- 可选数字高通滤波器
- 24位立体声ADC,8 kHz至192 kHz采样速率
- 数字音量控制,具有自动缓升功能
- I2C/SPI可控,可提高灵活性
- 软件可控无杂音静音功能
- 软件关断
- 右对齐、左对齐、
I2S对齐和TDM模式 - 主机和从机工作模式
- 40引脚LFCSP封装
- 通过汽车应用认证
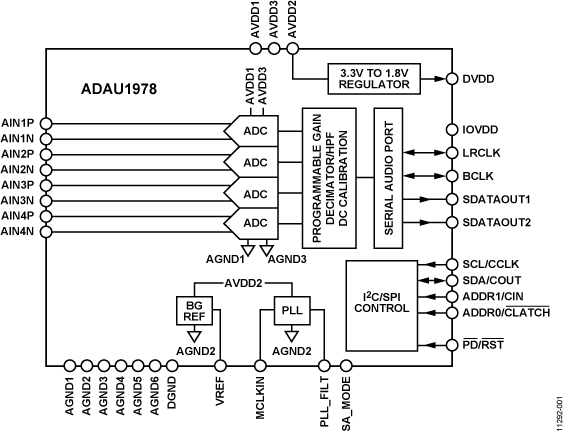
ADAU1978集成4个高性能模数转换器(ADC),其交流耦合输入具有2 V rms性能。 这些ADC采用多位Σ-Δ架构,其连续时间前端能够实现低EMI性能。 它具有一个I2C/串行外设接口(SPI)控制端口,微控制器利用该端口可以调整音量和许多其它参数。 ADAU1978仅采用3.3 V单电源供电。 器件内部可产生所需的数字DVDD电源。 低功耗架构则降低了器件的功耗。 ADAU1978采用40引脚LFCSP封装。 片内PLL可从外部时钟输入或帧时钟(采样速率时钟)获得主时钟。 当使用帧时钟时,系统中无需使用独立的高频主时钟。
请注意,在整篇数据手册中,多功能引脚(如SCL/CCLK)由整个引脚名称或引脚的单个功能表示;例如CCLK即表示仅与此功能相关。
应用
- 汽车音频系统
- 有源噪声消除系统
参考资料
数据手册 1
用户手册 1
视频 1
器件驱动器 1
ADI 始终高度重视提供符合最高质量和可靠性水平的产品。我们通过将质量和可靠性检查纳入产品和工艺设计的各个范围以及制造过程来实现这一目标。出货产品的“零缺陷”始终是我们的目标。查看我们的质量和可靠性计划和认证以了解更多信息。
| 产品型号 | 引脚/封装图-中文版 | 文档 | CAD 符号,脚注和 3D模型 |
|---|---|---|---|
| ADAU1978WBCPZ | 40-Lead LFCSP (6mm x 6mm w/ EP) | ||
| ADAU1978WBCPZ-RL | 40-Lead LFCSP (6mm x 6mm w/ EP) |
这是最新版本的数据手册
软件资源
Evaluation Software 0
找不到您所需的软件或驱动?
评估套件
最新评论
需要发起讨论吗? 没有关于 ADAU1978的相关讨论?是否需要发起讨论?
在EngineerZone®上发起讨论
