ADAU1797A

推荐用于新设计

集成 HiFi 3z 和 FastDSP 核心的高性能音频编解码器

产品技术资料帮助

ADI公司所提供的资料均视为准确、可靠。但本公司不为用户在应用过程中侵犯任何专利权或第三方权利承担任何责任。技术指标的修改不再另行通知。本公司既没有含蓄的允许,也不允许借用ADI公司的专利或专利权的名义。本文出现的商标和注册商标所有权分别属于相应的公司。

Viewing:

概述

  • FastDSP™音频处理引擎
    • 在高达 768 kHz 的采样率下具有低延迟
    • 支持最多 128 条指令
  • Tensilica® 带有 TIE 加速器的 HiFi 3z DSP
    • 四路 MAC/周期和 1024 kB 总存储器
    • 两路单指令多数据 IEEE 浮点乘法器
    • 支持 50 MHz 和 200 MHz 模式
  • 5μs 群延迟(模拟输入至放大器输出)
    • 768 kHz 采样率(FastDSP 旁路模式)
  • 三个低功耗 24 位 ADC 记录通道
    • 104dB SNR、-91dB THD+N、0.6mW(PGA 开启)
    • 灵活的差分或单端输入
    • 2.35μVRMS A-Wt. 输入噪声(PGA_GAIN = 18dB,单端)
  • 10 个数字 DMIC 麦克风输入通道
    • 两个时钟输出(384kHz 至 6.144MHz)
  • 单声道低功耗 24 位 DAC 播放通道
    • 113dB 信噪比、-93dB 总谐波失真+噪声、1.4mW PQ
    • 高效率、低噪声的D 类放大器
  • 两个高性能 PDM 输出通道
    • 支持 3.072MHz 或 6.144MHz 时钟频率
  • 两个 32 位 I2S/TDM 串行音频数据端口
    • 同步时钟频率从 8kHz 到 768kHz
    • 两个全双工,4 通道 ASRCs
  • 支持低功耗、单电源模式(1.8V)
    • 集成 LDO 或开关电容调节器
    • 数字 I/O 支持 1.2V 或 1.8V 逻辑电平
  • 数字控制和通讯接口
    • I2C/SPI 控制和 I3C 组合接口
    • 掌握 QSPI、UART 和 JTAG 接口
    • 支持从 QSPI Flash/EEPROM 自启动
  • 用于 GPIO/IRQ 支持的多用途 I/O 引脚
  • 更新了自启动功能,支持更广泛的 QSPI 闪存设备

该套件是一款低功耗、高性能音频编解码器,提供三个模拟输入通道、十个 DMIC 输入通道、两个 PDM 输出通道和一个高效 D 类放大器输出通道。

该套件具有低功耗 HiFi 3z 音频 DSP 内核和低延迟 FastDSP 内核。音频 DSP 核心与高保真音频数据转换器配对,非常适合噪音消除、透明度、个人声音放大和语音处理等应用。

在低功耗模式下运行时,DSP 内核针对真正的无线立体声(TWS)耳机等小型应用进行了优化。在这种模式下,套件可提供适当级别的处理能力,同时仍能最大限度地降低功耗以延长播放时间。该设备还可以灵活地支持需要额外处理能力的应用程序,例如耳罩式耳机、VR 和 AR 耳机、可穿戴设备、助听器和 PSAP 设备。在高性能模式下,HiFi 3z 核心从 50MHz 提升至 200MHz,FastDSP 支持的指令数量增加一倍(从 64 条增加至 128 条)。这种增强的处理能力既可用于卸载主机处理器的周期,也可用于启用更低成本的主机处理器,而无需额外的外部音频 DSP 或 MCU。

该套件支持-40°C 至+85°C 的温度范围,采用节省空间的 77 球 WLCSP 封装(0.4mm 间距,3.24mm×4.83mm)。

应用

  • 真无线立体声 (TWS) 系统 ANC 耳机
  • 耳罩式立体声 ANC 耳机
  • VR 和 AR 耳机及可穿戴设备
  • 助听器和 PSAP 设备
  • 条形音箱和智能扬声器系统
  • 游戏设备和平板电脑

ADAU1797A
集成 HiFi 3z 和 FastDSP 核心的高性能音频编解码器
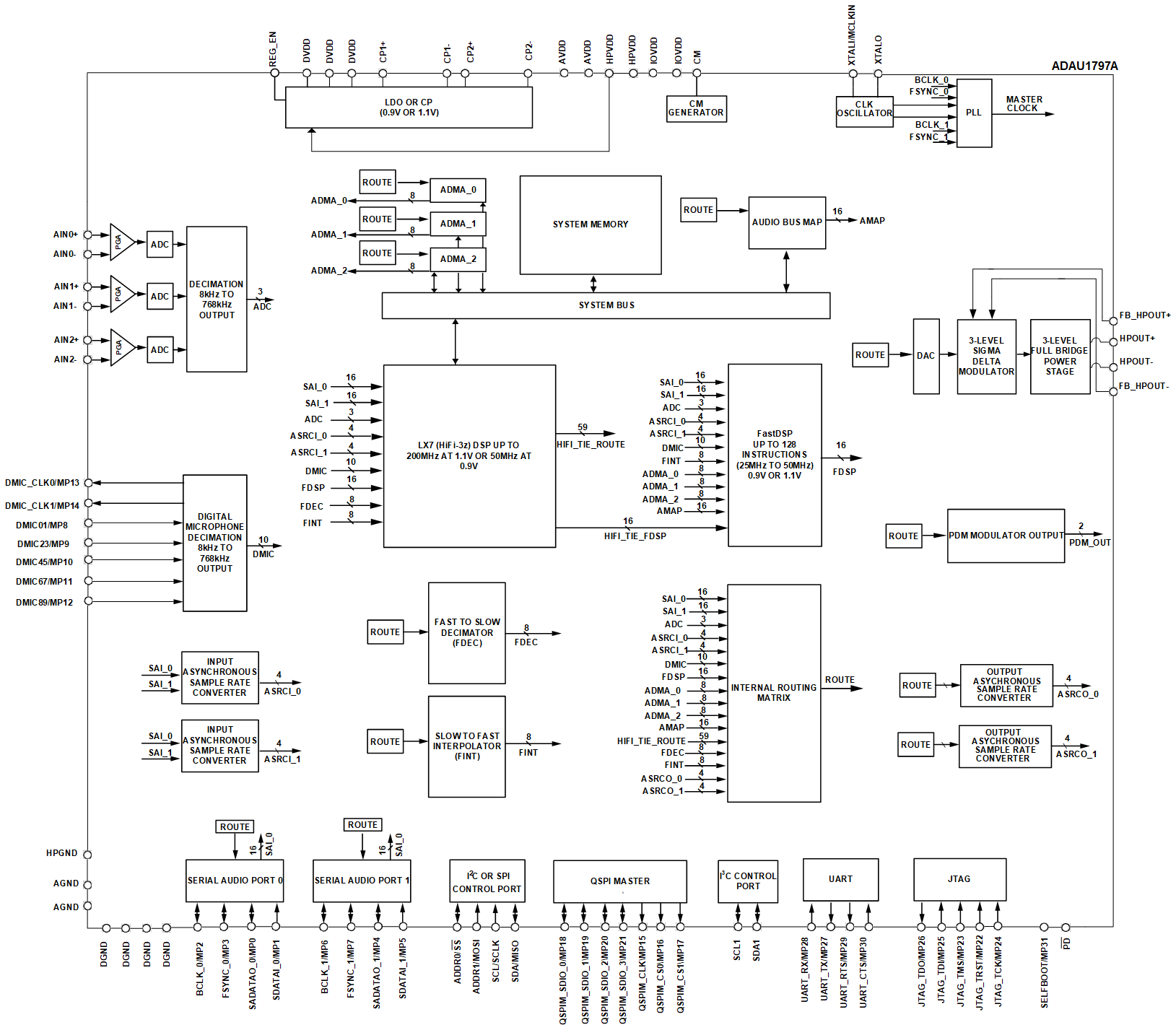
ADAU1797A Functional Block Diagram ADAU1797A Pin Configuration
添加至 myAnalog

将产品添加到myAnalog 的现有项目或新项目中(接收通知)。

创建新项目
提问

参考资料

了解更多
添加至 myAnalog

Add media to the Resources section of myAnalog, to an existing project or to a new project.

创建新项目

软件资源

找不到您所需的软件或驱动?

申请驱动/软件

硬件生态系统

部分模型 产品周期 描述
ADAU1787 推荐用于新设计 具有音频 DSP 的四 ADC 二 DAC 低功耗编解码器
ADAU1860
ADAU1860‑1
推荐用于新设计 三个ADC、一个DAC、具有音频DSP的低功耗编解码器
Modal heading
添加至 myAnalog

将产品添加到myAnalog 的现有项目或新项目中(接收通知)。

创建新项目

评估套件

eval board
EVAL-ADAU1797Z

评估具有集成 HiFi 3z 和 FastDSP 核心的 ADAU1797 高性能音频编解码器

产品详情

本用户指南介绍了 EVAL-ADAU1797Z 评估板的设计和设置。

此评估板可完全访问 ADAU1797 上的所有模拟和数字输入/输出。EVAL-ADAU1797Z 可由单个 3.8V 至 5V 电源供电。一旦主电源接通,板载调节器就会提供 ADAU1797 和其他设备所需的电压。印刷电路板 (PCB) 采用 8 层设计,内层上有接地平面和电源平面。EVAL-ADAU1797Z 包含用于连接外部麦克风和扬声器的连接器。主时钟可以由外部提供,也可以由板载 24.576MHz 无源晶体或板载 24.576MHz 振荡器提供。

EVAL-ADAU1797Z
评估具有集成 HiFi 3z 和 FastDSP 核心的 ADAU1797 高性能音频编解码器
ADAU1797 Functional Block Diagram EVAL-ADAU1797Z Angle EVAL-ADAU1797Z Top EVAL-ADAU1797Z Bottom

最新评论

需要发起讨论吗? 没有关于 ADAU1797A的相关讨论?是否需要发起讨论?

在EngineerZone®上发起讨论

近期浏览