AD5753

推荐用于新设计

单通道、16位电流和电压输出DAC,提供动态功率控制和HART连接

产品技术资料帮助

ADI公司所提供的资料均视为准确、可靠。但本公司不为用户在应用过程中侵犯任何专利权或第三方权利承担任何责任。技术指标的修改不再另行通知。本公司既没有含蓄的允许,也不允许借用ADI公司的专利或专利权的名义。本文出现的商标和注册商标所有权分别属于相应的公司。

Viewing:

概述

  • 16 位分辨率和单调性
  • 适用于热管理的正负 DPC
  • 在单个端子上提供电流或电压输出
  • 电流输出范围:0 mA 至 20 mA、4 mA 至 20 mA、0 mA 至 24 mA、±20 mA、±24 mA 和 −1 mA 至 +22 mA
  • 电压输出范围(具有 20% 超量程):0 V 至 5 V、0 V 至 10 V、±5 V 和 ±10 V
  • 用户可编程偏移和增益
  • 高级片内诊断,包括 12 位 ADC
  • 2 个外部 ADC 输入引脚
  • 片内基准电压源
  • 可靠的架构,包括输出故障保护
  • 温度范围 −40°C 至 +115°C
  • 40 引脚 6 mm × 6 mm LFCSP 封装

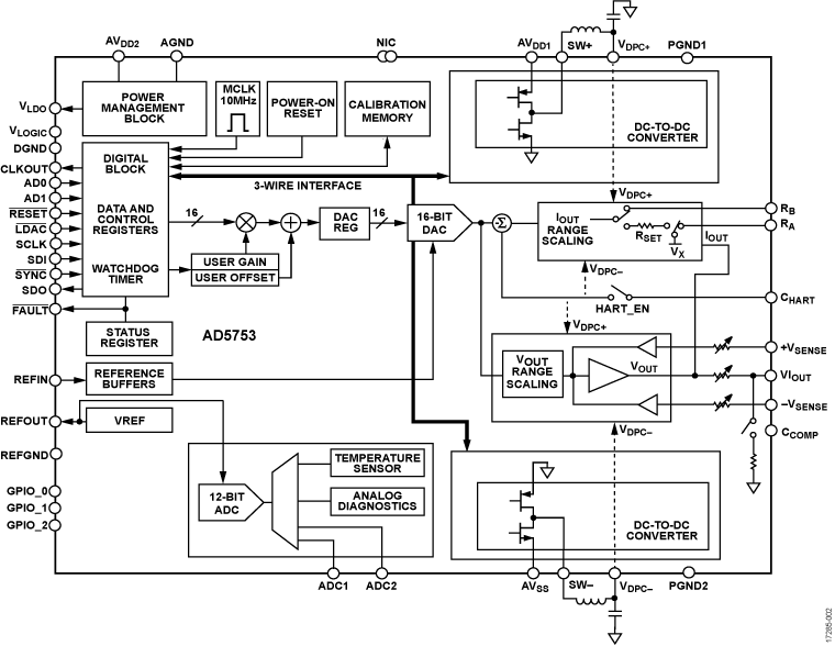
AD5753 是一款单通道电压和电流输出数模转换器 (DAC),可在 AVSS 上的最小 −33 V 至 AVDD1 上的最大 +33 V 电压范围内工作,两个轨之间的最大工作电压为 60 V。片内动态功率控制 (DPC) 可以较大限度地降低封装功耗。这种最小化是通过使用已针对最小片内功耗进行优化的降压直流/直流转换器调整从 ±5 V 至 ±27 V 电源电压发送到 VIOUT 输出驱动器电路的电压(VDPC+ 和 VDPC−)来实现的。CHART 引脚可以使 Highway Addressable Remote Transducer® (HART) 信号耦合在电流输出上。

AD5753 使用一个多功能 4 线串行外设接口 (SPI),以高达 50 MHz 的时钟频率工作,并与标准 SPI、QSPI、MICROWIRE、数字信号处理器 (DSP) 和微控制器接口标准兼容。该接口使用可选的 SPI 循环冗余校验码 (CRC) 和监控计时器 (WDT)。与类似 DAC 的早期版本(例如输出电流监控和集成式 12 位诊断模数转换器 (ADC))相比,AD5753 改进了诊断特性。通过在 VIOUT、+VSENSE 和 −VSENSE 引脚上包含线路保护装置,进一步提高了稳健性。

产品聚焦

  1. 一系列高级诊断特性,包括具有两个外部输入引脚的集成式 ADC。
  2. DPC,使用集成降压直流/直流转换器进行热管理,在小尺寸的模块外壳内实现更高的通道计数。
  3. 可编程功率控制 (PPC) 模式可实现比 DPC 更快的建立时间(典型值 15 μs)。
  4. 具有防接线错误输出保护 (±38 V),因此高度可靠。
  5. 符合 HART 标准。

应用

  • 过程控制
  • 致动器控制
  • 通道隔离的模拟输出
  • 可编程逻辑控制器 (PLC) 和分布式控制系统 (DCS) 应用
  • HART 网络连接

AD5753
单通道、16位电流和电压输出DAC,提供动态功率控制和HART连接
AD5753 Functional Block Diagram AD5753 Pin Configuration
添加至 myAnalog

将产品添加到myAnalog 的现有项目或新项目中(接收通知)。

创建新项目
提问

参考资料

了解更多
添加至 myAnalog

Add media to the Resources section of myAnalog, to an existing project or to a new project.

创建新项目

软件资源


工具及仿真模型

精密DAC误差预算工具

精密DAC误差预算工具是一种Web应用程序,用于计算精密DAC信号链的直流精度。它可显示整个信号链中的静态误差状况,以快速评估设计利弊。可计算由基准电压源、运算放大器和精密DAC引起的直流误差。

打开工具

IBIS 模型 2

LTspice

LTspice®是一款强大高效的免费仿真软件、原理图采集和波形观测器,为改善模拟电路的仿真提供增强功能和模型。


评估套件

eval board
EVAL-AD5753

AD5753 评估板

特性和优点

  • 适用于 AD5753 的功能完备的评估板
  • 板载 2.5 V ADR4525 基准电压源
  • SPI 通信

产品详情

本用户指南介绍如何使用 EVAL-AD5753SDZ 来评估 AD5753,后者是一款单通道 16 位电压和电流输出数模转换器 (DAC),配备片内正负动态功率控制 (DPC),可较大限度地降低封装功耗。

使用 EVAL-AD5753SDZ 板时,需要 EVAL-SDP-CS1Z 系统演示平台 (SDP-S) 板。EVAL-AD5753SDZ(参见图 1)通过 EVAL-SDP-CS1Z (SDP-S) 连接到 PC 的 USB 端口。提供分析控制评估 (ACE) 软件,可以将其与 EVAL-AD5753SDZ 配合使用,并允许对 AD5753 进行编程。有关 AD5753 的完整详细信息,请参阅 AD5753 数据手册。

使用 EVAL-AD5753SDZ 时,应参阅 AD5753 数据手册,同时参阅本用户指南。“评估板硬件”部分介绍了各个链接选项的配置。“软件快速启动程序”部分讨论了配对软件的安装。

EVAL-AD5753
AD5753 评估板
EVAL-AD5753SDZ Image

最新评论

需要发起讨论吗? 没有关于 AD5753的相关讨论?是否需要发起讨论?

在EngineerZone®上发起讨论

近期浏览