Overview
Features and Benefits
- Low-cost, high performance, compact, all-in-one, laboratory tool kit for evaluating and characterizing power designs
- Capable of measuring bode response, transient response, and output impedance
- Offers high portability
- USB-powered device
- Compatible with ADALM2000
- Comes with user-friendly interfaces and documentations for both hardware and software, allowing ease of use for evaluating power supply designs
- Offers four (4) current probe variations for transient measurements: 1A, 10A, 50A, and 100A.
- Each current probe can be used as a DC load of up to 8W in still air.
Product Details
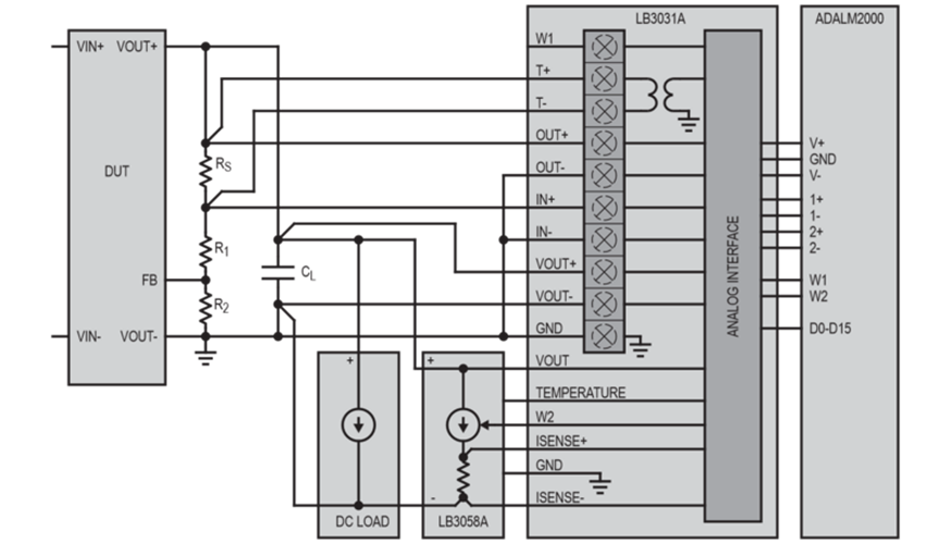
The EVAL-LTPA-KIT or LTpowerAnalyzer Kit is a low-cost, high performance, compact laboratory tool for evaluating and characterizing power supply designs – allowing measurements of frequency response, transient response, and output impedance. Combined with the capabilities of the ADALM2000 Learning Module, it offers high portability with its compact size.
The EVAL-LTPA-KIT LTpowerAnalyzer Software offers a user-friendly interface with documentations for ease of usage. It comes with four different current probes for 1A, 10A, 50A, and 100A. Immediately kick-off using the kit with the LT8642S-based demo board.
The EVAL-LTPA-KIT comes with the following boards and accessories:
- Base Board:
- EVAL-LTPA-KIT Base Board
- Current Probes:
- 1A Current Probe
- 10A Current Probe
- 50A Current Probe
- 100A Current Probe
- Interposer Boards:
- Interface A Board
- Interface B Boards (5 pieces)
- Interface C Board
- LT8642S Demo Board
- 2-Inch 16-Pin Ribbon Cable
- 8-Inch 14-Pin Ribbon Cable
- Connector Sockets (2 Pieces)
APPLICATIONS
- Laboratory Instrumentation
Markets and Technologies
Documentation & Resources
-
LTpowerAnalyzer™ Kit User Guide (GitHub)4/16/2026
-
Voltage Accuracy of Switch-Mode Power Supplies2/11/2026 Analog Dialogue
-
Modern Helpers for Power Supply Designs11/12/2025 Analog Dialogue


