概览

设计资源

设计与集成文件

  • 原理图
  • 物料清单
  • Gerber 文件
  • PADS 文件
  • 装配图
下载设计文件 1439 kB

评估硬件

产品型号带"Z"表示符合RoHS标准。评估此电路需要下列选中的电路板

  • EVAL-ADUC7061MKZ ($33.06) Micro Processor Board
  • EVAL-CN0196-EB1Z ($70.62) H-Bridge Driver Circuit Using Isolated Half-Bridge Drivers
查询库存和在线购买

优势和特点

  • 高功耗MOSFET
  • 控制和电源之间的电流隔离
  • H-电桥驱动电路

电路功能与优势

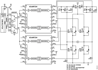
本电路是一个由高功率开关MOSFET组成的H电桥,由低压逻辑信号控制,如图1所示。该电路为低电平逻辑信号和高功率电桥提供了一个方便的接口。H电桥的高端和低端均使用低成本N沟道功率MOSFET。该电路还在控制侧与电源侧之间提供隔离。本电路可以用于电机控制、带嵌入式控制接口的电源转换、照明、音频放大器和不间断电源(UPS)等应用中。

现代微处理器和微控制器一般为低功耗型,采用低电源电压工作。2.5 V CMOS逻辑输出的源电流和吸电流在μA到mA范围。为了驱动一个12 V切换、4 A峰值电流的H电桥,必须精心选择接口和电平转换器件,特别是要求低抖动时。

ADG787是一款低压CMOS器件,内置两个独立可选的单刀双掷(SPDT)开关。采用5 V直流电源时,有效的高电平输入逻辑电压可以低至2 V。因此,ADG787能够提供驱动半桥驱动器ADuM7234所需的2.5 V控制信号到5 V逻辑电平的转换。

ADuM7234是一款隔离式半桥栅极驱动器,采用ADI公司iCoupler®技术,提供独立且隔离的高端和低端输出,因而可以专门在H电桥中使用N沟道MOSFET。使用N沟道MOSFET有多种好处:N沟道MOSFET的导通电阻通常仅为P沟道MOSFET的1/3,最大电流更高;切换速度更快,功耗得以降低;上升时间与下降时间是对称的。

ADuM7234的4 A峰值驱动电流确保功率MOSFET可以高速接通和断开,使得H电桥级的功耗最小。本电路中,H电桥的最大驱动电流可以高达85 A,它受最大容许的MOSFET电流限制。

ADuC7061 是一款低功耗、基于ARM7的精密模拟微控制器,集成脉宽调制(PWM)控制器,其输出经过适当的电平转换和调理后,可以用来驱动H电桥。

图1. 使用ADuM7234隔离式半桥驱动器的H电桥(原理示意图:未显示去耦和所有连接)

电路描述

2.5 V PWM控制信号电平转换为5 V

EVAL-ADuC7061MKZ提供2.5 V逻辑电平PWM信号,但ADuM7234在5 V电源下的最小逻辑高电平输入阈值为3.5 V。由于存在这种不兼容性,因此使用ADG787开关作为中间电平转换器。ADG787的最小输入逻辑高电平控制电压为2 V,与ADuC7061的2.5 V逻辑兼容。ADG787的输出在0 V与5 V之间切换,足以驱动3.5 V阈值的ADuM7234输入端。评估板提供两个跳线,便于配置控制PWM信号的极性。


H电桥简介

图1所示的H电桥具有4个开关元件(Q1、Q2、Q3、Q4)。这些开关成对导通,左上侧(Q1)和右下侧(Q4)为一对,左下侧(Q3)和右上侧(Q2)为一对。注意,电桥同一侧的开关不会同时导通。开关可以利用MOSFET或IGBT(绝缘栅极双极性晶体管)实现,使用脉宽调制(PWM)信号或控制器的其它控制信号接通和断开开关,从而改变负载电压的极性。

低端MOSFET(Q3、Q4)的源极接地,因此其栅极驱动信号也以地为参考。而高端MOSFET(Q1、Q2)的源极电压会随着MOSFET成对地接通和断开而切换,因此,该栅极驱动信号应参考或“自举”到该浮动电压。

ADuM7234的栅极驱动信号支持在输入与各输出之间实现真正的电流隔离。相对于输入,各路输出的工作电压最高可达±350 VPEAK,因而支持低端切换至负电压。因此,ADuM7234可以在很宽的正或负切换电压范围内,可靠地控制各种MOSFET配置的开关特性。为了确保安全和简化测试,选择12 V直流电源作为本设计的电源。


自举栅极驱动电路

高端和低端的栅极驱动器电源是不同的。低端栅极驱动电压以地为参考,因此该驱动由直流电源直接供电。然而,高端是悬空的,因此需要使用自举驱动电路,其工作原理如下所述。

观察图1所示H桥电路的左侧,自举驱动电路利用电容C1、电阻R1和R3、二极管D1实现。上电后,PWM不会立即发生,所有MOSFET都处于高阻态,直到所有直流电压完成建立。在此期间,电容C1由直流电源通过路径R1、D1、C1和R3充电。充电后的电容C1提供高端栅极驱动电压。C1充电的时间常数为τ = (R1 + R3) C1

当MOSFET在PWM信号的控制下切换时,低端开关Q3接通,高端开关Q1断开。高端的GNDA下拉至地,电容C1充电。当Q1接通时,Q3断开,GNDA上拉至直流电源电压。二极管D1反向偏置,C1电压将ADuM7234的VDDA电压驱动到约24 V。因此,电容C1在ADuM7234的VDDA和GNDA引脚之间保持约12 V的电压。这样,高端MOSFET Q1的栅极驱动电压始终参考Q1的悬空源极电压。


高端MOSFET源极上的电压尖峰

当Q1和Q4接通时,负载电流从Q1经过负载流到Q4和地。当Q1和Q4断开时,电流仍然沿同一方向流动,经过续流二极管D6和D7,在Q1的源极上产生负电压尖峰。这可能会损害某些采用其它拓扑结构的栅极驱动器,但对ADuM7234无影响,ADuM7234支持低端切换到负电压。


自举电容(C1、C2)

每次低端驱动器接通时,自举电容就会充电,但它仅在高端开关接通时才放电。因此,选择自举电容值时需要考虑的第一个参数,就是高端开关接通并且电容用作栅极驱动器ADuM7234的高端直流电源时的最大容许压降。当高端开关接通时,ADuM7234的直流电源电流典型值为22 mA。假设高端开关的导通时间为10 ms(50 Hz、50%占空比),使用公式C = I × ΔT/ΔV,如果容许的压降ΔV = 1 V,I = 22 mA,ΔT = 10 ms,则电容应大于220 μF。本设计选择330 μF的容值。电路断电后,电阻R5将自举电容放电;当电路切换时,R5不起作用。


自举限流电阻(R1、R2)

对自举电容充电时,串联电阻R1起到限流作用。如果R1过高,来自ADuM7234高端驱动电源的直流静态电流会在R1上引起过大的压降,ADuM7234可能会欠压闭锁。ADuM7234的最大直流电源电流IMAX = 30 mA。如果该电流引起的R1压降以VDROP = 1 V为限,则R1应小于VDROP/IMAX ,或33 Ω。因此,本设计选择10 Ω的电阻作为自举电阻。


自举启动电阻(R3、R4)

电阻R3启动自举电路。上电之后,直流电压不会立即建立起来,MOSFET处于断开状态。在这些条件下,C1通过路径R1、R3、D1、VS充电,其过程如下式所述:

CN0196_equation1

其中, vC(t)为电容电压,VS(为电源电压,VD(为二极管压降,τ为时间常数,τ = (R1 + R3) C1。电路值如下:R1 = 10 Ω,C1 = 330 μF,VD = 0.5 V,VS = 12 V。由以上方程式可知,当R3 = 470 Ω时,电容充电到最终值的67%需要一个时间常数的时间(158 ms)。电阻值越大,则电容的充电时间越长。然而,当高端MOSFET Q1接通时,电阻R1上将有12 V电压,因此,如果电阻值过低,它可能会消耗相当大的功率。对于R3 = 470 Ω,12 V时该电阻的功耗为306 mW。


自举电容的过压保护(Z1、Z2)

如上所述,对于感性负载,当高端MOSFET断开时,电流会流经续流二极管。由于电感和寄生电容之间的谐振,自举电容的充电能量可能高于ADuM7234消耗的能量,电容上的电压可能上升到过压状态。13 V齐纳二极管对电容上的电压进行箝位,从而避免过压状况。


栅极驱动电阻(R7、R8、R9、R10)

栅极电阻(R7、R8、R9、R10)根据所需的开关时间tSW.选择。开关时间是指将 Cgd 、 Cgs 和开关MOSFET充电到要求的电荷Qgd 和 Qgs所需的时间。

Power Rail Filtering and Undervoltage Lockout Protection for ADuM7234

图2. ADuM7234的电源轨滤波和欠压锁闭保护


描述栅极驱动电流Ig:

CN0196_equation2

其中, VDD 为电源电压,RDRV为栅极驱动器ADuM7234的等效电阻, Vgs(th)为阈值电压,Rg为外部栅极驱动电阻,Qgd 和 Qgs 为要求的MOSFET电荷, tSW为要求的开关时间。

ADuM7234栅极驱动器的等效电阻通过下式计算:

CN0196_equation3

根据ADuM7234数据手册,对于 VDDA = 15 V 且输出短路脉冲电流 IOA(SC) = 4 A,通过方程式3计算可知,RDRV 约为4 Ω。

根据FDP5800 MOSFET数据手册,Qgd = 18 nC, Qgs = 23 nC, Vgs(th) = 1 V。

如果要求的开关时间 tSW为100 ns,则通过方程式2求解Rg可知,Rg 约为 22 Ω。实际设计选择15 Ω电阻以提供一定的裕量。


电源轨滤波和欠压保护

由于峰值负载电流很高,因此必须对直流电源电压(VDD)进行适当的滤波,以防ADuM7234进入欠压闭锁状态,同时防止电源可能受到损害。所选的滤波器由4个并联4700 μF、25 V电容与一个22 μH功率电感串联而成,如图2所示。100 kHz时,电容的额定最大均方根纹波电流为3.68 A。由于4个电容并联,因此允许的最大均方根纹波为14.72 A。所以,IPEAK = 2√2 × IRMS = 41.63 A。

经过滤波的+12 V电压还驱动图1所示的电路。

当电源电压低于10 V时,图2所示电路便会禁用ADuM7234的输入端,从而防止ADuM7234欠压闭锁。将一个逻辑高电平信号施加于ADuM7234的DISABLE引脚可禁用该电路。

开漏式低电平有效比较器 ADCMP350 用于监视直流电源电压。电阻分压器(R12、R13)的比值经过适当选择,当电源电压为10.5 V时,分压器输出为0.6 V,与比较器的片内基准电压0.6 V相等。当电源电压降至10.5 V以下时,比较器的输出变为高电平。由于ADuM7234的输入端与输出端之间存在电流隔离,因此输出端的DISABLE信号必须通过隔离器传输到输入端。 ADuM3100是基于iCoupler 技术的数字隔离器。ADuM3100兼容3.3 V和5 V工作电压。经过滤波的12 V电源电压驱动线性调节器ADP1720 ,为ADuM3100的右侧隔离端提供5 V (+5V_1)电压,如图2所示。


负载和PWM信号

如果使用电感作为负载,当施加恒定电压时,流经电感的电流将线性变化。电压U为12 V,如果忽略导通电阻引起的MOSFET压降,则以下方程式成立:

CN0196_equation4

对于50 kHz、8%占空比PWM信号,使用4 μH Coilcraft功率电感(SER2014-402)作为负载时,负载电流波形如图3所示。利用电流探头测量电感电流。

对于12 V电源电压和4 μH电感,方程式4预测斜率为3 A/μs。而实测斜率为2.8 A/μs,斜率下降的原因在于MOSFET导通电阻引起的压降。

注意,电流断开后的短时间内,波形上会出现少量响铃振荡,其原因是电感负载与续流二极管和MOSFET的寄生电容之间发生谐振。

必须注意,电路中的电感电流不得超过其额定最大值。如果超过,电感就会饱和,电流将迅速提高,可能损坏电路和电源。本电路中使用的Coilcraft SER2014-402电感负载的额定饱和电流为25 A。

图3. 4 μH负载下负载电流与PWM脉冲的关系

电路评估与测试

只需添加一些元件,就可以将本电路轻松扩展到三相控制应用。本电路还可以用于要求更高电源电压的应用中,但应注意不要超过MOSFET和滤波器电容的额定值。


设备要求 

  • 带USB端口和Windows XP、Windows Vista(32位)或Windows 7(32位)PC
  • EVAL-CN0196-EB1Z电路评估板
  • EVAL-ADuC7061MKZ评估板
  • 直流电源或电池:+12 V、10 A
  • 负载,如Coilcraft SER2014-402功率电感等
  • 带电流探头的示波器


开始使用

将CN0196评估软件光盘放进PC的光盘驱动器,加载评估软件。找到包含评估软件光盘的驱动器,打开Readme文件。按照Readme文件中的说明安装和使用评估软件。


设置与测试

将固件代码下载到EVAL-ADuC7061-MKZ,安装CN-0196评估软件,并且按照Readme文件中的跳线配置连接EVAL-ADuC7061-MKZ和EVAL-CN0196-EB1Z的控制信号。

图4. 测试设置功能框图

 

连接跳线LK1,将+12 V电源施加到CN2,启动软件,并通过USB电缆将PC连接到EVAL-ADuC7061-MKZ板上的微型USB连接器。使用电感作为负载,运行软件,然后使用电流探头测量电感的电流。

有关如何使用评估软件来获得适当PWM信号的详细信息,请参阅CN0196评估软件Readme文件。