Overview
Design Resources
Design & Integration File
- Schematic
- Bill of Materials
- Gerber Files
- Allegro Files
- Assembly Drawing
Evaluation Hardware
Part Numbers with "Z" indicate RoHS Compliance. Boards checked are needed to evaluate this circuit.
- EVAL-CFTL-5V-PWRZ ($14.66) 5V Power Supply
- EVAL-CN0296-SDPZ ($141.24) Low Cost, High Performance Sound Bar System
- EVAL-SDP-CB1Z ($116.52) Eval Control Board
Device Drivers
Software such as C code and/or FPGA code, used to communicate with component's digital interface.
SSM2518 Pmod Xilinx FPGA Reference Design
Features & Benefits
- Sound bar system
- High performance
- Low cost
- 8 digitally processed audio channel outputs
Product Categories
Parts Used
Documentation & Resources
-
CN-0296 Software User Guide10/23/2018WIKI
-
CN0296: Low Cost, High Performance Sound Bar System5/30/2013PDF158 kB
Circuit Function & Benefits
The circuit shown in Figure 1 is a low cost, high performance sound bar system that can accept an analog stereo audio signal as an input and can output up to eight channels of audio with discrete processing on each channel. The circuit is ideal for small docking stations and portable media devices. The circuit offers low power consumption and high efficiency operation without sacrificing audio quality. The circuit is also capable of driving headphones without the need of additional components.
The ADAU1761 is a low power, stereo audio codec with integrated digital audio processing, also called SigmaDSP®. It has two ADCs to accept two audio channels and can apply digital processing with the integrated SigmaDSP® core.
SigmaDSP processors are optimized for audio applications and programmed using SigmaStudio development software for ease of use and faster development. The output of the ADAU1761 can send up to eight channels of digital audio data to the output amplifiers using the serial interface. The ADAU1761 allows different audio signal processing in each channel, such as volume control, custom equalization, filtering, and spatialization effects tuned to the specific speaker configuration. The ADAU1761 processes and converts analog audio to digital format and drives the SSM2518 power amplifier.
The SSM2518 is a digital input class-D audio power amplifier that can output two channels of audio with a continuous power of 2 watts each into a 4 Ω load. The channel-mapping feature of the SSM2518 allows it to select the specific channel to output among those that are available in the interface. This makes it ideal for surround sound applications.
Circuit Description
The circuit has two main blocks. First is the audio input and processing block, which is made of the ADAU1761. Second is the output amplifier stage, which is composed of the SSM2518.
Audio Input and Processing
The input path of the ADAU1761 can accept two channels of single ended or differential audio simultaneously. The inputs are sent to the DSP core of the ADAU1761 for processing. Audio signal path and processing algorithms are created using Analog Devices SigmaStudio software. The built-in libraries in SigmaStudio allow different processing blocks to be added to the signal flow. Once programmed, the different blocks, such as volume control, equalizers and filters, are fully user-controllable. The software speeds development time; allowing designers to quickly test and debug their algorithms and configurations in an easy-to-use graphical interface.
Class-D Output Amplifier
The SSM2518 class-D audio power amplifier receives the serial data, performs the digital-to-analog conversion, and drives the loudspeakers. Each SSM2518 is capable of driving two channels with a continuous power of 2 watts each into 4-ohm speakers. The circuit makes use of four SSM2518s and can output eight channels of audio. The channel mapping feature allows each SSM2518 to output two channels from the interface. With this feature, each SSM2518 can output different channels.
I2C Access and Configuration Registers
The ADAU1761 and SSM2518 both have internal registers that need to be configured for proper operation. A microcontroller or a host configures the registers of the devices using the I2C interface. The SSM2518 has an address pin that allows only two devices to have a unique address on the I2C bus. The four SSM2518 devices are configured by driving the ADDR pin of the one device HIGH while keeping the other three at a LOW level or keeping one LOW while the others are HIGH. The device with the unique address can now communicate with the bus and be configured. The process is repeated for the other three devices. The address control can performed by a system controller that controls the logic level of the address pins.
Serial Data Interface
The serial data interface transmits audio using I2S or TDM compatible data streams. The signals that are transmitted are the bit clock (BCLK), frame clock (LRCLK), and the data (SDATA). The ADAU1761 is configured as the master, making it the source of the BCLK, LRCLK and SDATA sent to the SSM2518. For proper operation, the devices must have synchronized master clocks, MCLK. Typically, a 12.288 MHz crystal oscillator is used as the master clock. The on-chip frequency multiplier/divider of the ADAU1761 and SSM2518 can generate their required internal clocks. Special layout precautions must be observed with the clock and signal lines. The input capacitance of the ADAU1761 and SSM2518 must be taken into account to maintain clock and signal integrity. Buffers may be needed to avoid loading effects.
The serial data signals can be configured as I2S, TDM-4, or TDM-8 to carry two, four, or eight audio channels in each audio frame, respectively.
Output Noise Voltage and Signal-to-Noise Ratio Performance
To measure output noise voltage, connect the inputs to ground or terminate them with the proper impedance, and measure the output voltage at the amplifier outputs. The voltage measurement is done over a bandwidth of 22 Hz to 22 kHz with an A-weighting filter. The average noise measured on all eight channels is 66 μV rms. The signal-to-noise ratio referenced to a 2 W output and a 4 Ω load is greater than 90 dB for all channels.
Output Power and Distortion Performance
Output power and THN+N is measured by applying a pure tone as an input and taking measurements at the output of the amplifiers using an audio analyzer. Using a 1 kHz sine wave as the input, the circuit provides good performance by having a less than 1% THD+N at the rated output power of 2 W as shown in Figure 2.

Frequency Response Performance
Frequency response is measured by applying a pure sine wave to the input at a fixed voltage level, while the frequency is swept across the audio spectrum of 20 Hz to 20 kHz. The voltage is measured at the output and is compared to the 1 kHz reference level. Output power is set to 2 W at 1 kHz. The data shows that the change in the output at different frequencies is less than ±0.5 dB. The THD+N is also less than 1% across the spectrum, as shown in Figure 3.

Common Variations
This circuit can also be set up with other SigmaDSP processors with I2S/serial data ports with support for TDM. Devices such as the AD1940, AD1941, ADAU1401A, ADAU144x, and ADAU170x families can be used instead of the ADAU1761, depending on the application and requirements of the user. The parts all have support for serial data output and 8-channel TDM, but differ in memory size, processing power, and input/output interfaces. The ADAU1461 is functionally identical to the ADAU1761, but is qualified for automotive applications.
The ADAU1761 can also accept analog differential audio signals for processing and output them to the amplifier. The circuit can be modified if the user only requires two or four channels by removing the other SSM2518 devices and changing the register configurations. The SSM2519 and SSM2529 can be used in place of the SSM2518. Both are also digital input Class-D amplifiers with TDM support, but have only one output channel per device.
Circuit Evaluation & Test
Equipment Required
CN-0296 Circuit Evaluation Board (EVAL-CN0296-SDPZ)
System Demonstration Platform (EVAL-SDP-CB1Z)
5 V @ 4 A dc power supply
PC (Windows 32-bit or 64-bit)
Audio Precision SYS-2722 Audio Analyzer or Equivalent
Audio Precision AUX-0025 Filter or Equivalent
Audio Precision AP2700 Control Software
4 Ω/8 Ω speakers or dummy loads
Software Installation
The CN0296 evaluation kit includes self-installing software on a CD. The software is compatible with Windows XP (SP2), Vista (32-bit and 64-bit) and Windows 7 (32-bit and 64-bit). If the setup file does not run automatically, run the setup.exe file from the CD.
Install the evaluation software before connecting the evaluation board and SDP board to the USB port of the PC to ensure that the evaluation system is recognized when connected to the PC. The software allows full configuration of the serial interface. It is important that the configurations of the master and slaves match for proper operation.
Power Supply Requirements
The evaluation board needs to be powered by a 5 V dc power supply. It is recommended that it should be able to provide at least 4 A to ensure all eight channels can output their rated power. LDOs in the evaluation boards are used to provide the necessary supplies to the components.
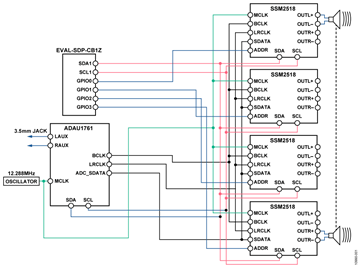
Functional Diagram
A functional diagram of the test setup is shown in Figure 4. The test setup should be connected as shown.

Proper operation requires the configuration shown in Table 1. Run the evaluation software and click the Connect button in the software GUI to establish connection with the SDP. Click the Play Soundbar button to download the configuration data to the device. This configuration loads stereo data to the eight channels as follows:
| Pin | TDM Channel | Stereo Data |
| OUTR1 | Channel 0 | Right Surround |
| OUTR1 | Channel 1 | Right Front |
| OUTR2 | Channel 2 | Sub Woofer |
| OUTR2 | Channel 3 | Sub Woofer |
| OUTR3 | Channel 4 | Center |
| OUTR3 | Channel 5 | Center |
| OUTR4 | Channel 6 | Left Front |
| OUTR4 | Channel 7 | Left Surround |
The software allows the user to enable or disable some sound effects that are available in the SigmaStudio library for the ADAU1761. The corresponding parameters for these effects are also found in the front panel. There is a master volume control as well as bass and treble control; these controls affect the output even if there is a sound effect that is enabled. Enabling the test tone outputs a 1 kHz tone and mutes the analog input. Individual mute controls for each channel are also available.


