産業用ワイヤレス・コネクティビティ・ソリューション
産業環境では、単一のワイヤレス・コネクティビティ技術がすべてに適合することはありません。低消費電力、低帯域幅のソリューションは、時としてメーターを読み取るのに適していることもありますが、一方、混雑した工場フロアで自律走行する無人搬送車(AGV)は、常時センサーと通信するために広帯域幅のワイヤレス・コネクティビティを必要としています。アナログ・デバイセズは幅広いワイヤレス・コネクティビティのオプションを提供し、遠隔地や危険な場所への信頼性の高いアクセスを可能にします。
価値と利点
アナログ・デバイセズの信頼性の高いワイヤレス・コネクティビティのサブシステムと完全シグナル・チェーン・ソリューションは、設計の負担を軽減し、配備を加速します。ソリューションには、5G、Bluetooth® Low Energy(BLE)、WirelessHART®、60GHzの遅延のない無線データ相互接続が含まれます。アナログ・デバイセズの超低消費電力、DARWINマイクロコントローラ、および内蔵BLE 5.2無線は、スマート・ファクトリのエッジ・デバイスに安全に電力を供給します。ロボット工学の場合、アナログ・デバイセズの60GHzリンク技術は物理的な接触の必要性をなくし、非接触方式を使用して回転ジョイントを可能にするため、定期的なメンテナンス、修理、交換を減らすことができます。
設計負担を軽減し、配備を加速
遅延のないワイヤレス・データ・リンク
過酷な環境でも確実に動作
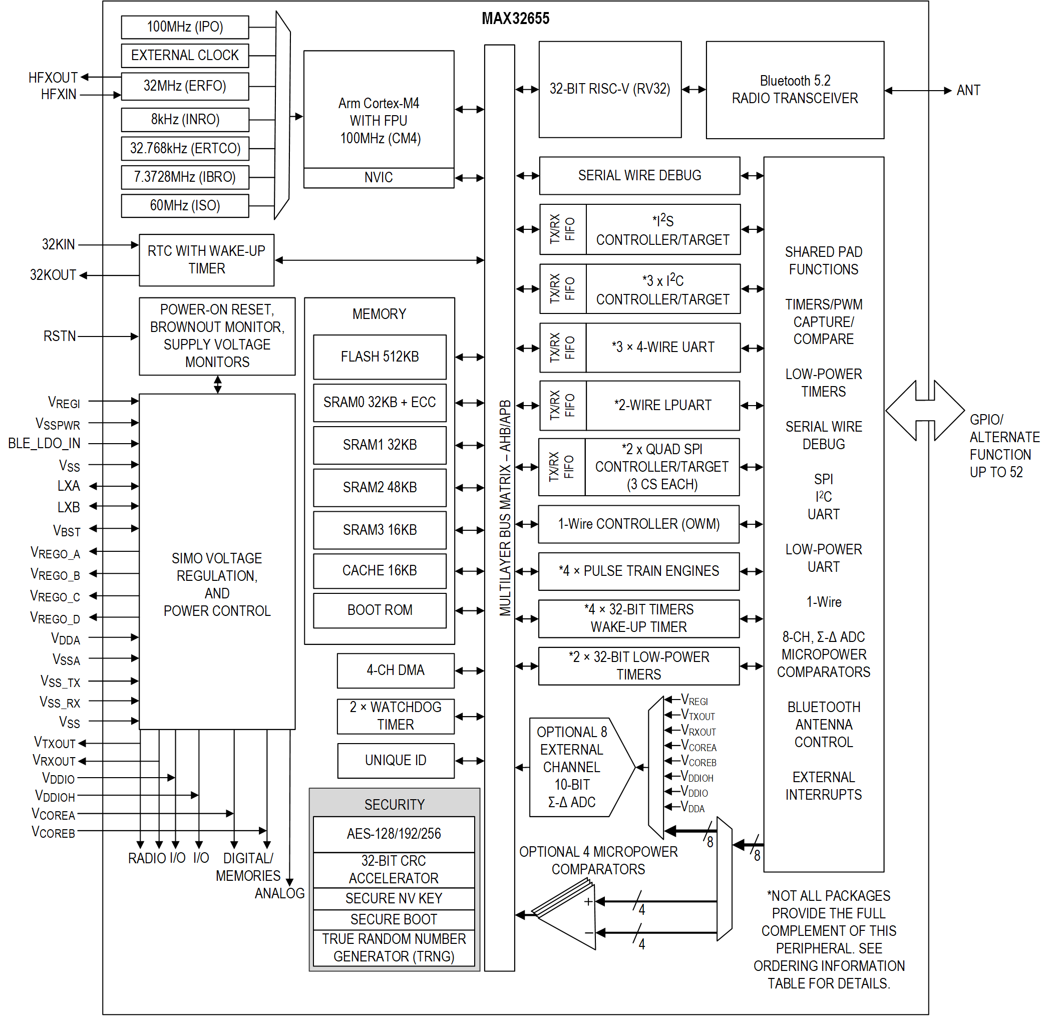
BLE:超低消費電力、最先端のセキュリティ・ワイヤレス・コネクティビティ
BLEは、よりスマートで、より接続された世界を構築するための礎です。アナログ・デバイセズのDARWINマイクロコントローラ・ファミリは、超低消費電力のBLE 5.2無線機能を内蔵しており、このような独自の課題を解決するために設計されています。
WirelessHART:タフな産業用IIoT環境のためのワイヤレス
WirelessHARTは、産業用センサーのための、実績のある堅牢なワイヤレス・コネクティビティ・ソリューションであり、低消費電力、信頼性、回復力、拡張性を備え、過酷な環境にも対応します。
5G:超高信頼性、低遅延ワイヤレス・コネクティビティ
市場をリードする低消費電力のADI RadioVerse® SOCファミリ上に構築された、アナログ・デバイセズの5G無線ユニット向けリファレンス・ソリューションの数々をご覧ください。
インテリジェント・エッジ技術を使用したお客様の成功事例
アナログ・デバイセズの革新的なアナログ、デジタル、ソフトウェア・ソリューションは、お客様が複雑な課題を解決し、製品イノベーションを加速させるのに寄与します。
Phoenixは、最終製品がどのようなものになるかというビジョンを持っており、独自のワイヤレス・コネクタを開発・製造することを決めていました。しかし、当社はRF技術に精通したパートナーを必要としており、そのパートナーとしてアナログ・デバイセズを見つけることができました。
フランク・ハケマイヤー(Frank Hakemeyer)通信インターフェース担当マーケティング/開発ディレクタ|Phoenix Contact
産業用ワイヤレス・コネクタと未来の工場
アナログ・デバイセズの60GHzワイヤレス・データ・リンク技術を使用した完全なワイヤレス・コネクタ・ソリューションをご紹介します。産業用ソリューションの世界的リーダーであるPhoenix Contact社との設計協力についてご覧ください。
Signals+で続きを読むソリューション・リソース
製品
評価用ボード/キット
{{modalTitle}}
{{modalDescription}}
{{dropdownTitle}}
- {{defaultSelectedText}} {{#each projectNames}}
- {{name}} {{/each}} {{#if newProjectText}}
-
{{newProjectText}}
{{/if}}
{{newProjectTitle}}
{{projectNameErrorText}}