banner background image

医療用内視鏡ソリューション

内視鏡技術は、診断および治療を目的とする内臓や組織への低侵襲的アクセスを可能にします。これらの外科用器具は、内視鏡検査中に患者の安全と快適さを最優先とするとともに、高精細な画像表示とリアルタイム・モニタリング機能を提供する必要があります。

アナログ・デバイセズ(ADI)のデータ・コネクティビティ、ガルバニック絶縁、および電源ソリューションにおける革新技術は、内視鏡の優れた画像品質と強化された処理能力を実現し、診断精度を最大化します。

 

価値と利点

アナログ・デバイセズのコネクティビティ・ソリューションは、外科手術用映像の忠実度を最大化し、イメージ・センサーとの高帯域幅非圧縮通信を実現します。アナログ・デバイセズは、このデータを収集、保護、処理するためのコネクティビティ、安全性、および電源ソリューションを提供します。

thumbsupImg Benefits

診断精度の向上

thumbsupImg Benefits

処理能力の強化

thumbsupImg Benefits

設計時間の短縮

Tablet displaying a digital brain scan, health metrics, and stethoscope on medical charts

医療用消耗品のセキュア認証

セキュアで低コストの認証方式を実装するための要件と、アナログ・デバイセズが医療用消耗品向けに接触型および非接触型のソリューションをどのように提供しているかをご覧ください。

記事を読む

Engineer demonstrating the MAX40109 Intelligent Edge Pressure Sensor AFE with real-time measurement on screen

インテリジェント・エッジAFEによる圧力センサー製造の変革

MAX40109がどのようにシングル・パスの校正プロセスを通じて圧力センサーの製造を変革し、システム全体の複雑さと校正コストを軽減しているかをご覧ください。

ビデオを見る

Medical endoscopy equipment cart with a monitor, control units, and endoscope

製品

buy sample product image
ADN4624
実効値5.7kV/1.5kVのクワッド・チャンネルLVDS2.5ギガビット・アイソレータ(0リバース・チャンネル)
buy sample product image
MAX78002
人工知能(AI)マイクロコントローラ、低消費電力畳み込みニューラル・ネットワーク・アクセラレータ内蔵

さらに表示

Arrow image

リファレンス・デザイン

さらに表示

Arrow image

評価用ボード

さらに表示

Arrow image

シグナル・チェーン

(2)

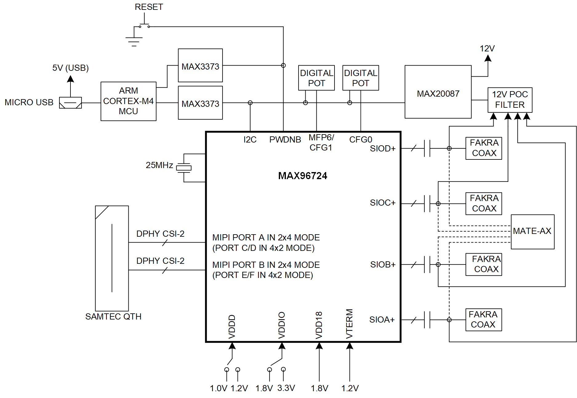
以下の図の各ブロックをクリックして利用可能な部品をご覧ください。

開発者ツールおよびリソース

設計ツール

シミュレーション・モデル

アナログ・デバイセズは、RF、リニア、コンバータ、パワー・マネジメント、その他の製品用に、回路やボード・レベルのシミュレーションのニーズに応えるシミュレーション・モデルを提供しています。

ADIサポート

どのようなことにお困りですか。アナログ・デバイセズのナレッジ・ベースから、よくある質問の答えを見ることができます。

button icon

ヘルプ