3V~5.5V の電源で動作し、±60Vのフォルトに耐えるRS485/RS422トランシーバ
LTC2862 からLTC2865 は堅牢なRS485/RS422トランシーバであり、過電圧は±60V、ESDは±15kV の許容範囲をもつので、電気的ストレスに起因する不具合が減少します。これらのトランシーバは、高電圧への耐性を備えたRS485トランシーバにいくつかの新機能を盛り込んだものです。3V~5.5V の電源電圧での動作、最大20Mbpsのデータ・レート、±25Vの同相電圧範囲、選択可能なスルー・レート、低電圧ロジックへのインタフェース、および3mm×3mmのDFNパッケージでの供給などです。
長い伝統をもつRS485シリアル・バスは、多くの商業/ 産業用通信システムのバックボーンを形成します。RS485ベースのネットワークは、産業制御システム、監視制御およびデータ収集システム、建築の自動化およびセキュリティ、劇場やパフォーマンス会場の照明制御、商業航空機や地上を走行するバス、その他のカスタム・ネットワークシステムなど、広範なアプリケーションで使用されています。電気的ストレスへの耐性は、これらのアプリケーションで使用されるRS485トランシーバ(配線フォルト、接地電圧フォルト、落雷で誘起されるサージ電圧のリスクがある)にとって重要な属性です。

図1. 高電圧への高い耐性をもつこのファミリのトランシーバは、通常は堅牢性が低いICにのみ見られる特徴を備えている
ただし、高電圧への耐性をもつ多くのRS485トランシーバには、高電圧への耐性をもたない最新のRS485トランシーバと比べて性能と機能が不足しています。LTC2862からLTC2865のトランシーバは、現代のネットワーク・アプリケーションの仕様が要求する拡張機能とフォルト耐性を組み合わせて、このギャップを埋めるものです。
3V~5.5Vの動作
高電圧への耐性をもつRS485トランシーバは通常、5V電源で動作しますが、5V電源は急速に時代遅れになっており、現代のデジタル回路ではめったに使用されていません。場合によっては、フォルト耐性をもつRS485トランシーバがシステム内で唯一の5Vコンポーネントであり、専用電源のコストが発生します。
高電圧への耐性をもつ一部のトランシーバと比較して、LTC2862からLTC2865は3.3V電源で動作するときにRS485とRS422の規格に完全に適合します。競合製品は3.3Vで駆動したときにVODの駆動電圧が低下することがあります。LTC2862からLTC2865のトランシーバは、3.3Vと5Vのいずれの電源で動作しても、同一バス上にあり5V電源をもつトランシーバとフルに相互運用できます。
低電圧ロジック・インタフェース
多くのマイクロコントローラ・システムは3.3V未満の電圧で動作します。LTC2865は、1.65Vほどの低い電圧で. 動作するロジックへのインタフェース手段です。VL 電源ピンと内蔵のレベル・シフタが、低電圧のVLロジック電源からのI/O信号を変換し、RS485レシーバおよびトランスミッタの駆動に使用する高電圧のVCC 電源に送信します。これにより、異なる電圧が混在するRS485システムで外部レベル・シフタが不要になります。これら2つの電源のパワーアップとパワーダウンは、相互に独立して行うことができます。
20Mbpsまたは250kbpsのデータ・レート
M現代のRS485システムが動作可能なデータ・レートは、高電圧への耐性をもつ多くのトランシーバの能力を超えています。例えば、非常に一般的なLT1785/LT1791トランシーバは最大250kbpsで動作します。LTC2862からLTC2865は、高電圧への耐性を同様にもちますが、160倍高速な最大20Mbpsで通信できます。
システムの中には、高いデータ・レートが不要なものもあります。250kbpsで十分なアプリケーションの場合、システム設計者がEMIの低いスルー制御遷移を行うRS485ドライバを好むことがあります。LTC2862 からLTC2865 はこのニーズに応えます。これらの製品には2つのバージョンがあります。高速の20Mbps のLTC2862-1、LTC2863-1、LTC2864-1 と、スルーを制限する250kbps のLTC2862-2、LTC2863-2、LTC2864-2です。LTC2865は高速モードとスルー制限送信モードの両方をサポートし、これら2つのモードを選択できる追加入力ピンを備えています。
±25Vの同相電圧範囲
標準のRS485トランシーバは、–7V~12Vの制限付き同相電圧範囲で動作します。商業/ 産業環境では、接地フォルト、ノイズ、その他の電気的干渉により、これらの範囲を超える同相電圧が誘起されることがあります。理想的なRS485トランシーバは高い同相電圧に耐えるだけでなく、中断することなくデータの送受信を継続します。
LTC2862からLTC2865のレシーバは、拡張した±25Vの同相電圧範囲で動作します。このレシーバは低オフセットのバイポーラ差動入力を使用し、高精度の抵抗分割器と組み合わせて、広い同相電圧範囲でレシーバのしきい値を正確に維持します。トランスミッタは絶対最大電圧±60Vで動作し、これらの電流制限回路が規定する制限値まで電流を増減します。
LTC2862からLTC2865は、大きい振幅、高周波数、および高スルー・レートの同相外乱を除去する点で優れています。図2に、10Mbpsのデータ、および50VP-P 1MHz同相信号に重ね合わせた±200mVの差動信号を受信したLTC2865の状態を示します。一方、図3には、20Mbpsのデータ、および36ns、10%~90%の立ち下がり時間をもつ同相電圧の–12Vステップに重ね合わせた±200mVの差動信号を受信したLTC2865の状態を示します。ノイズが多い電気環境では、この非常に優れた同相除去はデータ通信の信頼性を大幅に向上できます。

図2. 1MHz、50VP-P同相スイープとともに10Mbps、±200mVの作動信号を受信するLTC2865

図3. –12V、36nsの立ち下がり時間をもつ同相ステップとともに20MHz、±200mVの作動信号を受信するLTC2865
LTC2862からLTC2865の高速20Mbpsバージョン、およびスルーを制限した250kbpsバージョンの両方とも、20Mbpsフルの帯域幅をもつレシーバを備えています。2本のラインの容量性負荷が良好に一致しない場合、図3に示すような高速同相過渡がケーブルに沿って伝播するにつれて、差動電圧が発生することがあります。結果として発生した差動電圧がレシーバのしきい値を超えた場合、レシーバのステート変化がトリガされることがあります。データ・レートが250kbps未満のシステムでは、レシーバ両端のピンに100pF~1nFのコンデンサを追加し、一致しない容量性負荷に作用する同相ノイズにより発生した高周波数の差動ノイズをフィルタ処理することにより、レシーバのノイズ耐性を向上できる可能性があります。
対称的なレシーバしきい値による完全なフェイルセーフ動作
これらのデバイスはフェイルセーフ機能を備えており、入力が短絡状態、開状態、または終端されていても約3μs 以上駆動されない状態になると、レシーバの出力がロジック1の状態(アイドル状態)になることが保証されています。遅延により、通常のデータ信号が、フェイルセーフ状態と誤って認識されることなく、しきい値領域を通過して遷移することができます。このフェイルセーフ機能は、–25V~+25Vの同相範囲全体の入力で動作することが保証されています。
LTC2862からLTC2865は、ウィンドウ・コンパレータ(図4)によりこのフェイルセーフ機能を実装しています。コンパレータは、完全に対称的な正負の信号しきい値電圧(代表値±75mV)をもちます。2つの信号しきい値電圧の差により、信号ヒステリシス(代表値150mV)が発生します。負の信号しきい値電圧と0Vとの差は、フェイルセーフしきい値電圧と代表値–50mVを加えたものです。負の信号しきい値電圧とフェイルセーフしきい値電圧の差はフェイルセーフ・ヒステリシスであり、代表値は25mVです。

図4. フェイルセーフ・ウィンドウ・コンパレータの動作
通常のデータ信号は、差動入力電圧が正の信号しきい値電圧を上回ったときにレシーバ出力ROで“H” を出力し、差動入力電圧が負の信号しきい値電圧を下回ったときにROで“L” を出力します。差動入力電圧がフェイルセーフしきい値電圧を上回ったが、フェイルセーフ・タイムアウト時間よりも長い期間、正の信号しきい値電圧よりも下回っていたときにフェイルセーフ機能がトリガされます。フェイルセーフ・タイマがタイムアウトすると、フェイルセーフがアクティブになり、ROが強制的に“H”になります。差動入力電圧が負の信号しきい値電圧を下回るまで、ROは“H” のままです。
多くのRS485トランシーバのレシーバしきい値は非対称であり、負の信号しきい値電圧とフェイルセーフしきい値電圧のみを使用しています。この方式では効果的なフェイルセーフ検出が行われますが、立ち下がりが遅い減衰信号の場合にレシーバ出力ROのデューティ・サイクルに歪みが発生します。LTC2862 からLTC2865で使用されている対称的なしきい値では、減衰が大きい信号でもRO出力のデューティ・サイクルが適切に維持されます(図5)。一方、非対称のしきい値をもつトランシーバでは、デューティ・サイクルにかなりの歪みが見られます(図6)

図5.入力信号が±200mV、20Mbps におけるLTC2865対称レシーバのデューティ・サイクル

図6.入力信号が±200mV、600kbpsにおける競合会社の非対称レシーバのデューティ・サイクル
さらに、LTC2862からLTC2865の150mV(代表値)の信号ヒステリシスは、レシーバしきい値が非対称のレシーバと比較して、非常に優れたノイズ耐性を有します。一時的にフェイルセーフしきい値を上回るが負の信号しきい値よりも下に戻るというノイズ過渡は、非対称のレシーバでエラーを含む“H” のRO出力をトリガします(図8)。しかし、このノイズ過渡は、対称的なLTC2862 からLTC2865のレシーバではフェイルセーフ・タイマにより除去されます(図7)。

図7. -200mVの差動入力の+100mVのノイズ・パルスを除去するLTC2862の対称レシーバ

図8. –200mV の差動入力の+100mVのノイズ・パルスに応答する競合会社の非対称レシーバ
ホット・プラグ、ホット・スワップ、およびグリッチなしのパワーアップとパワーダウン
LTC2862からLTC2865は、ホット・プラグ(ホット・スワップ)の要件に適合するグリッチなしのパワーアップ/パワーダウン保護を備えています。これらのトランシーバは、非通電状態、または通電しているがディスエーブル・ステートでバスに接続されたときに、バス上に差動外乱を発生しません。同様に、これらのトランシーバは、既にバスに接続した状態からディスエーブル・ステートでパワーアップされたときに、差動外乱をバス上に発生しません。これらの場合、レシーバ出力ROでは高インピーダンス出力がオフのままです。
パワーアップ/ パワーダウン時にドライバまたはレシーバの入力がイネーブル・ステートである場合、電源がトランシーバの内部電源の低電圧検出器のしきい値を超えるので、出力はグリッチなしで適切なステートに遷移します。LTC2863には、レシーバまたはドライバをディスエーブルする手段を備えていないので、パワーアップすると常にグリッチなしで完全なイネーブル・ステートに遷移します。
パッケージとピン配置
広範なアプリケーションの要件に合わせて、LTC2862 からLTC2865 には4タイプのピン配置が用意されており、各ピン配置について、リード付きとリードなしのパッケージがあります。
LTC2862: 受信ピンと送信ピンを共有する半二重LTC2862が、一般的に使用されているバージョンです。8ピン、リード付きのSOパッケージと、小型の3mm×3mm、8ピン、リードなしのDFNパッケージがあります。SOパッケージのLTC2862は、先行製品LT1785とソケットの互換性があります。
LTC2863: LTC2863は個別の受信ピンと送信ピンをもつ全二重トランシーバであり、8ピン・パッケージに収まるようにレシーバとドライバのイネーブル・ピンが省略されています。この結果、ドライバとレシーバは常にイネーブルであり、製品にはシャットダウン・モードがありません。LTC2862と同様に、8ピン、リード付きのSOパッケージと、小型の3mm×3mm、8ピン、リードなしのDFNパッケージがあります。
LTC2864: LTC2864は、イネーブル・ピンを備えた全二重トランシーバです。LT1791とソケットの互換性をもつ14ピン、リード付きのSOパッケージと、10 本のリード付き3mm×3mmのDFNパッケージがあります。
LTC2865: LTC2865 は、ファミリの他の各製品で使用できる機能をすべて備えています。LTC2864と同様に全二重のピン配置を備え、追加のピンが2 本あります。ロジック・インタフェース電源電圧用のVLピンと、高速またはスルー制限のトランスミッタ・モードを選択するSLO入力ピンです。
| 製品番号 | 二重 | イネーブル | VLピン | スルー制限ピン | パッケージ |
| LTC2862-1, –2 | 半二重 | あり | なし | なし | S8:8ピン、リード付きSO DD:8ピン、リード付きDFN |
| LTC2863-1, –2 | 全二重 | なし | なし | なし | S8:8ピン、リード付きSO DD:8ピン、リード付きDFN |
| LTC2864-1, –2 | 全二重 | あり | なし | なし | S:14ピン、リード付きSO DD:10ピン、リード付きDFN |
| LTC2865 | 全二重 | あり | あり | あり | MSE:12ピン、リード付きMSOP DE:12ピン、リード付きDFN |
±60Vのフォルト、および±15kVのESDへの耐性
RS485の配線接続は多くの場合、被覆のない撚り線を端子ブロックにねじ込むことで行われます。RS485インタフェースを含む機器は、24VAC/DCやその他の電圧で駆動される回路を内蔵していることがあり、これらの回路もねじ込み端子で接続されます。修理担当者がむき出しのワイヤやねじ込み端子を取り扱うと、ESDによる破損のリスクがあり、またケーブルを間違ったねじ込み端子に配線すると過電圧による破損のリスクがあります。フォルト電圧とESDに対する許容範囲が大きいため、LTC2862からLTC2865はこれらの危険による破損に対して非常に高い耐性を備えています。
LTC2862 からLTC2865の±60Vのフォルト保護は、高電圧BiCMOS集積回路テクノロジを使用することによって行われます。このテクノロジ特有の高いブレークダウン電圧により、電源オフ状態および高インピーダンス状態で保護を行います。ドライバ出力には先進的なフォールドバック電流制限の設計を採用し、高電流出力駆動を可能にしたままで過電圧フォルトに対する保護を実現しています。LTC2862からLTC2865は、GNDが開の状態、またはVCC が開または地絡の状態でも、±60Vのフォルトから保護されます。
LTC2862からLTC2865は、GNDを基準として人体や機器からA、B、Y、およびZのピンに流れる最大±15kV(人体モデル)の静電気放電から保護されます。内蔵の保護デバイスは、約±78Vを超える電圧で通電を開始し、放電電流を安全にGNDピンに流します。さらに、これらのデバイスは、製品がパワーアップされた状態やラッチ・アップなしで動作している状態でも、最大±15kVの放電に耐えます。その他のすべてのピンは、±8kV(人体モデル)まで保護されています。
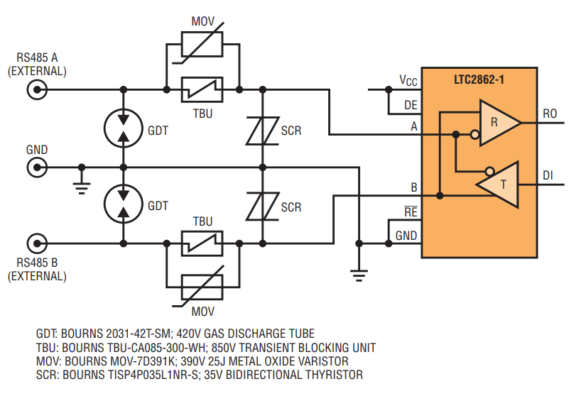
IECサージ、EFT、ESD、および過電圧フォルトに対する拡張保護
産業環境で使用されているRS485トランシーバは、落雷サージ、高電流誘電負荷のスイッチングによる電気的高速過渡(EFT)、および帯電した人体または機器からの静電気放電(ESD)に起因する非常に高レベルの電気的過剰ストレスに曝される可能性があります(ESD、EFT、およびサージの試験方法はそれぞれ、IEC 規格61000-4-2、61000-4-4、および61000-4-5に規定されている)
特に、サージ試験で発生する過渡には、LTC2862からLTC2865が内蔵するESD保護デバイスが吸収できるよりも非常に多くのエネルギが含まれます。このため、高レベルのサージ保護を実現するには、適切に設計された外部保護ネットワークが必要です。また、外部ネットワークにより、LTC2862 からLTC2865 のESD、EFT、および過電圧に対する性能もきわめて高いレベルで向上できます。
図9 の保護ネットワークは、LTC2862 からLTC2865の高いブレークダウン電圧をどのように使用して、サージ、EFT、およびESDについてIECの最高規定レベル(レベル4)に適合する保護回路内で活用するか、また過電圧フォルトの許容範囲を±360Vに広げているかを示します。この保護回路は±25Vの同相電圧範囲を維持し、ライン(GNDへのライン)当たり約8pF 程度の容量しか追加しないので、LTC2862からLTC2865のトランシーバの性能に影響を与えることなく、非常に高い保護レベルを提供します。

図9. サージ、EFT、ESDに対するIECレベル4の保護、および±360Vの過電圧保護を備えたネットワーク
ガス放電管(GDT)は、電気サージに対する主要な保護デバイスです。これらのデバイスはインピーダンスが非常に低く、動作時に高い電流通電能力を有しているので、サージ電流をGNDに安全に放電します。
過渡ブロック・ユニット(TBU)は半導体デバイスであり、指定電流レベルに達すると、低インピーダンスのパススルー・ステートから高インピーダンスの電流制限ステートにスイッチします。これらのデバイスは、2次保護に流れる可能性のある電流と電力を制限します。
2 次保護は、LTC2862 からLTC2865 のトランシーバのバス・ピンを保護するために35Vを上回るとトリガする双方向サイリスタで構成されます。2 次保護の高トリガ電圧は、レシーバの±25Vの同相電圧範囲全体を維持します。
ネットワークの最後のコンポーネントは金属酸化物バリスタ(MOV)であり、TBUの両端の電圧をクランプして、GDTのターンオン時間を超える高速ESDおよびEFTからTBUを保護します。このネットワークの高い性能は、低容量のGDT、およびサイリスタの1次/2 次保護デバイスに基づきます。MOVの容量130pFはライン上をフロートし、TBUによりシャントされるので、信号で検出可能な容量性負荷にはまったく寄与しません。
LTC2862 からLTC2865の高いブレークダウン電圧と堅牢性が、この保護回路の主要要素です。同相電圧範囲の維持に使用される±35VのSCRデバイスは、±35V未満のブレークダウン電圧でトランシーバを保護しません。さらに、MOVをTBUと並列接続すると、MOVの容量はRS485バス上に負荷を生成しません。ただし、ESDとEFTの電流をSCRデバイス経由でシャントするというデメリットがあります。この結果、SCRの両端で発生した電圧降下は、トランシーバのバス・ピンに発生します。この独得の低容量トポロジは、堅牢な高電圧トランシーバでのみ使用できます。
PROFIBUSアプリケーションでのLTC2862の使用
PROFIBUSはRS485に基づくフィールド・バスであり、ケーブル、相互接続、ライン終端、および信号レベルの追加要件があります。図10に、PROFIBUSネットワーク内のLTC2862-1を示します。PROFIBUSに完全適合するには、以下の項目すべてに従う必要があります。
- PROFIBUSラインの各端部は終端する必要があります。BとAとの間は220Ω の抵抗、BとVCCとの間は390Ω のプルアップ抵抗、AとGNDとの間は390Ω のプルダウン抵抗を使用します。
- 100m終端ケーブルの端部で受信するピーク・ツー・ピーク差動電圧VODをPROFIBUS規格の7V未満に減少するために、8.2Ω の抵抗をLTC2862-1のAとBのピンと直列に接続する必要があります。
- PROFIBUS信号の極性は、多くのRS485トランシーバのデータ・シートで使用されている極性の表記規則と逆になっています。ピンAをPROFIBUSのBワイヤ(8.2Ω の直列抵抗経由)と接続し、ピンBをPROFIBUSのAワイヤ(8.2Ωの直列抵抗経由)と接続します。
- PROFIBUSのVOD許容値に適合するために、5%の許容範囲をもつ5V電源(4.75V~5.25V)を使用して、LTC2862-1トランシーバを駆動します。

図10.LTC2862-1のPROFIBUS互換ライン・インタフェース
まとめ
システム設計者は、RS485およびRS422トランシーバについて、高いフォルト耐性と高性能のいずれかを選択する必要がなくなりました。LTC2862 からLTC2865のトランシーバがそれら両方を提供します。これらのトランシーバは、±60Vの過電圧と±15kVのESDへの耐性を備えていますが、また以下の特長も有しています。3V~5.5Vの電源電圧での動作、最大20Mbpsのデータ・レート、±25Vの同相電圧範囲、選択可能なスルー・レート、低電圧ロジックへのインタフェース、および3mm×3mmのDFNパッケージでの供給などです。